MFB
-
MFB
-
MFB-C
-
MFBS
-
MFBS-C
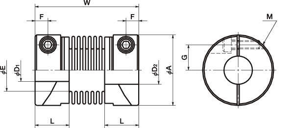
・ベローズタイプのフレキシブルカップリングです。
・ベローズが偏心・偏角・エンドプレイを許容します。
・ミスアライメントがあっても等速回転します。
・べローズはりん青銅製およびステンレス製の2種類があります。
・バックラッシュ0
共通仕様
| 材質(ハブ) | MFB:A2017、アルマイト処理 MFBS:SUS303 |
|---|---|
| 材質(ベローズ) | MFB:C5191 MFBS:SUS316L |
| 材質(六角穴付き止めねじ・ボルト) | MFB:SCM435、四三酸化鉄皮膜(黒) MFBS:SUSXM7 |

