LEMS-MD
-
LEMS-MD
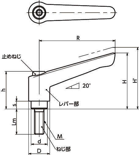
・亜鉛ダイカスト製のセレーションリングをプラスティック製レバー本体にインサート。金属製のねじのセレーションとのかみ合いにも充分な強度を実現しています。
・金属検知対応。レバー部の樹脂に金属粉を混ぜることで、金属探知機で検知して異物混入リスクを軽減させることができます。
・食品衛生法 昭和34年厚生省告示第370号 食品、添加物等の規格基準を満たしています。
・M3-M12の豊富なねじサイズ
■使用上の注意
・ご使用中の各種検知機の設定や食品の物性等により、検知できる破片の大きさにばらつきがあります。
・ご使用に際しては、必ずお客さまの責任において事前テストを行い、充分に評価し、安全性ならびに使用目的に適合するかご確認ください。
共通仕様
| レバー | ナイロン6・鉄系成分 (ブルーグレー) |
|---|---|
| ねじ部 | SUS303 |
| 止めねじ | ステンレス |
| セレーションリング(インサート) | 亜鉛ダイカスト |
| スプリング | ステンレス鋼線 |

