・クレーン用シーブおよびエコライザシーブの標準品です。
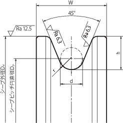
・溝部寸法はJIS B 8807 : 2003「クレーン用シーブ」に準じています。
・5種類のD/dについて各13サイズのシーブを標準化。全65サイズの充実のラインナップです。
下穴品と標準ベアリング組込品の2タイプがあります。
共通仕様
| シーブ本体 | JIS G 5502[球状黒鉛鋳鉄品]のFCD600-3 塗装(NBKブルー) |
|---|---|
| 標準ベアリング | 鋼 |
| 止め輪 | 鋼(ベアリング外径が150mmを超えるサイズには属していません) |

