・頭部高さはすべて1.5mm以下。締めつけ後も頭部の出っ張りが気になりません。
・機器・装置のコンパクト化や安全性の向上に。
・M2・M2.5を新しく標準化。
共通仕様
| 材質・仕上げ | SUSXM7(SUS304相当) |
|---|---|
| 強度区分 | A2-50 |
鍋屋バイテック会社
・頭部高さはすべて1.5mm以下。締めつけ後も頭部の出っ張りが気になりません。
・機器・装置のコンパクト化や安全性の向上に。
・M2・M2.5を新しく標準化。
| 材質・仕上げ | SUSXM7(SUS304相当) |
|---|---|
| 強度区分 | A2-50 |
47件の型式
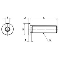
| 型式 | M | L | D1 | L1 | B | tmax. |
最大締め付け トルク (N・m) |
質量 (g) |
1袋 入り数 |
|---|---|---|---|---|---|---|---|---|---|
| SSHS-M3-6 | M3 | 6 | 6 | 1.3 | 1.5 | 2 | 1 | 0.5 | 10 |
| SSHS-M3-8 | M3 | 8 | 6 | 1.3 | 1.5 | 2 | 1 | 0.5 | 10 |
| SSHS-M3-10 | M3 | 10 | 6 | 1.3 | 1.5 | 2 | 1 | 0.6 | 10 |
| SSHS-M3-12 | M3 | 12 | 6 | 1.3 | 1.5 | 2 | 1 | 0.6 | 10 |
| SSHS-M4-6 | M4 | 6 | 8 | 1.5 | 2 | 2.5 | 2 | 0.9 | 10 |
| SSHS-M4-8 | M4 | 8 | 8 | 1.5 | 2 | 2.5 | 2 | 1 | 10 |
| SSHS-M4-10 | M4 | 10 | 8 | 1.5 | 2 | 2.5 | 2 | 1.2 | 10 |
| SSHS-M4-12 | M4 | 12 | 8 | 1.5 | 2 | 2.5 | 2 | 1.3 | 10 |
| SSHS-M4-16 | M4 | 16 | 8 | 1.5 | 2 | 2.5 | 2 | 1.6 | 10 |
| SSHS-M5-6 | M5 | 6 | 9 | 1.5 | 3 | 3 | 3.5 | 1.2 | 10 |
製品についてのご質問やお困りごとなどお気軽にご相談ください!