SEQ
-
SEQ
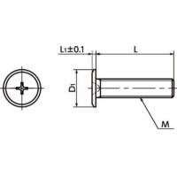
・頭部高さが極薄の十字穴付きボルト。
・機器・装置の省スペース化や上部スペースが限られた箇所に。
・十字穴にはQuaStixを採用。QuaStix対応の専用ビット「SKQB」を使用することで、トルク伝達が向上し、カムアウトを抑え十字穴の破損を軽減します。
※通常の十字ビットでも取りつけ・取りはずし可能です。
・表面処理の仕上がりの色を2種類から選択できます。
<用途>
・機器・装置の省スペース化
共通仕様
| 本体 | SEQ-TZB:SWCH 三価クロメート処理(シルバー) SEQ-TBZ:SWCH 黒色三価クロメート処理 |
|---|

