SNSS-SD-MO
-
SNSS-SD-MO
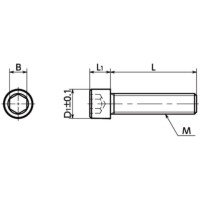
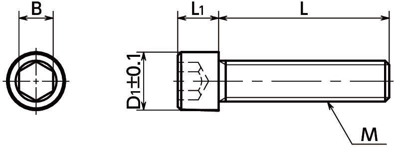
・頭部径の小さい六角穴付きボルト。通常の六角穴付きボルトよりザグリ穴径を小さくできます。
・耐蝕性・耐摩耗性にすぐれています。
・すぐれた潤滑性。ねじのかじり・焼きつき防止に適しています。
<用途>
・機器・装置の省スペース化
・かじり・焼きつき防止
<使用例>
・通常の六角穴付きボルトではザグリ加工ができなかった箇所にもザグリ加工を行い、頭部を隠すことができます。
<使用上の注意>
・頭部座面の面積が小さく底面圧が高くなります。
・ねじの締めつけによる座面圧が被締結材の許容面圧を超えないようにご注意ください。
共通仕様
| 材質・仕上げ | SUSXM7(SUS304相当) 二硫化モリブデンコーティング |
|---|---|
| 強度区分 | A2-70 |

