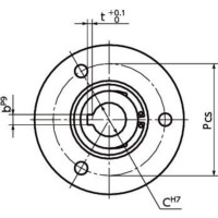
LXY-A・LXYS-A
-
LXY-A・LXYS-A
-
LXY-B・LXY-C
・6°またはその整数倍の角度で、すなわち2・3・4・5・6・10・12・15・20・30の分割で位置ぎめができます。
・ピンによる位置ぎめなど他の方法では得られない正確でしかも耐久性にすぐれたメカニズムです。
・目盛りやシンボルマークの彫刻もできます。お問い合わせください。
共通仕様
| 材質・仕上げ | LXY-A ・本体:SUM21、四三酸化鉄皮膜(黒) LXYS-A ・本体:SUS303 LXY-B、LXY-C ・本体:SUM22L、四三酸化鉄皮膜(黒) ・レバー:フェノール樹脂(黒) |
|---|

