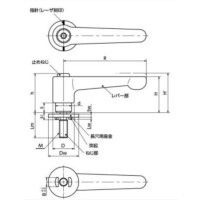
長穴用座金が組み込まれたクランプレバーです。
・座金座面部の突起が座金の回転を防止し、上面の指針が常にスケールを指し示すため、長穴を利用したスライド機構に適しています。
・座金はヌスミ加工部に組み込まれており、脱落を防止します。また、座金の組み込み作業も不要です。
・座金の外径はねじ径の約3倍。締めつけ部位に対して十分な座面を確保します。
・レバー形状はフラットタイプ。上部スペースに制限がある用途に適しています。
・レバー部は、傷が目立ちにくい、つや消しタイプの静電塗装。
・レバー部のカラーバリエーションは4種類。品番の末尾記号により、選択できます。
共通仕様
| レバー部 | 亜鉛ダイカスト 静電塗装(各色) |
|---|---|
| ねじ部 | ・LHM-LWP:SUM22L 四三酸化鉄被膜(黒) ・LHMS-LWP:SUS303 |
| 長穴用座金 | SUS303 |
| 止めねじ | ・LHM-LWP:スティール 四三酸化鉄被膜(黒) ・LHMS-LWP:SUS304 |
| スプリング | ステンレス鋼線 |

