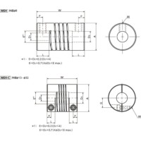
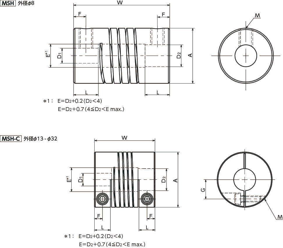
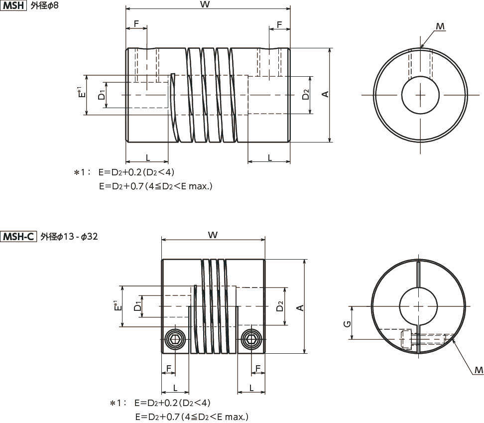
・円筒材に1本のらせん状のスリットを入れた完全一体構造の金属ばねカップリングです。
・バックラッシュがなく、柔軟性にすぐれているため、エンコーダなどの小さいトルクでの使用に適しています。
・偏心反力が極小です。軸への負担を軽減し、装置の損傷を抑えます。
・メトリックとインチサイズの軸穴径を標準化。
・構造がシンプルで、分解が容易です。
              
共通仕様
| 材質・仕上げ(本体) | A7075・アルマイト処理 | 
|---|---|
| 材質・仕上げ(六角穴付き止めねじ) | SCM435・四三酸化鉄皮膜(黒) | 
| 材質・仕上げ(六角穴付きボルト) | SCM435・四三酸化鉄皮膜(黒) | 

 
               
                     
                            
