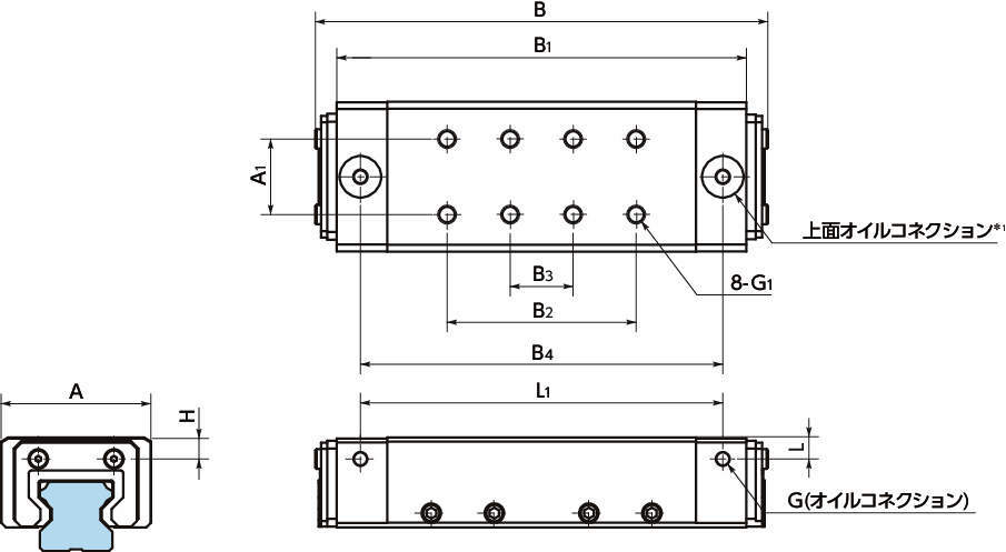
リニアクランパ・ズィー LBHS
-
リニアクランパ・ズィー LBHS
・油圧制御
・超重荷重用
・スリムタイプ
・部品数を削減し、高剛性を実現
・保持力:1300~1500N
・ブレーキ機構つき
緊急用ブレーキとして使用できます。システムのシャットダウン時に 油圧供給をストップする制御装置と組み合わせてご使用ください。
・常時閉(Normaiiy Closed)タイプです。
油圧供給時;クランプを開放します。
油圧開放時:リニアガイドウェイのレールをクランプします。
・品番の末尾記号が「A」の商品は、シールつきです。
共通仕様
| 制御方式 | 油圧・常時閉 |
|---|---|
| 開放圧力 | 12MPa~13MPa |
| レスポンスタイム | max0.08s |
| クランプ寿命 | 50万回 |
| ブレーキ寿命 | 500回 |
| 使用温度 | -10℃~70℃ |
| 適用レールの呼び | #20~#65 |

