FGBA-E
-
FGBA-E
-
FGBA-E/FGBAS-E
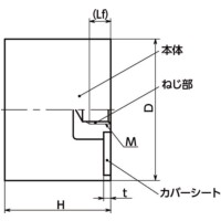
・取りつけ用のねじを組み込んだゴム製バンパ。機器・装置への取りつけが容易です。
・片側めねじタイプ。
・衝撃や振動吸収用途のほか、機器・装置の支持やコンベア終端部の緩衝材、衝撃音の緩和に適しています。
・ゴムは環境に配慮したNR(天然ゴム)を使用。
・耐熱温度:80℃
・本体の硬度は3種類。商品記号により選択できます。
・機器・装置から負荷される荷重をもとに、ばね定数、最大荷重、最大たわみ量を参考にしてください。
共通仕様
| 本体 | NR(天然ゴム) |
|---|---|
| ねじ部 | スティール・三価クロメート処理 |
| カバーシート | スティール・三価クロメート処理 |

