LDMS-AS-HP
-
LDMS-AS-HP
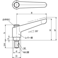
■オールステンレス製のクランプレバー。
■すぐれた耐蝕性と強度があります。
■止めねじにはリセスがなく、ごみやほこりがたまりにくい形状です。清掃性にすぐれ、衛生管理が求められる食品機械・薬品機械などの用途に。
■レバー部の表面は研磨仕上げ。
■M3-M12の豊富なねじサイズ。
共通仕様
| レバー部 | SCS13(SUS304相当)、研磨 |
|---|---|
| ねじ部 | SUS303 |
| 止めねじ | SUS303 |
| スプリング | ステンレス鋼線 |

