モノづくりの困ったを解決する総合サイト

Produced by

鍋屋バイテック会社

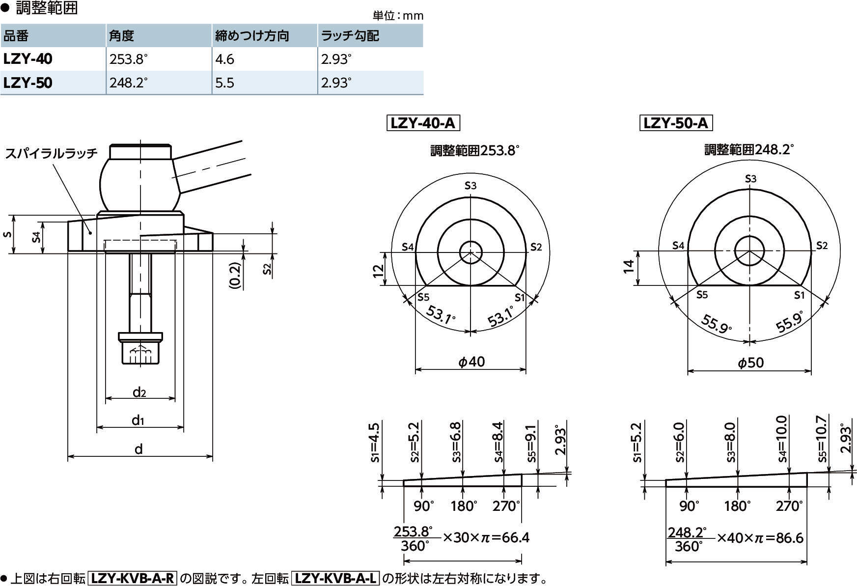
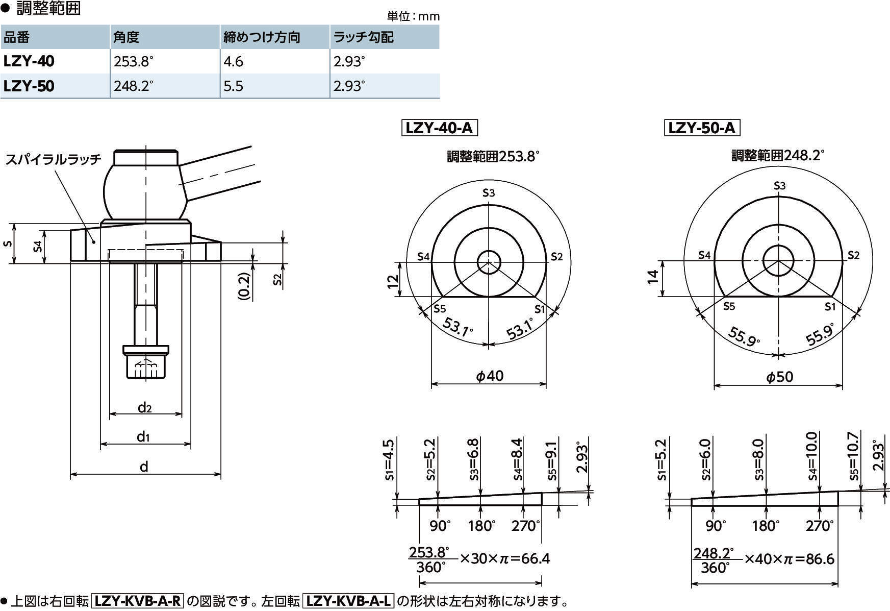
ラッチレバー 角度つきレバータイプ・上方向締めつけ・背面取りつけ LZY-KVB-A

LZY-KVB-A

  • LZY-KVB-A

・スパイラルラッチを利用した締結用のレバー。上方向への締めつけが無段階に調整できます。
・あらゆるポジションで強力にワークをクランプ。すばやく、確実な操作が可能です。
・角度つきレバータイプ。手が入りやすく、レバーを握るスペースを確保できます。
・相手部材をはさみ込むようにして、背面から六角穴付きボルトで取りつけます。固定用ブッシュの内部にねじ穴加工済み。相手部材に取りつけ用のねじ穴がない場合でも使用できます。
・六角穴付きボルトは豊富なねじ長さをラインアップ。取りつける相手部材に適した長さを選択できます。
・スパイラルラッチは焼入れ済み。耐摩耗性にすぐれています。
・商品記号により、回転方向が選択できます。
 LZY-KVB-A-R:右回転
 LZY-KVB-A-L:左回転

<使用上の注意>
・固定用ブシュへのねじ込み深さは、最大5mmです。使用可能な相手部材の厚みはL寸法-5~0です。相手部材がL寸法を超える場合には、ラッチレバーを固定できません。

#ラッチレバー
#レバー

共通仕様

スパイラルラッチ スティール
浸炭窒化
スペーサ スティール
浸炭窒化
固定用ブシュ スティール
浸炭窒化
六角穴付きボルト(DIN912) スティール
六角穴付きボルト強度区分 12.9
ワッシャ スティール
レバー スティール
四三酸化鉄皮膜(黒)
グリップ フェノール樹脂(黒)

詳細仕様

  • 44件中 1-10件

  • 表示件数

44件の型式

型式 d
(mm)
M(並目) L
(mm)
R
(mm)
H
(mm)
h
(mm)
h1
(mm)
s
(mm)
A
(mm)
B
(mm)
Dw
(mm)
sw1
(mm)
sw3
(mm)
d1
(mm)
d2
(mm)
歯数 回転方向 質量
(g)
ねじの呼び ピッチ
LZY-40-KVB-A-R-12 40 M6 1 12 100 55 30.5 8.5 10 10 25 12 5 5 24 20 26 右回転 153
LZY-40-KVB-A-R-22 40 M6 1 22 100 55 30.5 8.5 10 10 25 12 5 5 24 20 26 右回転 156
LZY-40-KVB-A-R-27 40 M6 1 27 100 55 30.5 8.5 10 10 25 12 5 5 24 20 26 右回転 157
LZY-40-KVB-A-R-32 40 M6 1 32 100 55 30.5 8.5 10 10 25 12 5 5 24 20 26 右回転 158
LZY-40-KVB-A-R-37 40 M6 1 37 100 55 30.5 8.5 10 10 25 12 5 5 24 20 26 右回転 159
LZY-40-KVB-A-R-42 40 M6 1 42 100 55 30.5 8.5 10 10 25 12 5 5 24 20 26 右回転 160
LZY-40-KVB-A-R-47 40 M6 1 47 100 55 30.5 8.5 10 10 25 12 5 5 24 20 26 右回転 161
LZY-40-KVB-A-R-57 40 M6 1 57 100 55 30.5 8.5 10 10 25 12 5 5 24 20 26 右回転 162
LZY-40-KVB-A-R-62 40 M6 1 62 100 55 30.5 8.5 10 10 25 12 5 5 24 20 26 右回転 163
LZY-40-KVB-A-R-67 40 M6 1 67 100 55 30.5 8.5 10 10 25 12 5 5 24 20 26 右回転 164

型式 商品コード 単位 価格
(円)
基準納期
日伝 メーカー
LZY-40-KVB-A-R-12 LZY-40-KVB-A-R-12 P 31,100 - -
LZY-40-KVB-A-R-22 LZY-40-KVB-A-R-22 P 31,200 - -
LZY-40-KVB-A-R-27 LZY-40-KVB-A-R-27 P 31,100 - -
LZY-40-KVB-A-R-32 LZY-40-KVB-A-R-32 P 31,100 - -
LZY-40-KVB-A-R-37 LZY-40-KVB-A-R-37 P 31,200 - -
LZY-40-KVB-A-R-42 LZY-40-KVB-A-R-42 P 31,100 - -
LZY-40-KVB-A-R-47 LZY-40-KVB-A-R-47 P 31,100 - -
LZY-40-KVB-A-R-57 LZY-40-KVB-A-R-57 P 31,400 - -
LZY-40-KVB-A-R-62 LZY-40-KVB-A-R-62 P 31,300 - -
LZY-40-KVB-A-R-67 LZY-40-KVB-A-R-67 P 31,400 - -

この製品を見た人はこのような製品も見ています

1952年設立で、動力伝導機器・産業機器・制御機器等の機械設備及び機械器具関連製品の販売をしている専門総合商社です。
日本国内で40以上の拠点を持ち、信頼性の高い製品と技術力で、全国のものづくりに携わる方々のあらゆるお困りごとを解決しています。

Loading...