・エコノミータイプの支持台にブロックとシャフトを組合せており、コストを大幅に削減します。
・支持台は2000mm、シャフトは4500mmまで継ぐことなく制作できます。
共通仕様
| ブロック | CE・CES:標準形ブロック CD・CDS:すきま調整形ブロック |
|---|---|
| 本体材質 | CE・CD:スチール製 CES・CDS:ステンレス製 |
| 保持器材質 | 樹脂製保持器 |
| シール | 両側シール |
日本ベアリング
・エコノミータイプの支持台にブロックとシャフトを組合せており、コストを大幅に削減します。
・支持台は2000mm、シャフトは4500mmまで継ぐことなく制作できます。
| ブロック | CE・CES:標準形ブロック CD・CDS:すきま調整形ブロック |
|---|---|
| 本体材質 | CE・CD:スチール製 CES・CDS:ステンレス製 |
| 保持器材質 | 樹脂製保持器 |
| シール | 両側シール |
224件の型式
| 型式 | シリーズ |
ブロック 個数 |
材質 |
軸径 (mm) |
基本動 定格荷重 C(N) |
基本静 定格荷重 C0(N) |
組立寸法(mm) | ブロック寸法(mm) | ガイドレール寸法(mm) | |||||||||||||||||
|---|---|---|---|---|---|---|---|---|---|---|---|---|---|---|---|---|---|---|---|---|---|---|---|---|---|---|
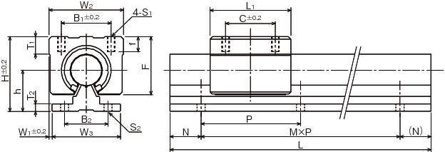
| H | h | W1 | W2 | L1 | B1 | C | T1 | f | S1 | G | F | L | M | N | W3 | B2 | T2 | P | S2 | |||||||
| CE16-1-300 | 標準形 | 1 | 標準(スチール) | 16 | 774 | 1180 | 45 | 25 | 2.5 | 45 | 45 | 32 | 30 | 9 | 12 | M5 | - | 33 | 300 | 1 | 75 | 40 | 30 | 5 | 150 | 5.5 |
| CE16-1-500 | 標準形 | 1 | 標準(スチール) | 16 | 774 | 1180 | 45 | 25 | 2.5 | 45 | 45 | 32 | 30 | 9 | 12 | M5 | - | 33 | 500 | 3 | 25 | 40 | 30 | 5 | 150 | 5.5 |
| CE16-1-800 | 標準形 | 1 | 標準(スチール) | 16 | 774 | 1180 | 45 | 25 | 2.5 | 45 | 45 | 32 | 30 | 9 | 12 | M5 | - | 33 | 800 | 5 | 25 | 40 | 30 | 5 | 150 | 5.5 |
| CE16-1-1000 | 標準形 | 1 | 標準(スチール) | 16 | 774 | 1180 | 45 | 25 | 2.5 | 45 | 45 | 32 | 30 | 9 | 12 | M5 | - | 33 | 1000 | 6 | 50 | 40 | 30 | 5 | 150 | 5.5 |
| CE16-1-1500 | 標準形 | 1 | 標準(スチール) | 16 | 774 | 1180 | 45 | 25 | 2.5 | 45 | 45 | 32 | 30 | 9 | 12 | M5 | - | 33 | 1500 | 9 | 75 | 40 | 30 | 5 | 150 | 5.5 |
| CE16-1-1800 | 標準形 | 1 | 標準(スチール) | 16 | 774 | 1180 | 45 | 25 | 2.5 | 45 | 45 | 32 | 30 | 9 | 12 | M5 | - | 33 | 1800 | 11 | 75 | 40 | 30 | 5 | 150 | 5.5 |
| CE16-1-2000 | 標準形 | 1 | 標準(スチール) | 16 | 774 | 1180 | 45 | 25 | 2.5 | 45 | 45 | 32 | 30 | 9 | 12 | M5 | - | 33 | 2000 | 13 | 25 | 40 | 30 | 5 | 150 | 5.5 |
| CE20-1-300 | 標準形 | 1 | 標準(スチール) | 20 | 882 | 1370 | 50 | 27 | 1.5 | 48 | 50 | 35 | 35 | 11 | 12 | M6 | - | 39 | 300 | 1 | 75 | 45 | 30 | 5 | 150 | 5.5 |
| CE20-1-500 | 標準形 | 1 | 標準(スチール) | 20 | 882 | 1370 | 50 | 27 | 1.5 | 48 | 50 | 35 | 35 | 11 | 12 | M6 | - | 39 | 500 | 3 | 25 | 45 | 30 | 5 | 150 | 5.5 |
| CE20-1-800 | 標準形 | 1 | 標準(スチール) | 20 | 882 | 1370 | 50 | 27 | 1.5 | 48 | 50 | 35 | 35 | 11 | 12 | M6 | - | 39 | 800 | 5 | 25 | 45 | 30 | 5 | 150 | 5.5 |
| 型式 | 商品コード | 単位 |
価格 (円) |
基準納期 | |
|---|---|---|---|---|---|
| 日伝 | メーカー | ||||
| CE16-1-300 | CE16-1-300 | P | 18,740 | - | - |
| CE16-1-500 | CE16-1-500 | P | 25,010 | - | - |
| CE16-1-800 | CE16-1-800 | P | 34,800 | - | - |
| CE16-1-1000 | CE16-1-1000 | P | 41,460 | - | - |
| CE16-1-1500 | CE16-1-1500 | P | 57,780 | - | - |
| CE16-1-1800 | CE16-1-1800 | P | 67,570 | - | - |
| CE16-1-2000 | CE16-1-2000 | P | 74,230 | - | - |
| CE20-1-300 | CE20-1-300 | P | 21,780 | - | - |
| CE20-1-500 | CE20-1-500 | P | 28,680 | - | - |
| CE20-1-800 | CE20-1-800 | P | 39,230 | - | - |
製品についてのご質問やお困りごとなどお気軽にご相談ください!