・エコノミータイプの支持台にブロックとシャフトを組合せており、コストを大幅に削減します。
・支持台は2000mm、シャフトは4500mmまで継ぐことなく制作できます。
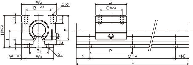
共通仕様
| ブロック | CE・CES:標準形ブロック CD・CDS:すきま調整形ブロック |
|---|---|
| 本体材質 | CE・CD:スチール製 CES・CDS:ステンレス製 |
| 保持器材質 | 樹脂製保持器 |
| シール | 両側シール |
日本ベアリング
・エコノミータイプの支持台にブロックとシャフトを組合せており、コストを大幅に削減します。
・支持台は2000mm、シャフトは4500mmまで継ぐことなく制作できます。
| ブロック | CE・CES:標準形ブロック CD・CDS:すきま調整形ブロック |
|---|---|
| 本体材質 | CE・CD:スチール製 CES・CDS:ステンレス製 |
| 保持器材質 | 樹脂製保持器 |
| シール | 両側シール |
224件の型式
| 型式 | シリーズ |
ブロック 個数 |
材質 |
軸径 (mm) |
基本動 定格荷重 C(N) |
基本静 定格荷重 C0(N) |
組立寸法(mm) | ブロック寸法(mm) | ガイドレール寸法(mm) | |||||||||||||||||
|---|---|---|---|---|---|---|---|---|---|---|---|---|---|---|---|---|---|---|---|---|---|---|---|---|---|---|
| H | h | W1 | W2 | L1 | B1 | C | T1 | f | S1 | G | F | L | M | N | W3 | B2 | T2 | P | S2 | |||||||
| CES20-1-1800 | 標準形 | 1 | 耐食(ステンレス) | 20 | 882 | 1370 | 50 | 27 | 1.5 | 48 | 50 | 35 | 35 | 11 | 12 | M6 | - | 39 | 1800 | 11 | 75 | 45 | 30 | 5 | 150 | 5.5 |
| CES20-1-2000 | 標準形 | 1 | 耐食(ステンレス) | 20 | 882 | 1370 | 50 | 27 | 1.5 | 48 | 50 | 35 | 35 | 11 | 12 | M6 | - | 39 | 2000 | 13 | 25 | 45 | 30 | 5 | 150 | 5.5 |
| CES25-1-300 | 標準形 | 1 | 耐食(ステンレス) | 25 | 980 | 1570 | 60 | 33 | 2.5 | 60 | 65 | 40 | 40 | 14 | 12 | M6 | - | 47 | 300 | 1 | 50 | 55 | 35 | 6 | 200 | 6.5 |
| CES25-1-500 | 標準形 | 1 | 耐食(ステンレス) | 25 | 980 | 1570 | 60 | 33 | 2.5 | 60 | 65 | 40 | 40 | 14 | 12 | M6 | - | 47 | 500 | 2 | 50 | 55 | 35 | 6 | 200 | 6.5 |
| CES25-1-800 | 標準形 | 1 | 耐食(ステンレス) | 25 | 980 | 1570 | 60 | 33 | 2.5 | 60 | 65 | 40 | 40 | 14 | 12 | M6 | - | 47 | 800 | 3 | 100 | 55 | 35 | 6 | 200 | 6.5 |
| CES25-1-1000 | 標準形 | 1 | 耐食(ステンレス) | 25 | 980 | 1570 | 60 | 33 | 2.5 | 60 | 65 | 40 | 40 | 14 | 12 | M6 | - | 47 | 1000 | 4 | 100 | 55 | 35 | 6 | 200 | 6.5 |
| CES25-1-1500 | 標準形 | 1 | 耐食(ステンレス) | 25 | 980 | 1570 | 60 | 33 | 2.5 | 60 | 65 | 40 | 40 | 14 | 12 | M6 | - | 47 | 1500 | 7 | 50 | 55 | 35 | 6 | 200 | 6.5 |
| CES25-1-1800 | 標準形 | 1 | 耐食(ステンレス) | 25 | 980 | 1570 | 60 | 33 | 2.5 | 60 | 65 | 40 | 40 | 14 | 12 | M6 | - | 47 | 1800 | 8 | 100 | 55 | 35 | 6 | 200 | 6.5 |
| CES25-1-2000 | 標準形 | 1 | 耐食(ステンレス) | 25 | 980 | 1570 | 60 | 33 | 2.5 | 60 | 65 | 40 | 40 | 14 | 12 | M6 | - | 47 | 2000 | 9 | 100 | 55 | 35 | 6 | 200 | 6.5 |
| CES30-1-300 | 標準形 | 1 | 耐食(ステンレス) | 30 | 1570 | 2740 | 70 | 37 | 5 | 70 | 70 | 50 | 50 | 15 | 18 | M8 | - | 56 | 300 | 1 | 50 | 60 | 40 | 7 | 200 | 6.5 |
| 型式 | 商品コード | 単位 |
価格 (円) |
基準納期 | |
|---|---|---|---|---|---|
| 日伝 | メーカー | ||||
| CES20-1-1800 | CES20-1-1800 | P | 105,150 | - | - |
| CES20-1-2000 | CES20-1-2000 | P | 115,310 | - | - |
| CES25-1-300 | CES25-1-300 | P | 34,160 | - | - |
| CES25-1-500 | CES25-1-500 | P | 45,330 | - | - |
| CES25-1-800 | CES25-1-800 | P | 62,390 | - | - |
| CES25-1-1000 | CES25-1-1000 | P | 73,820 | - | - |
| CES25-1-1500 | CES25-1-1500 | P | 102,560 | - | - |
| CES25-1-1800 | CES25-1-1800 | P | 119,760 | - | - |
| CES25-1-2000 | CES25-1-2000 | P | 131,050 | - | - |
| CES30-1-300 | CES30-1-300 | P | 41,910 | - | - |
製品についてのご質問やお困りごとなどお気軽にご相談ください!