・NBスライドテーブルはスライドウェイを組み込んだ精密テーブルです。
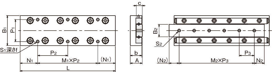
・一体形の軌道台を使用した薄形・コンパクトなスライドテーブルです。タップタイプとザグリ穴タイプ(D形)の2種類が用意されており、使用状況にあわせて選択できます。
・耐食形のSYTS形はすべての構造部品をステンレス鋼で製作しています。
日本ベアリング
スライドテーブル NYT
詳細仕様
28件の型式
| 型式 | 材質 |
ストローク ST (mm) |
主要寸法 | テーブル面取付穴寸法 | ベッド面取付穴寸法 | 精度(振れ) | 基本定格荷重 |
許容荷重 F (N) |
静的許容モーメント | 質量(g) | |||||||||||||||||||||
|---|---|---|---|---|---|---|---|---|---|---|---|---|---|---|---|---|---|---|---|---|---|---|---|---|---|---|---|---|---|---|---|
| A | B1 | L (mm) | b (mm) | B2 (mm) | c (mm) | P1 (mm) | S1 | f (mm) | N1 (mm) | M1×P2 (mm) | S2 | N2 (mm) | M2×P3 (mm) | d×D×h (mm) | f1 (mm) | f2 (mm) | f3 (mm) | T (μm) | S (μm) | 動 C (N) | 静 CO (N) | MP (N・m) | MY (N・m) | MR (N・m) | |||||||
| (mm) | 公差 | (mm) | 公差 | ||||||||||||||||||||||||||||
| NYT3130 | 標準(スチール製) | 75 | 16 | ±0.1 | 40 | ±0.1 | 130 | 15.5 | 16.7 | 8 | 30 | M4 | 7 | 27.5 | 1×75 | M4 | 15 | 4×25 | - | - | - | - | 3 | 5 | 14400 | 24200 | 8060 | 302 | 319 | 121 | 570 |
| NYTS3130 | 耐食(ステンレス製) | 75 | 16 | ±0.1 | 40 | ±0.1 | 130 | 15.5 | 16.7 | 8 | 30 | M4 | 7 | 27.5 | 1×75 | M4 | 15 | 4×25 | - | - | - | - | 3 | 5 | 14400 | 24200 | 8060 | 302 | 319 | 121 | 570 |
| NYT3155 | 標準(スチール製) | 90 | 16 | ±0.1 | 40 | ±0.1 | 155 | 15.5 | 16.7 | 8 | 30 | M4 | 7 | 27.5 | 2×50 | M4 | 15 | 5×25 | - | - | - | - | 3 | 5 | 16300 | 28200 | 9410 | 508 | 505 | 191 | 665 |
| NYTS3155 | 耐食(ステンレス製) | 90 | 16 | ±0.1 | 40 | ±0.1 | 155 | 15.5 | 16.7 | 8 | 30 | M4 | 7 | 27.5 | 2×50 | M4 | 15 | 5×25 | - | - | - | - | 3 | 5 | 16300 | 28200 | 9410 | 508 | 505 | 191 | 665 |
| NYT3180 | 標準(スチール製) | 105 | 16 | ±0.1 | 40 | ±0.1 | 180 | 15.5 | 16.7 | 8 | 30 | M4 | 7 | 52.5 | 1×75 | M4 | 15 | 6×25 | - | - | - | - | 3 | 5 | 18100 | 32200 | 10700 | 630 | 635 | 208 | 780 |
| NYTS3180 | 耐食(ステンレス製) | 105 | 16 | ±0.1 | 40 | ±0.1 | 180 | 15.5 | 16.7 | 8 | 30 | M4 | 7 | 52.5 | 1×75 | M4 | 15 | 6×25 | - | - | - | - | 3 | 5 | 18100 | 32200 | 10700 | 630 | 635 | 208 | 780 |
| NYT3205 | 標準(スチール製) | 130 | 16 | ±0.1 | 40 | ±0.1 | 205 | 15.5 | 16.7 | 8 | 30 | M4 | 7 | 27.5 | 2×75 | M4 | 15 | 7×25 | - | - | - | - | 3 | 5 | 19800 | 36300 | 12100 | 763 | 779 | 225 | 890 |
| NYTS3205 | 耐食(ステンレス製) | 130 | 16 | ±0.1 | 40 | ±0.1 | 205 | 15.5 | 16.7 | 8 | 30 | M4 | 7 | 27.5 | 2×75 | M4 | 15 | 7×25 | - | - | - | - | 3 | 5 | 19800 | 36300 | 12100 | 763 | 779 | 225 | 890 |
| 型式 | 商品コード | 単位 |
価格 (円) |
基準納期 | |
|---|---|---|---|---|---|
| 日伝 | メーカー | ||||
| NYT3130 | NYT3130 | P | 61,700 | - | - |
| NYTS3130 | NYTS3130 | P | 92,500 | - | - |
| NYT3155 | NYT3155 | P | 71,600 | - | - |
| NYTS3155 | NYTS3155 | P | 108,100 | - | - |
| NYT3180 | NYT3180 | P | 81,300 | - | - |
| NYTS3180 | NYTS3180 | P | 122,200 | - | - |
| NYT3205 | NYT3205 | P | 94,000 | - | - |
| NYTS3205 | NYTS3205 | P | 137,300 | - | - |
この製品を見た人はこのような製品も見ています
製品についてのご質問やお困りごとなどお気軽にご相談ください!
Loading...

