■スウェイジ継手は、ホースに加締めて使用する継手です。
■加締機による丸締め方式
・ホースとの加締め(アセンブリ)は専用の手動式アセンブリツール[マーク10]、油圧式アセンブリマシン[マーク9]を使用することにより誰でも簡単に行なえます。
ニッタ
ラインメイト樹脂ホース用継手|スウェイジタイプ
詳細仕様
168件の型式
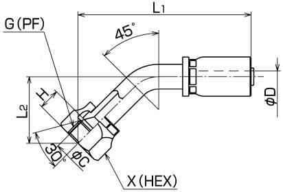
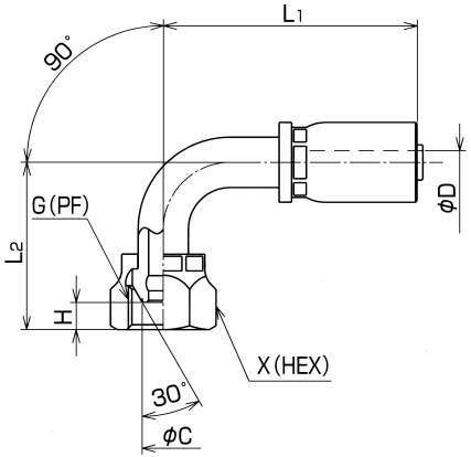
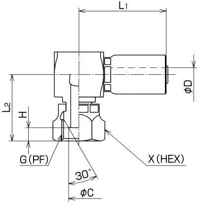
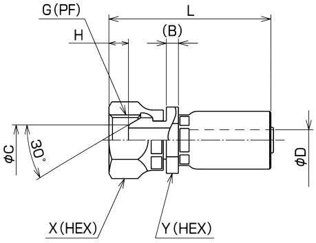
| 型式 | 形状 | 材質 |
呼称 サイズ |
ねじ径 |
A (mm) |
B (mm) |
B1 (mm) |
B2 (mm) |
C (mm) |
最小内径 D (mm) |
H (mm) |
L (mm) |
L1 (mm) |
L2 (mm) |
X (mm) |
Y (mm) |
概略 質量 (g) |
適用ホース | |||||||||||||||
|---|---|---|---|---|---|---|---|---|---|---|---|---|---|---|---|---|---|---|---|---|---|---|---|---|---|---|---|---|---|---|---|---|---|
| LB70 | LF70 | 1000 | 1100 | 1400 | 1500 | N3130 | 3130 | N3000 | 3000 | 3700 | HT | 3R80 | 5501 | 3450 | 34PW | ||||||||||||||||||
| SE-PF-06 | SE | スチール | 06 | G3/8 | - | 9.5 | - | - | 12.3 | 6.8 | 10.0 | 71 | - | - | 22 | 19 | 100 | - | - | - | - | - | - | ○ | ○ | - | ○ | ○ | - | - | - | - | - |
| SE-PF-08 | SE | スチール | 08 | G1/2 | - | 9.0 | - | - | 15.5 | 10.0 | 12.5 | 80 | - | - | 27 | 27 | 170 | - | - | - | - | - | - | ○ | ○ | - | ○ | ○ | - | - | - | - | - |
| SE-PF-12 | SE | スチール | 12 | G3/4 | - | 10.5 | - | - | 21.5 | 16.0 | 13.0 | 87 | - | - | 36 | 36 | 280 | ○ | - | - | - | - | - | ○ | ○ | - | ○ | - | - | - | - | - | - |
| SE-PF-16 | SE | スチール | 16 | G1 | - | 11.0 | - | - | 27.5 | 20.9 | 15.0 | 105 | - | - | 41 | 41 | 400 | ○ | - | - | - | - | - | ○ | - | - | ○ | - | - | - | - | - | - |
| SE-PF-06-N30 | SE | スチール | 06 | G3/8 | - | 9.5 | - | - | 12.3 | 6.8 | 9.5 | 71 | - | - | 22 | 19 | 110 | - | - | - | - | - | - | - | - | ○ | - | - | ○ | ○ | - | - | - |
| SE-PF-08-N30 | SE | スチール | 08 | G1/2 | - | 9.0 | - | - | 15.5 | 10.0 | 12.5 | 80 | - | - | 27 | 27 | 170 | - | - | - | - | - | - | - | - | ○ | - | - | ○ | ○ | - | - | - |
| SE-PF-10-N30 | SE | スチール | 10 | G3/4 | - | 10.5 | - | - | 21.0 | 13.1 | 13.0 | 84 | - | - | 32 | 32 | 220 | ○ | - | - | - | - | - | - | - | ○ | - | - | ○ | - | - | - | - |
| SE-PF-03-3R | SE | スチール | 03 | G1/4 | - | 6.0 | - | - | 9.5 | 2.8 | 8.0 | 55 | - | - | 19 | 19 | 60 | - | - | - | - | - | - | - | - | - | - | - | - | ○ | - | - | - |
| SE-PF-04-3R | SE | スチール | 04 | G1/4 | - | 8.5 | - | - | 9.5 | 3.9 | 8.0 | 63 | - | - | 19 | 19 | 80 | - | - | - | - | - | - | - | - | - | - | - | - | ○ | - | - | - |
| SE-PF-12-3R | SE | スチール | 12 | G3/4 | - | 10.5 | - | - | 21.5 | 16.0 | 13.0 | 87 | - | - | 36 | 36 | 280 | - | - | - | - | - | - | - | - | - | - | - | - | ○ | - | - | - |
| 型式 | 商品コード | 単位 |
価格 (円) |
基準納期 | |
|---|---|---|---|---|---|
| 日伝 | メーカー | ||||
| SE-PF-06 | SE-PF-06 | P | 1,449 | 在庫品 | 在庫品 |
| SE-PF-08 | SE-PF-08 | P | 1,856 | 在庫品 | 在庫品 |
| SE-PF-12 | SE-PF-12 | P | 2,475 | 在庫品 | 在庫品 |
| SE-PF-16 | SE-PF-16 | P | 3,040 | 在庫品 | 在庫品 |
| SE-PF-06-N30 | SE-PF-06-N30 | P | 1,615 | 在庫品 | 在庫品 |
| SE-PF-08-N30 | SE-PF-08-N30 | P | 1,943 | 在庫品 | 在庫品 |
| SE-PF-10-N30 | SE-PF-10-N30 | P | 2,431 | - | 在庫品 |
| SE-PF-03-3R | SE-PF-03-3R | P | 1,502 | - | 在庫品 |
| SE-PF-04-3R | SE-PF-04-3R | P | 1,502 | 在庫品 | 在庫品 |
| SE-PF-12-3R | SE-PF-12-3R | P | 2,704 | 在庫品 | 在庫品 |
この製品を見た人はこのような製品も見ています
製品についてのご質問やお困りごとなどお気軽にご相談ください!
Loading...

