■スウェイジ継手は、ホースに加締めて使用する継手です。
■加締機による丸締め方式
・ホースとの加締め(アセンブリ)は専用の手動式アセンブリツール[マーク10]、油圧式アセンブリマシン[マーク9]を使用することにより誰でも簡単に行なえます。
ニッタ
ラインメイト樹脂ホース用継手|スウェイジタイプ
詳細仕様
168件の型式
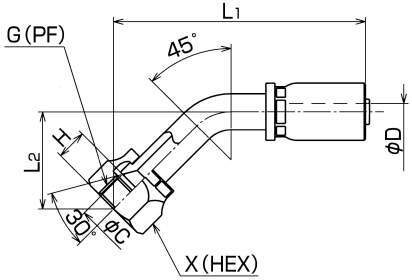
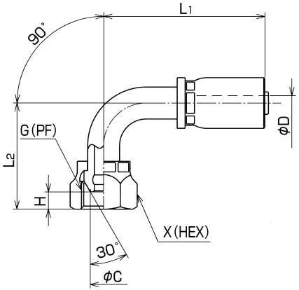
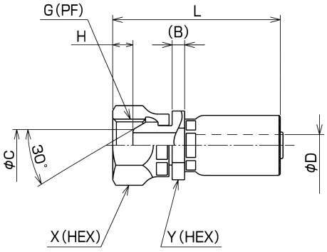
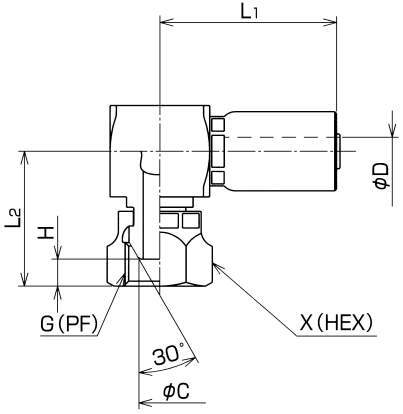
| 型式 | 形状 | 材質 |
呼称 サイズ |
ねじ径 |
A (mm) |
B (mm) |
B1 (mm) |
B2 (mm) |
C (mm) |
最小内径 D (mm) |
H (mm) |
L (mm) |
L1 (mm) |
L2 (mm) |
X (mm) |
Y (mm) |
概略 質量 (g) |
適用ホース | |||||||||||||||
|---|---|---|---|---|---|---|---|---|---|---|---|---|---|---|---|---|---|---|---|---|---|---|---|---|---|---|---|---|---|---|---|---|---|
| LB70 | LF70 | 1000 | 1100 | 1400 | 1500 | N3130 | 3130 | N3000 | 3000 | 3700 | HT | 3R80 | 5501 | 3450 | 34PW | ||||||||||||||||||
| SF-PF-10-N30 | SF | スチール | 10 | G3/4 | - | 10.5 | - | - | 19.0 | 13.1 | 9.5 | 84 | - | - | 32 | 32 | 220 | ○ | - | - | - | - | - | - | - | ○ | - | - | ○ | - | - | - | - |
| SF-PF-03-3R | SF | スチール | 03 | G1/4 | - | 6.0 | - | - | 7.5 | 2.8 | 5.5 | 55 | - | - | 19 | 19 | 60 | ○ | - | - | - | - | - | - | - | - | - | - | - | ○ | - | - | - |
| SF-PF-04-3R | SF | スチール | 04 | G1/4 | - | 8.5 | - | - | 7.5 | 3.9 | 5.5 | 63 | - | - | 19 | 19 | 80 | - | - | - | - | - | - | - | - | - | - | - | - | ○ | - | - | - |
| SF-PF-12-3R | SF | スチール | 12 | G3/4 | - | 10.5 | - | - | 19.0 | 16.0 | 9.5 | 87 | - | - | 36 | 36 | 280 | - | - | - | - | - | - | - | - | - | - | - | - | ○ | - | - | - |
| SF-PF-16-3R | SF | スチール | 16 | G1 | - | 11.0 | - | - | 25.4 | 20.9 | 10.0 | 105 | - | - | 41 | 41 | 410 | - | - | - | - | - | - | - | - | - | - | - | - | ○ | - | - | - |
| SSF-PF-02-S | SF | SUS304 | 02 | G1/8 | - | 4.0 | - | - | 5.0 | 1.8 | 3.0 | 41 | - | - | 14 | 14 | 25 | - | - | - | - | - | - | - | ○ | - | - | - | - | - | - | - | - |
| SF-PF-04-14-S | SF | SUS304 | 04 | G1/4 | - | 4.0 | - | - | 7.5 | 3.5 | 5.5 | 49 | - | - | 17 | 17 | 56 | - | - | ○ | ○ | ○ | - | - | - | - | - | - | - | - | - | - | - |
| SF-PF-06-14-S | SF | SUS304 | 06 | G3/8 | - | 4.0 | - | - | 10.0 | 6.8 | 6.5 | 53 | - | - | 22 | 19 | 75 | - | - | ○ | ○ | ○ | - | - | - | - | - | - | - | - | - | - | - |
| SF-PF-08-14-S | SF | SUS304 | 08 | G1/2 | - | 4.5 | - | - | 13.2 | 9.5 | 9.0 | 61 | - | - | 27 | 24 | 125 | - | - | ○ | ○ | - | - | - | - | - | - | - | - | - | - | - | - |
| SF-PF-04-S | SF | SUS304 | 04 | G1/4 | - | 8.5 | - | - | 7.5 | 3.9 | 5.5 | 63 | - | - | 19 | 19 | 80 | - | - | - | - | - | - | ○ | ○ | - | ○ | ○ | - | - | - | - | - |
| 型式 | 商品コード | 単位 |
価格 (円) |
基準納期 | |
|---|---|---|---|---|---|
| 日伝 | メーカー | ||||
| SF-PF-10-N30 | SF-PF-10-N30 | P | 2,431 | - | 在庫品 |
| SF-PF-03-3R | SF-PF-03-3R | P | 1,502 | - | 在庫品 |
| SF-PF-04-3R | SF-PF-04-3R | P | 1,502 | 在庫品 | 在庫品 |
| SF-PF-12-3R | SF-PF-12-3R | P | 2,704 | - | 在庫品 |
| SF-PF-16-3R | SF-PF-16-3R | P | 3,447 | - | 在庫品 |
| SSF-PF-02-S | SSF-PF-02-S | P | 4,146 | - | お問合 |
| SF-PF-04-14-S | SF-PF-04-14-S | P | 6,572 | - | お問合 |
| SF-PF-06-14-S | SF-PF-06-14-S | P | 7,667 | - | お問合 |
| SF-PF-08-14-S | SF-PF-08-14-S | P | 10,171 | - | お問合 |
| SF-PF-04-S | SF-PF-04-S | P | 4,850 | - | お問合 |
この製品を見た人はこのような製品も見ています
製品についてのご質問やお困りごとなどお気軽にご相談ください!
Loading...

