ミリ
-
ミリ
-
インチ
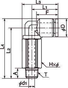
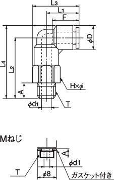
一般空気圧用プッシュワン継手(難燃性)
・チューブはプッシュワン接続です。
・無電解ニッケルめっき処理を施しています。
・難燃性樹脂(UL94規格V-0相当)採用。
・Rねじ部にシール加工。
共通仕様
| シリーズ | プッシュワンEシリーズ |
|---|---|
| 使用流体 | 空気、水 |
| 使用温度範囲:空気 | -20℃~+80℃ |
| 使用温度範囲:水 | 0℃~+40℃ |
| 最高使用圧力 | 1.0MPa |
| 負圧性能 | -99.975kPa |

