形状:6F
-
形状:6F
共通仕様
| 形状 | 33F・6・6F・6W |
|---|---|
| 材質 | 鉄 |
ゲイツ・ユニッタ・アジア
118件の型式
| 型式 | 歯形 | 材質 | 形状 | 歯数 |
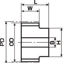
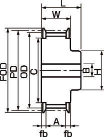
ベルト 呼び幅 |
ベルト幅 (mm) |
ピッチ円直径 PD (mm) |
歯先円直径 OD (mm) |
W (mm) |
L (mm) |
A (mm) |
fb (mm) |
X (mm) |
段付け径 C (mm) |
ボス径 H (mm) |
下穴径 B (mm) |
フランジ | |||
|---|---|---|---|---|---|---|---|---|---|---|---|---|---|---|---|---|---|---|---|---|
| 型式 | 外径FOD(mm) | 内径FID(mm) | 厚さt(mm) | |||||||||||||||||
| 10L050-33F | L | S45C | 33F | 10 | 050 | 19.1 | 30.32 | 29.56 | 19.1 | - | 14.2 | 2.45 | - | 25.0 | - | 7.0 | FS15035025 | 35.0 | 25.0 | 1.5 |
| 12L050-33F | L | S45C | 33F | 12 | 050 | 19.1 | 36.38 | 35.62 | 19.1 | - | 14.2 | 2.45 | - | 31.0 | - | 8.0 | FS15045031 | 45.0 | 31.0 | 1.5 |
| 14L050-33F | L | S45C | 33F | 14 | 050 | 19.1 | 42.45 | 41.68 | 19.1 | - | 14.2 | 2.45 | - | 36.0 | - | 10.0 | FS15048036 | 48.0 | 36.0 | 1.5 |
| 15L050-33F | L | S45C | 33F | 15 | 050 | 19.1 | 45.48 | 44.72 | 19.1 | - | 14.2 | 2.45 | - | 36.0 | - | 10.0 | FS15052036 | 52.0 | 36.0 | 1.5 |
| 16L050-33F | L | S45C | 33F | 16 | 050 | 19.1 | 48.51 | 47.75 | 19.1 | - | 14.2 | 2.45 | - | 41.0 | - | 12.0 | FS15055041 | 55.0 | 41.0 | 1.5 |
| 18L050-33F | L | S45C | 33F | 18 | 050 | 19.1 | 54.57 | 53.81 | 19.1 | - | 14.2 | 2.45 | - | 46.0 | - | 12.0 | FS15061046 | 61.0 | 46.0 | 1.5 |
| 19L050-33F | L | S45C | 33F | 19 | 050 | 19.1 | 57.61 | 56.84 | 19.1 | - | 14.2 | 2.45 | - | 51.0 | - | 12.0 | FS15067051 | 67.0 | 51.0 | 1.5 |
| 20L050-33F | L | S45C | 33F | 20 | 050 | 19.1 | 60.64 | 59.88 | 19.1 | - | 14.2 | 2.45 | - | 51.0 | - | 12.0 | FS15067051 | 67.0 | 51.0 | 1.5 |
| 21L050-33F | L | S45C | 33F | 21 | 050 | 19.1 | 63.67 | 62.91 | 19.1 | - | 14.2 | 2.45 | - | 56.0 | - | 12.0 | FS15070056 | 70.0 | 56.0 | 1.5 |
| 22L050-33F | L | S45C | 33F | 22 | 050 | 19.1 | 66.70 | 65.94 | 19.1 | - | 14.2 | 2.45 | - | 61.0 | - | 12.0 | FS15076061 | 76.0 | 61.0 | 1.5 |
| 型式 | 商品コード | 単位 |
価格 (円) |
基準納期 | |
|---|---|---|---|---|---|
| 日伝 | メーカー | ||||
| 10L050-33F | 10L050-33F | P | 2,680 | - | 在庫品 |
| 12L050-33F | 12L050-33F | P | 2,710 | - | 在庫品 |
| 14L050-33F | 14L050-33F | P | 2,840 | 在庫品 | 在庫品 |
| 15L050-33F | 15L050-33F | P | 2,990 | - | 在庫品 |
| 16L050-33F | 16L050-33F | P | 3,170 | - | 在庫品 |
| 18L050-33F | 18L050-33F | P | 3,480 | - | 在庫品 |
| 19L050-33F | 19L050-33F | P | 3,620 | - | 在庫品 |
| 20L050-33F | 20L050-33F | P | 3,740 | 在庫品 | 在庫品 |
| 21L050-33F | 21L050-33F | P | 3,920 | - | 在庫品 |
| 22L050-33F | 22L050-33F | P | 4,020 | - | 在庫品 |
製品についてのご質問やお困りごとなどお気軽にご相談ください!