・片ツバ鋳放し車輪
永瀬工場
チルド車輪 (外周焼入れ車輪)
詳細仕様
54件の型式
| 型式 | 材質 |
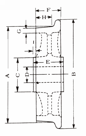
車径 φA (mm) |
B (φmm) |
C (mm) |
φD (mm) |
E (mm) |
F (mm) |
G (mm) |
H (mm) |
I(mm) |
1ヶ当りの 最大荷重 (kg) |
|---|---|---|---|---|---|---|---|---|---|---|---|
| 153A | チルド鋳鉄製 | 153 | 188 | 80 | 23 | 75 | 63 | 18 | 40 | 4 | 700 |
| 153A | 鋳鉄製 | 153 | 188 | 80 | 23 | 75 | 63 | 18 | 40 | 4 | 700 |
| 153特A | チルド鋳鉄製 | 153 | 190 | 85 | 25 | 95 | 84 | 18 | 60 | 7 | 800 |
| 178 | チルド鋳鉄製 | 178 | 208 | 75 | 30 | 76 | 60 | 9 | 40 | 8 | 300 |
| 178A | チルド鋳鉄製 | 178 | 209 | 85 | 30 | 90 | 66 | 18 | 45 | 11 | 700 |
| 178特A | チルド鋳鉄製 | 178 | 215 | 100 | 30 | 100 | 85 | 20 | 60 | 8 | 900 |
| 200 | チルド鋳鉄製・製陶用 | 200 | 220 | 73 | 30 | 62 | 50 | 15 | 35 | 4 | 300 |
| 203 | チルド鋳鉄製 | 203 | 232 | 78 | 30 | 80 | 60 | 11 | 40 | 9 | 300 |
| 203A | チルド鋳鉄製 | 203 | 235 | 95 | 30 | 85 | 70 | 18 | 47 | 7 | 700 |
| 203特A | チルド鋳鉄製 | 203 | 243 | 110 | 35 | 103 | 87 | 20 | 60 | 8 | 1000 |
-
| 型式 | 商品コード | 単位 |
価格 (円) |
基準納期 | |
|---|---|---|---|---|---|
| 日伝 | メーカー | ||||
| 153A | 153A-チルドチュウテツ | P | 21,700 | - | - |
| 153A | 153A | P | 21,700 | 在庫品 | 在庫品 |
| 153特A | 153TA | P | 29,300 | - | - |
| 178 | 178 | P | 18,800 | - | 在庫品 |
| 178A | 178A | P | 28,600 | 在庫品 | 在庫品 |
| 178特A | 178TA | P | 40,700 | - | - |
| 200 | 200 | P | 18,200 | - | 在庫品 |
| 203 | 203 | P | 21,600 | 在庫品 | 在庫品 |
| 203A | 203A | P | 33,600 | 在庫品 | 在庫品 |
| 203特A | 203TA | P | 48,800 | 在庫品 | - |
この製品を見た人はこのような製品も見ています
製品についてのご質問やお困りごとなどお気軽にご相談ください!
Loading...

