日本精工
フランジ付き小径玉軸受(単列深溝玉軸受)
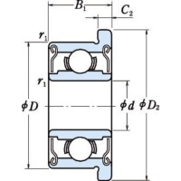
詳細仕様
43件の型式
| 型式 | 呼び番号 | シール・シールド |
内径 d (mm) |
外径 D (mm) |
幅 B・B1 (mm) |
フランジ外径 D1 (mm) |
フランジ幅 C・C1 (mm) |
r・r1 (mm) 最小 |
基本定格荷重(N) | 許容回転数(min-1) | 取付関係寸法(mm) |
質量 (g) |
|||||
|---|---|---|---|---|---|---|---|---|---|---|---|---|---|---|---|---|---|
| Cr | C0r | グリース潤滑 | 油潤滑 | da最小 | db最大 | ra最小 | rb最大 | ||||||||||
| F683AZZ | F683A | 両側シールド形 | 3 | 7 | 3 | 8.1 | 0.8 | 0.1 | 425 | 130 | 63000 | - | - | 4.0 | - | 0.10 | 0.53 |
| F683ZZ-C | F683A | 両側シールド形 | 3 | 7 | 3 | 8.1 | 0.8 | 0.1 | 425 | 130 | 63000 | - | - | 4.0 | - | 0.10 | 0.53 |
| F693ZZ | F693 | 両側シールド形 | 3 | 8 | 4 | 9.5 | 0.9 | 0.15 | 615 | 179 | 60000 | - | - | 4.3 | - | 0.15 | 0.97 |
| F623ZZ | F623 | 両側シールド形 | 3 | 10 | 4 | 11.5 | 1 | 0.15 | 695 | 218 | 50000 | - | - | 4.3 | - | 0.15 | 1.86 |
| MF63ZZ | MF63 | 両側シールド形 | 3 | 6 | 2.5 | 7.2 | 0.6 | 0.1 | 230 | 74 | 71000 | - | - | 3.7 | - | 0.10 | 0.33 |
| F623ZZ | F623 | 両側シールド形 | 3 | 10 | 4 | 11.5 | 1 | 0.15 | 695 | 218 | 50000 | - | - | 4.3 | - | 0.15 | 1.86 |
| F604ZZ | F604 | 両側シールド形 | 4 | 12 | 4 | 13.5 | 1 | 0.2 | 1050 | 345 | 48000 | - | - | 5.6 | - | 0.20 | 2.53 |
| F624ZZ | F624 | 両側シールド形 | 4 | 13 | 5 | 15 | 1 | 0.2 | 1430 | 485 | 40000 | - | - | 6.0 | - | 0.20 | 3.53 |
| F684ZZ | F684 | 両側シールド形 | 4 | 9 | 4 | 10.3 | 1 | 0.15 | 705 | 225 | 53000 | - | - | 5.2 | - | 0.10 | 1.14 |
| F634ZZ1 | F634 | 両側シールド形 | 4 | 16 | 5 | 18 | 1 | 0.3 | 1910 | 670 | 36000 | - | - | 7.5 | - | 0.30 | 5.62 |
| 型式 | 商品コード | 単位 |
価格 (円) |
基準納期 | |
|---|---|---|---|---|---|
| 日伝 | メーカー | ||||
| F683AZZ | F683ZZ | P | 690 | 在庫品 | 在庫品 |
| F683ZZ-C | F683ZZ-C | P | 700 | - | - |
| F693ZZ | F693ZZ | P | 790 | 在庫品 | 在庫品 |
| F623ZZ | F623ZZ | P | 770 | 在庫品 | 在庫品 |
| MF63ZZ | MF63ZZ | P | 700 | 在庫品 | 在庫品 |
| F623ZZ | F623ZZ-C | P | 790 | - | - |
| F604ZZ | F604ZZ | P | 790 | 在庫品 | 在庫品 |
| F624ZZ | F624ZZ | P | 790 | 在庫品 | 在庫品 |
| F684ZZ | F684ZZ | P | 790 | 在庫品 | 在庫品 |
| F634ZZ1 | F634ZZ | P | 790 | 在庫品 | 在庫品 |
この製品を見た人はこのような製品も見ています
製品についてのご質問やお困りごとなどお気軽にご相談ください!
Loading...

