モノづくりの困ったを解決する総合サイト

Produced by

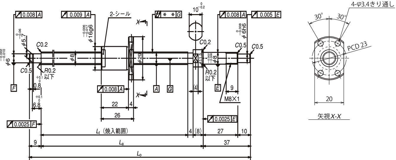
標準ボールねじ(軸端完成品)|ミニアチュア(小リード)ボールねじ MA

MA形は、ミニアチュア・小リードの精密ボールねじ(軸単完成品)です。

■循環方式
【こま式】
・隣接するピッチ(リード)間に馬蹄形状のものを渡して循環する方式
・小リードのものに適してる
・ナット外径が小さく、コンパクト設計が可能

■他の追従を許さない高精度
・NSKが開発した研削方式、計測機器により高精度を実現しました

■優れた耐久性
・清浄度の高い合金鋼を使用し、優れた耐久性を実現しました

■バックラッシュがなく高剛性
・NSKボールねじはゴシックアーク溝形状を採用することにより、ボールと溝のすきまを極小にできます
・さらに予圧を与えることによりすきんまをゼロにでき、バックラッシュはありません。
・また、予圧量を管理することにより、使用条件に応じた剛性が得られます
・予圧を与えていない場合でも、ボールと溝のすきまを極小にできるので、バックラッシュは微小です

■円滑な動作で高効率
・サーキュラ溝ではボールがナットとねじ軸の溝にくさび的に食込む現象を生じますが、ゴッシックアーク溝にはこのようなことがありません
・このことと、本来ボールねじが持つ低摩擦と相まって円滑な動作の高効率の運動転換ができます

#ボールねじ

詳細仕様

  • 92件中 31-40件

  • 表示件数

92件の型式

型式 ねじ軸径 リード ねじれ方向 ボール径 ねじ軸谷径 有効巻数 ストローク ねじ軸長さ リード精度 軸心の振れ 質量
(kg)
基本定格荷重(N) 許容回転数N(min-1) 精度等級 予圧 軸方向すきま 予圧荷重
(N)
呼び 最大 Lt La L0 T ep VV 動定格Ca 静定格C0a 固定-支持 固定-固定
W0801MA-11PY-C3Z2 8 2 1.200 6.9 1×3 100 109 140 152 198 0 0.010 0.008 0.030 0.11 1560 2200 3000 - C3 予圧品 0 49.0
W0802MA-5PY-C3Z2 8 2 1.200 6.9 1×3 150 159 190 202 248 0 0.010 0.008 0.035 0.13 1560 2200 3000 - C3 予圧品 0 49.0
W0800MA-6Y-C3T2 8 2 1.200 6.9 1×3 40 49 80 92 138 0 0.008 0.008 0.025 0.09 1560 2200 3000 - C3 微すきま品 0.005以下 -
W0801MA-10Y-C3T2 8 2 1.200 6.9 1×3 70 79 110 122 168 0 0.010 0.008 0.030 0.10 1560 2200 3000 - C3 微すきま品 0.005以下 -
W0801MA-12Y-C3T2 8 2 1.200 6.9 1×3 100 109 140 152 198 0 0.010 0.008 0.030 0.11 1560 2200 3000 - C3 微すきま品 0.005以下 -
W0802MA-6Y-C3T2 8 2 1.200 6.9 1×3 150 159 190 202 248 0 0.010 0.008 0.035 0.13 1560 2200 3000 - C3 微すきま品 0.005以下 -
W1001MA-1PY-C3Z2 10 2 1.200 8.9 1×3 50 67 100 112 158 0 0.008 0.008 0.020 0.13 1800 2970 3000 - C3 予圧品 0 58.8
W1001MA-3PY-C3Z2 10 2 1.200 8.9 1×3 100 117 150 162 208 0 0.010 0.008 0.030 0.16 1800 2970 3000 - C3 予圧品 0 58.8
W1002MA-1PY-C3Z2 10 2 1.200 8.9 1×3 150 167 200 212 258 0 0.010 0.008 0.030 0.19 1800 2970 3000 - C3 予圧品 0 58.8
W1002MA-3PY-C3Z2 10 2 1.200 8.9 1×3 200 217 250 262 308 0 0.012 0.008 0.030 0.22 1800 2970 3000 - C3 予圧品 0 58.8

型式 商品コード 単位 価格
(円)
基準納期
日伝 メーカー
W0801MA-11PY-C3Z2 W0801MA-11PY-C3Z2 P 101,000 - 在庫品
W0802MA-5PY-C3Z2 W0802MA-5PY-C3Z2 P 103,000 - 在庫品
W0800MA-6Y-C3T2 W0800MA-6Y-C3T2 P 96,900 - -
W0801MA-10Y-C3T2 W0801MA-10Y-C3T2 P 98,800 - -
W0801MA-12Y-C3T2 W0801MA-12Y-C3T2 P 101,000 - -
W0802MA-6Y-C3T2 W0802MA-6Y-C3T2 P 103,000 - -
W1001MA-1PY-C3Z2 W1001MA-1PY-C3Z2 P 98,100 - 在庫品
W1001MA-3PY-C3Z2 W1001MA-3PY-C3Z2 P 101,000 - 在庫品
W1002MA-1PY-C3Z2 W1002MA-1PY-C3Z2 P 104,000 - 在庫品
W1002MA-3PY-C3Z2 W1002MA-3PY-C3Z2 P 106,000 - 在庫品

この製品を見た人はこのような製品も見ています

1952年設立で、動力伝導機器・産業機器・制御機器等の機械設備及び機械器具関連製品の販売をしている専門総合商社です。
日本国内で40以上の拠点を持ち、信頼性の高い製品と技術力で、全国のものづくりに携わる方々のあらゆるお困りごとを解決しています。

Loading...