モノづくりの困ったを解決する総合サイト

Produced by

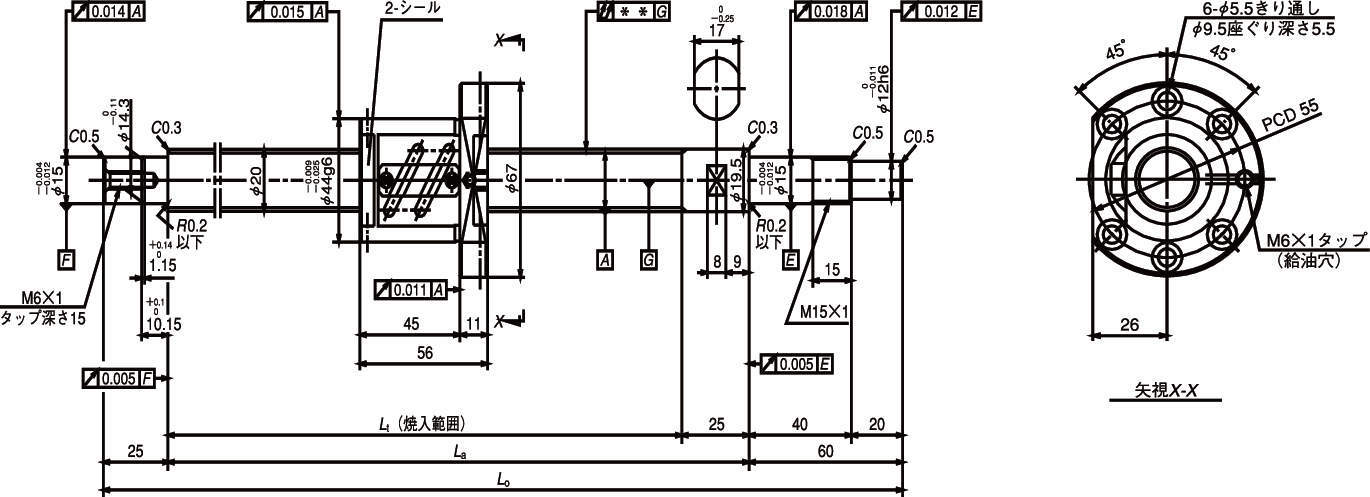
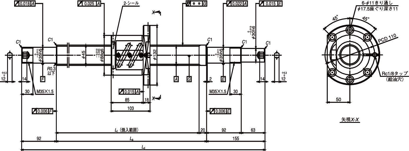
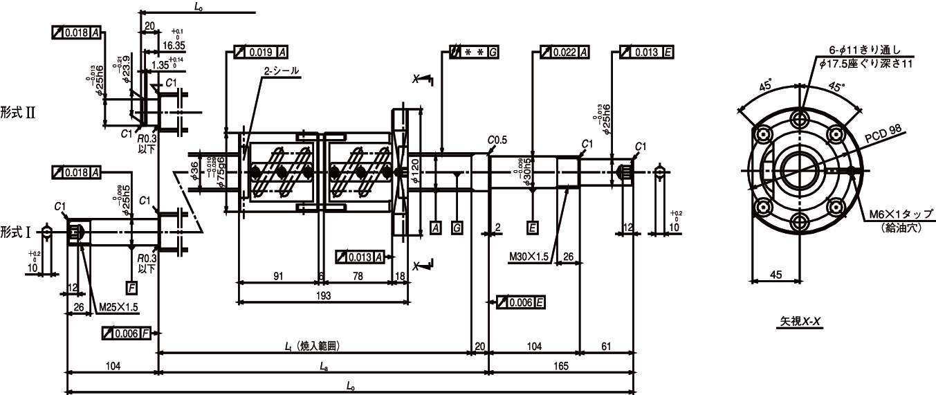
標準ボールねじ(軸端完成品)|工作機械用ボールねじ SA

SA形は、工作機械用の精密ボールねじ(軸単完成品)です。

■循環方式
【チューブ式】
・ボールサイズに見合ったパイプを始点と終点間に渡して循環する方式
・仕様(軸径・リード)対応範囲がひろい

■他の追従を許さない高精度
・NSKが開発した研削方式、計測機器により高精度を実現しました

■優れた耐久性
・清浄度の高い合金鋼を使用し、優れた耐久性を実現しました

■バックラッシュがなく高剛性
・NSKボールねじはゴシックアーク溝形状を採用することにより、ボールと溝のすきまを極小にできます
・さらに予圧を与えることによりすきんまをゼロにでき、バックラッシュはありません
・また、予圧量を管理することにより、使用条件に応じた剛性が得られます
・予圧を与えていない場合でも、ボールと溝のすきまを極小にできるので、バックラッシュは微小です

■円滑な動作で高効率
・サーキュラ溝ではボールがナットとねじ軸の溝にくさび的に食込む現象を生じますが、ゴッシックアーク溝にはこのようなことがありません
・このことと、本来ボールねじが持つ低摩擦と相まって円滑な動作の高効率の運動転換ができます

#ボールねじ

詳細仕様

  • 156件中 101-110件

  • 表示件数

156件の型式

型式 ねじ軸径 リード ねじれ方向 ボール径 ねじ軸谷径 有効巻数 ストローク ねじ軸長さ 左側軸端形式 リード精度 軸心の振れ 質量
(kg)
基本定格荷重(N) 許容回転数N(min-1) 精度等級 予圧 予圧荷重
(N)
呼び 最大 Lt La L0 T ep VV 動定格Ca 静定格C0a 固定-支持 固定-固定
W3207SA-6Z-C5Z10 32 10 6.35 26.4 2.5×1 650 672 780 800 1029 I -0.019 0.035 0.025 0.090 7.9 30000 55100 2180 2180 C5 オフセット予圧 1960
W3209SA-6Z-C5Z10 32 10 6.35 26.4 2.5×1 850 872 980 1000 1229 I -0.024 0.040 0.027 0.090 9.0 30000 55100 2180 2180 C5 オフセット予圧 1960
W3211SA-5Z-C5Z10 32 10 6.35 26.4 2.5×1 1050 1072 1180 1200 1429 I -0.028 0.046 0.030 0.120 10.1 30000 55100 2180 2180 C5 オフセット予圧 1960
W3214SA-6Z-C5Z10 32 10 6.35 26.4 2.5×1 1350 1372 1480 1500 1729 I -0.036 0.054 0.035 0.150 11.7 30000 55100 1920 2180 C5 オフセット予圧 1960
W3217SA-1Z-C5Z10 32 10 6.35 26.4 2.5×1 1650 1672 1780 1800 2029 I -0.043 0.065 0.040 0.200 13.3 30000 55100 1310 1810 C5 オフセット予圧 1960
W3604SA-1Z-C5Z10 36 10 6.35 30.4 2.5×1 350 370 480 500 670 II -0.012 0.027 0.020 0.040 7.4 32000 61100 1940 - C5 オフセット予圧 2060
W3606SA-1Z-C5Z10 36 10 6.35 30.4 2.5×1 550 570 680 700 870 II -0.016 0.035 0.025 0.050 8.8 32000 61100 1940 - C5 オフセット予圧 2060
W3609SA-1Z-C5Z10 36 10 6.35 30.4 2.5×1 850 870 980 1000 1239 I -0.024 0.040 0.027 0.065 11.1 32000 61100 1940 1940 C5 オフセット予圧 2060
W3613SA-1Z-C5Z10 36 10 6.35 30.4 2.5×1 1250 1270 1380 1400 1639 I -0.033 0.054 0.035 0.100 13.9 32000 61100 1940 1940 C5 オフセット予圧 2060
W3617SA-1Z-C5Z10 36 10 6.35 30.4 2.5×1 1650 1670 1780 1800 2039 I -0.043 0.065 0.040 0.130 16.6 32000 61100 1510 1940 C5 オフセット予圧 2060

型式 商品コード 単位 価格
(円)
基準納期
日伝 メーカー
W3207SA-6Z-C5Z10 W3207SA-6Z-C5Z10 P 202,000 - 在庫品
W3209SA-6Z-C5Z10 W3209SA-6Z-C5Z10 P 225,000 - 在庫品
W3211SA-5Z-C5Z10 W3211SA-5Z-C5Z10 P 249,000 - 在庫品
W3214SA-6Z-C5Z10 W3214SA-6Z-C5Z10 P 286,000 - 在庫品
W3217SA-1Z-C5Z10 W3217SA-1Z-C5Z10 P 324,000 - 在庫品
W3604SA-1Z-C5Z10 W3604SA-1Z-C5Z10 P 198,000 - 在庫品
W3606SA-1Z-C5Z10 W3606SA-1Z-C5Z10 P 216,000 - 在庫品
W3609SA-1Z-C5Z10 W3609SA-1Z-C5Z10 P 244,000 - 在庫品
W3613SA-1Z-C5Z10 W3613SA-1Z-C5Z10 P 293,000 - 在庫品
W3617SA-1Z-C5Z10 W3617SA-1Z-C5Z10 P 344,000 - 在庫品

この製品を見た人はこのような製品も見ています

1952年設立で、動力伝導機器・産業機器・制御機器等の機械設備及び機械器具関連製品の販売をしている専門総合商社です。
日本国内で40以上の拠点を持ち、信頼性の高い製品と技術力で、全国のものづくりに携わる方々のあらゆるお困りごとを解決しています。

Loading...