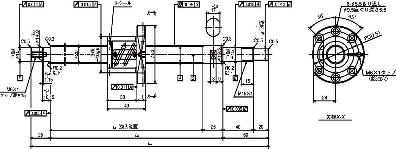
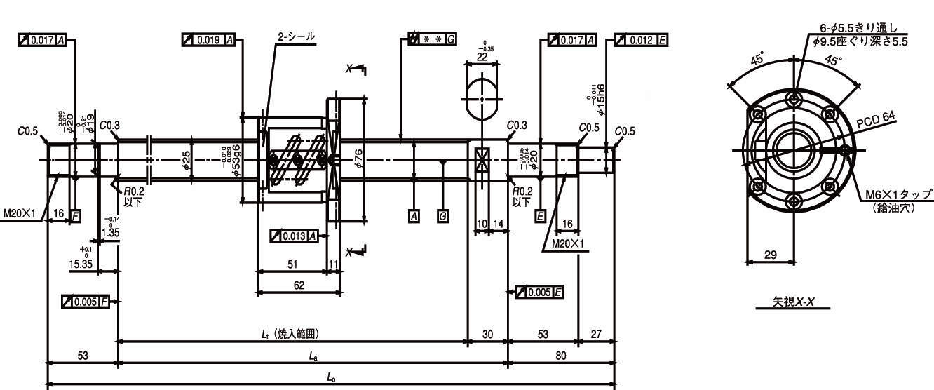
SA形は、工作機械用の精密ボールねじ(軸単完成品)です。
■循環方式
【チューブ式】
・ボールサイズに見合ったパイプを始点と終点間に渡して循環する方式
・仕様(軸径・リード)対応範囲がひろい
■他の追従を許さない高精度
・NSKが開発した研削方式、計測機器により高精度を実現しました
■優れた耐久性
・清浄度の高い合金鋼を使用し、優れた耐久性を実現しました
■バックラッシュがなく高剛性
・NSKボールねじはゴシックアーク溝形状を採用することにより、ボールと溝のすきまを極小にできます
・さらに予圧を与えることによりすきんまをゼロにでき、バックラッシュはありません
・また、予圧量を管理することにより、使用条件に応じた剛性が得られます
・予圧を与えていない場合でも、ボールと溝のすきまを極小にできるので、バックラッシュは微小です
■円滑な動作で高効率
・サーキュラ溝ではボールがナットとねじ軸の溝にくさび的に食込む現象を生じますが、ゴッシックアーク溝にはこのようなことがありません
・このことと、本来ボールねじが持つ低摩擦と相まって円滑な動作の高効率の運動転換ができます

