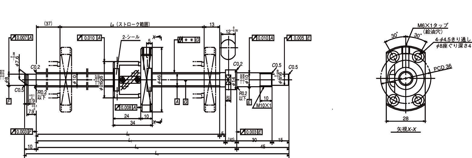
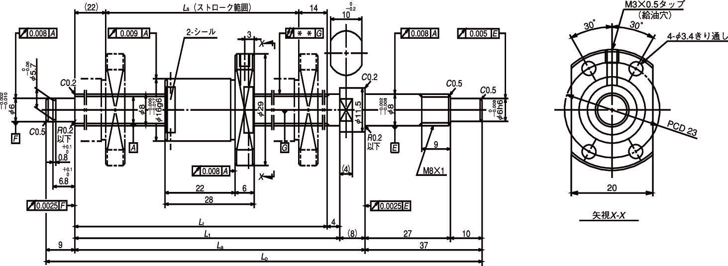
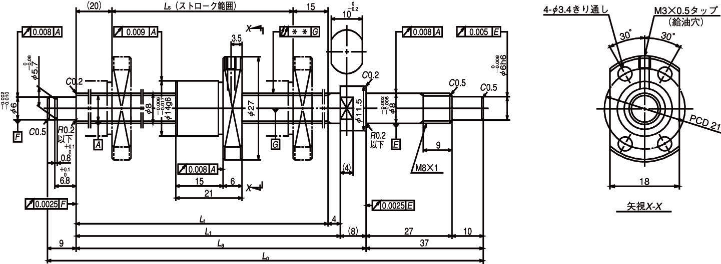
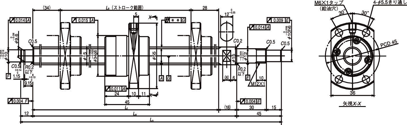
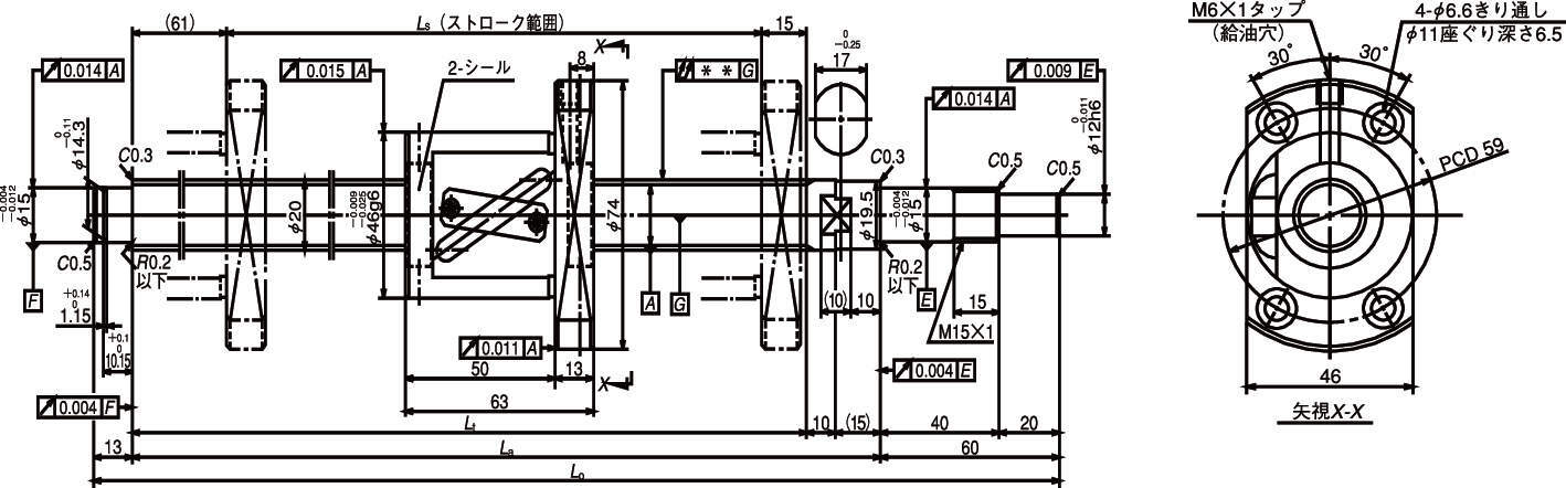
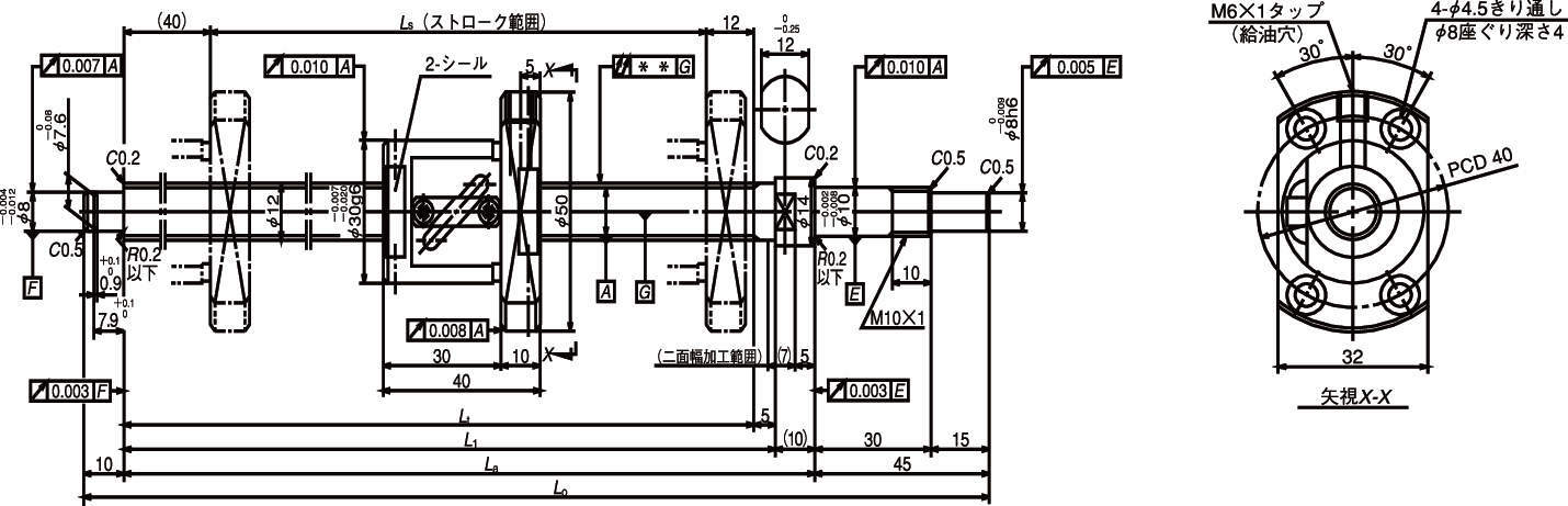
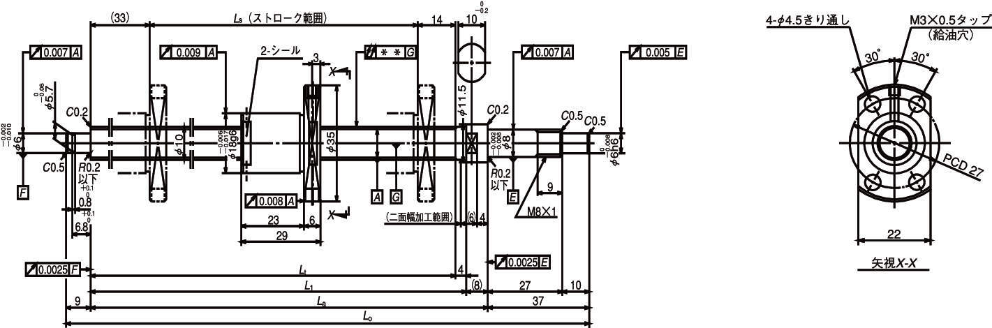
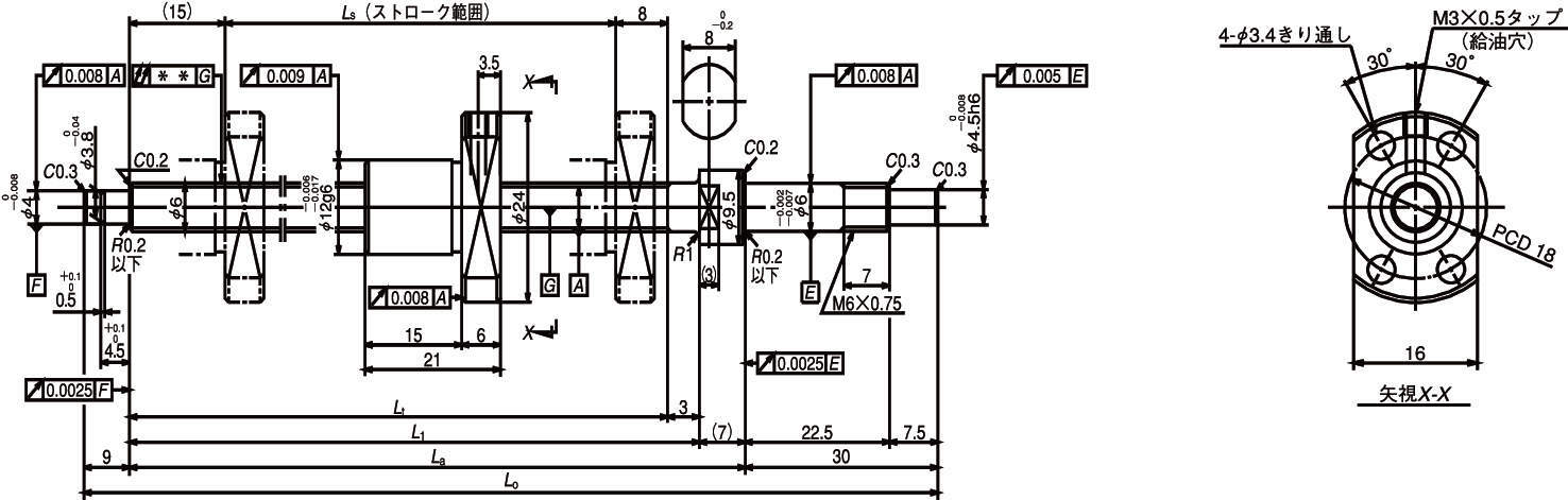
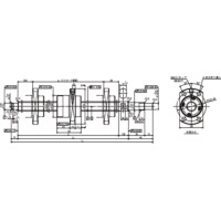
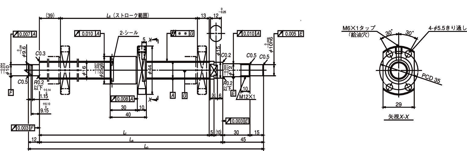
ねじ軸φ6・リード1
KA形は、ステンレス製の精密ボールねじ(軸単完成品)です。
■循環方式
【こま式】
・隣接するピッチ(リード)間に馬蹄形状のものを渡して循環する方式
・小リードのものに適してる
・ナット外径が小さく、コンパクト設計が可能
【チューブ式】
・ボールサイズに見合ったパイプを始点と終点間に渡して循環する方式
・仕様(軸径・リード)対応範囲がひろい
【エンドキャップ式】
・ナット端部にボールをすくい上げるためのキャップを配置し、ナット内部に設けた貫通穴で循環する方式
・大リードのものに適している
・ボールの循環部構造が複雑なため、汎用性に欠ける
■材料について
・マルテンサイト系ステンレス材の特殊焼き入れ技術により、ボール溝部は十分な硬さを持つため、高付加容量・高い耐久性を実現しました。
・ボールねじのシール、循環こま、エンドキャップなどには、合成樹脂が使用されています。
・特殊環境下でご使用になる場合や、特殊潤滑剤、油をご使用になる際はご相談ください。

