モノづくりの困ったを解決する総合サイト

Produced by

標準ボールねじ(軸端未加工品)|工作機械用ボールねじ SS

SS形は、工作機械用の精密ボールねじ(軸端未加工品)です。

■他の追従を許さない高精度
・NSKが開発した研削方式、計測機器により高精度を実現しました

■優れた耐久性
・清浄度の高い合金鋼を使用し、優れた耐久性を実現しました

■バックラッシュがなく高剛性
・NSKボールねじはゴシックアーク溝形状を採用することにより、ボールと溝のすきまを極小にできます
・さらに予圧を与えることによりすきんまをゼロにでき、バックラッシュはありません。
・また、予圧量を管理することにより、使用条件に応じた剛性が得られます
・予圧を与えていない場合でも、ボールと溝のすきまを極小にできるので、バックラッシュは微小です

■円滑な動作で高効率
・サーキュラ溝ではボールがナットとねじ軸の溝にくさび的に食込む現象を生じますが、ゴッシックアーク溝にはこのようなことがありません
・このことと、本来ボールねじが持つ低摩擦と相まって円滑な動作の高効率の運動転換ができます

#ボールねじ

詳細仕様

  • 119件中 1-10件

  • 表示件数

119件の型式

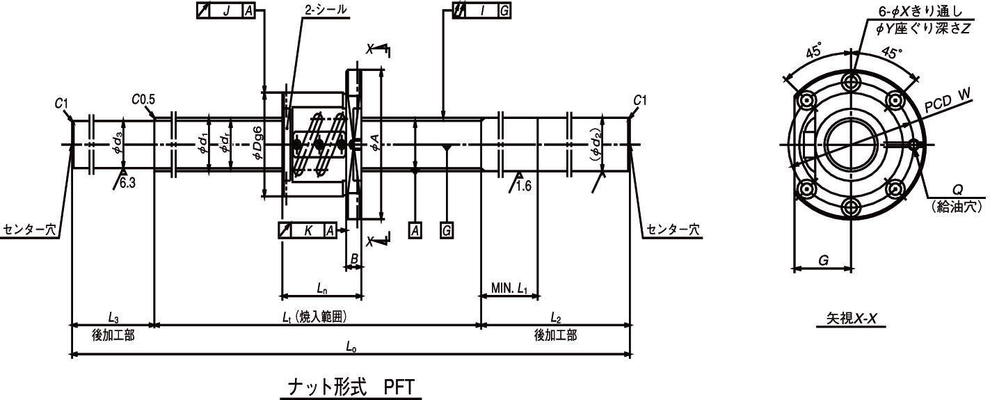
型式 ねじ軸径 リード ストローク最大Lt-Ln 軸外径d1 リードl ボール径Dw ボールピッチ円径dm ねじ軸谷径dr 有効巻数
巻数×サーキット数
基本定格荷重(N) 予圧荷重
(N)
動摩擦トルク基準値
(N・cm)
ナット寸法 ねじ軸寸法 リード精度 振れ精度 質量
(kg)
許容回転数
N(min-1)
ナット空間容積
(cm3)
グリース補給量の目安
(cm3)
動定格Ca 静定格C0a 外径 D フランジ部 全長 Ln 取付穴 給油 Q ねじ部 Lt 右軸端 左軸端 全長 L0 目標値 T 誤差 ep 変動 Vv 軸心の振れI 円周振れ
A G B W X Y Z d2 L1 L2 d3 L3 J K
W2003SS-1P-C5Z4 20 4 251 20 4 2.381 20.3 17.8 2.5×2 6550 10900 290 3.9 40 63 24 11 49 51 5.5 9.5 5.5 M6×1 300 20 40 150 17.8 - 450 -0.007 0.023 0.018 0.055 0.015 0.011 1.5 3000 2.7 1.4
W2005SS-1P-C5Z4 20 4 451 20 4 2.381 20.3 17.8 2.5×2 6550 10900 290 3.9 40 63 24 11 49 51 5.5 9.5 5.5 M6×1 500 20 40 150 17.8 50 700 -0.012 0.027 0.020 0.085 0.015 0.011 2.0 3000 2.7 1.4
W2008SS-1P-C5Z4 20 4 751 20 4 2.381 20.3 17.8 2.5×2 6550 10900 290 3.9 40 63 24 11 49 51 5.5 9.5 5.5 M6×1 800 20 40 200 17.8 100 1100 -0.019 0.035 0.025 0.140 0.015 0.011 2.9 3000 2.7 1.4
W2003SS-2P-C5Z5 20 5 244 20 5 3.175 20.5 17.2 2.5×2 11100 17100 490 7.8 44 67 26 11 56 55 5.5 9.5 5.5 M6×1 300 20 40 150 17.2 - 450 -0.007 0.023 0.018 0.055 0.015 0.011 1.6 3000 4.3 2.2
W2005SS-2P-C5Z5 20 5 444 20 5 3.175 20.5 17.2 2.5×2 11100 17100 490 7.8 44 67 26 11 56 55 5.5 9.5 5.5 M6×1 500 20 40 150 17.2 50 700 -0.012 0.027 0.020 0.085 0.015 0.011 2.2 3000 4.3 2.2
W2007SS-1P-C5Z5 20 5 644 20 5 3.175 20.5 17.2 2.5×2 11100 17100 490 7.8 44 67 26 11 56 55 5.5 9.5 5.5 M6×1 700 20 40 200 17.2 100 1000 -0.017 0.035 0.025 0.110 0.015 0.011 2.8 3000 4.3 2.2
W2010SS-1P-C5Z5 20 5 944 20 5 3.175 20.5 17.2 2.5×2 11100 17100 490 7.8 44 67 26 11 56 55 5.5 9.5 5.5 M6×1 1000 20 40 200 17.2 100 1300 -0.024 0.040 0.027 0.180 0.015 0.011 3.5 3000 4.3 2.2
W2503SS-1P-C5Z4 25 4 252 25 4 2.381 25.3 22.8 2.5×2 7110 13600 290 4.9 46 69 26 11 48 57 5.5 9.5 5.5 M6×1 300 25 40 150 22.8 - 450 -0.007 0.023 0.018 0.040 0.015 0.011 2.2 2800 3.2 1.6
W2506SS-1P-C5Z4 25 4 552 25 4 2.381 25.3 22.8 2.5×2 7110 13600 290 4.9 46 69 26 11 48 57 5.5 9.5 5.5 M6×1 600 25 40 200 22.8 100 900 -0.014 0.030 0.023 0.075 0.015 0.011 3.8 2800 3.2 1.6
W2510SS-1P-C5Z4 25 4 952 25 4 2.381 25.3 22.8 2.5×2 7110 13600 290 4.9 46 69 26 11 48 57 5.5 9.5 5.5 M6×1 1000 25 40 200 22.8 100 1300 -0.024 0.040 0.027 0.120 0.015 0.011 5.2 2800 3.2 1.6

この製品を見た人はこのような製品も見ています

1952年設立で、動力伝導機器・産業機器・制御機器等の機械設備及び機械器具関連製品の販売をしている専門総合商社です。
日本国内で40以上の拠点を持ち、信頼性の高い製品と技術力で、全国のものづくりに携わる方々のあらゆるお困りごとを解決しています。

Loading...