ハイスピードSS
-
ハイスピードSS
汎用から高速、高精度機械まで幅広いニーズに応えます。
■高速
・高速、静音を実現するNSK独自の循環方式を採用し、許容d・n値を従来SS型の7万から16万へ2倍以上向上しました。
・更にリードの対応範囲を20mmまで広げたことにより、60m/min以上の高速送りも可能になります。
■静音・低振動
・高速、静音を実現するNSK独自の循環方式を採用することにより、ボールと循環部品の衝突を緩和させ、従来に比べて騒音レベルを最大で6dB(A)低減しました。
・また、ナットの振動レベルも大幅に低減しました。
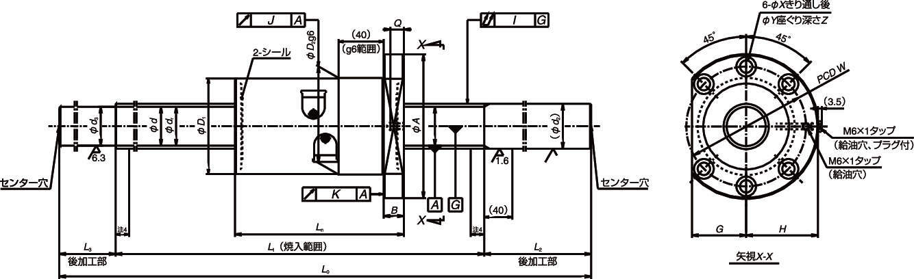
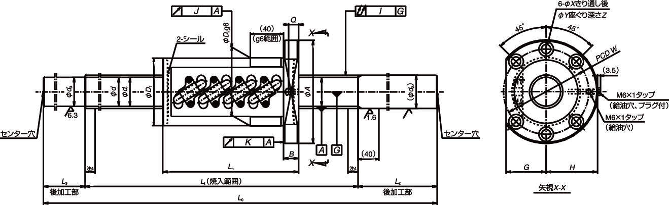
■ナット取付け寸法
・ナット外径及びナット取付部寸法は、従来SS型のチューブ式ナットと同一です。
■コンパクト
・従来SS型でダブルナット予圧としていた仕様を全てシングルナットのオフセット予圧にすることで、ダブルナット予圧同様の剛性、負荷容量を保ちつつ、ナット長さを短縮しました。
・更に、軸方向にコンパクトな薄形シールの採用により、ナット長さを短縮しました。
■軸端未加工品
・本製品は、給油口(M6×1.0)をナットフランジ外周及び、端面の2箇所設定しました。
・ナットフランジ外周側には埋め栓(プラグ)を標準装備しております。

