モノづくりの困ったを解決する総合サイト

Produced by

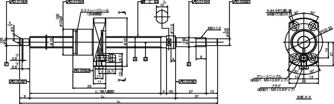
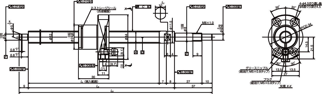
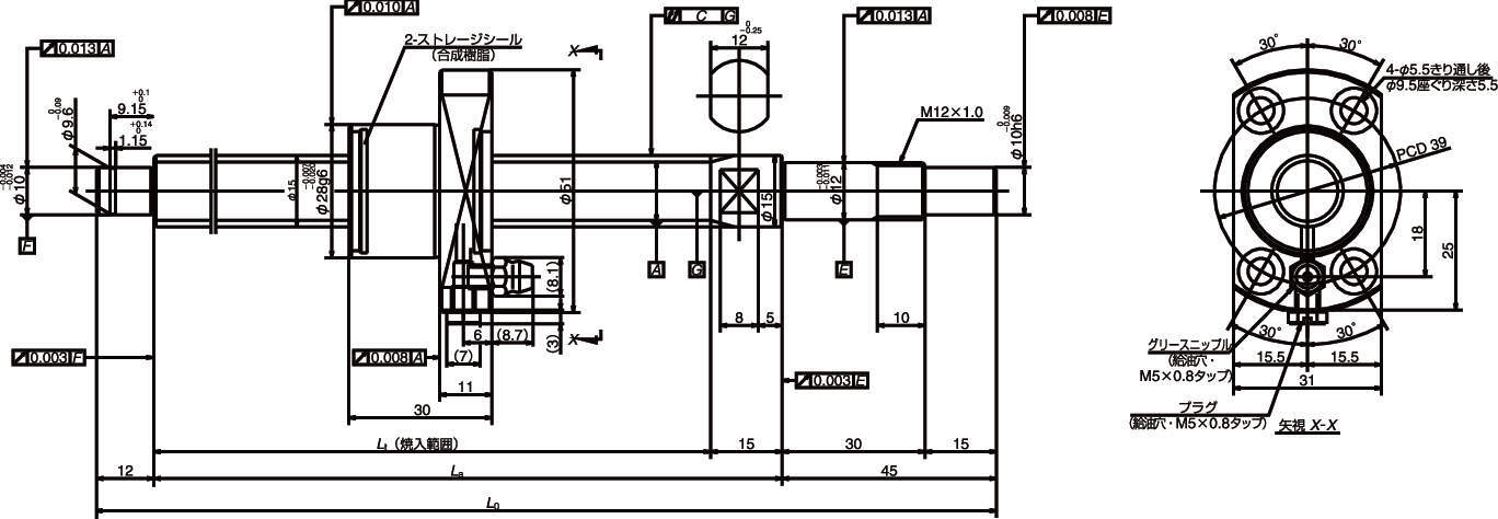
標準ボールねじ(軸端完成品)|コンパクトFAシリーズ(高精度・クリーン用) USS

コンパクトFA

  • コンパクトFA

  • コンパクトFA

・エンドデフレクタ方式の高速・静音・コンパクト化を多彩なニーズに即応するために「コンパクトFAシリーズ」として標準在庫化しました。

■静音
・聴覚で約半減に相当する6dB(A)低減を実現しました。

■コンパクト
・ナット外径を最大で30%の小型化(当社比)を実現しています。
・XYテーブルの薄型化をはじめ、さまざまな機器や装置のコンパクト設計が可能です。

■高速
・許容回転数最大5000min-1まで対応し、使用条件の幅が格段に広がります。

■グリースニップル標準装備
・グリースニップル(M5×0.8)を標準装備し、給油口を2箇所設定することにより、使いやすさを追求しました。集中配管との接続も容易に行えます。

■ストレージレール
・ストレージシールを採用しており、ナット外観寸法がチューブ式と比較しさらにコンパクトな設計となっています。

■低形設計
・コンパクトFA型に合わせた専用の低型サポートユニットを設定、他に類を見ない低型設計が可能です。

■低発塵LG2グリース
・従来のFA型と比較して発塵量は約1/100。
・クリーン用途に最適です。

#ボールねじ

詳細仕様

  • 10件中 1-10件

  • 表示件数

10件の型式

型式 ねじ軸径 リード ねじ軸外径d リードl 基本定格荷重(N) ストローク ねじ軸長さ リード精度 軸心の振れC 予圧動トルク
(N・cm)
質量
(kg)
許容回転数
(min-1)
固定-支持
ナット空間容積
(cm3)
グリース補給量の目安
(cm3)
動定格Ca 静定格C0a 呼び 最大 Lt La L0 目標値 T 誤差 ep 変動 Vv
USS1005N1D0221 10 5 10 5 3420 4840 100 133 162 175 221 0 0.010 0.008 0.035 0.2~1.8 0.3 5000 0.8 0.4
USS1005N1D0321 10 5 10 5 3420 4840 200 233 262 275 321 0 0.012 0.008 0.045 0.2~2.0 0.3 5000 0.8 0.4
USS1005N1D0521 10 5 10 5 3420 4840 400 433 462 475 521 0 0.015 0.010 0.070 0.2~3.0 0.5 5000 0.8 0.4
USS1205N1D0221 12 5 12 5 3750 5810 100 130 160 175 221 0 0.010 0.008 0.035 0.2~1.8 0.3 5000 1.0 0.5
USS1205N1D0321 12 5 12 5 3750 5810 200 230 260 275 321 0 0.012 0.008 0.045 0.2~2.0 0.3 5000 1.0 0.5
USS1205N1D0621 12 5 12 5 3750 5810 500 530 560 575 621 0 0.016 0.012 0.070 0.2~3.0 0.7 5000 1.0 0.5
USS1505N1D0261 15 5 15 5 6410 10100 100 159 189 204 261 0 0.010 0.008 0.025 0.2~5.0 0.5 5000 2.0 1.0
USS1505N1D0361 15 5 15 5 6410 10100 200 259 289 304 361 0 0.012 0.008 0.035 0.2~5.0 0.6 5000 2.0 1.0
USS1505N1D0561 15 5 15 5 6410 10100 400 459 489 504 561 0 0.015 0.010 0.045 0.2~6.0 0.9 5000 2.0 1.0
USS1505N1D0761 15 5 15 5 6410 10100 600 653 689 704 761 0 0.018 0.013 0.060 0.2~8.0 1.1 4130 2.0 1.0

この製品を見た人はこのような製品も見ています

1952年設立で、動力伝導機器・産業機器・制御機器等の機械設備及び機械器具関連製品の販売をしている専門総合商社です。
日本国内で40以上の拠点を持ち、信頼性の高い製品と技術力で、全国のものづくりに携わる方々のあらゆるお困りごとを解決しています。

Loading...