MS05-100T
-
MS05-100T
-
MS1-100T
-
MS2-75T
-
MS2-100T
理研機器
MS05-100T
MS05-100T
MS1-100T
MS2-75T
MS2-100T
84件の型式
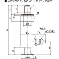
| 型式 |
付属 カップラ |
最大出力 (kN) |
受圧面積 (cm2) |
ストローク (mm) |
最小全長 A |
シリンダ内径 φ |
シリンダ外径 φC |
ピストン径 φD |
ピストンねじ径 E |
ピストンねじ長 G |
ピストン突出長 H |
カラーねじ径 M |
カラーねじ長 N |
ベースねじ径 P |
ベースねじ深さ Q |
ねじにがし長さ R |
カップラ突出長 S |
カップラ位置 T |
必要油量 (cm3) |
概略質量 (kg) |
|---|---|---|---|---|---|---|---|---|---|---|---|---|---|---|---|---|---|---|---|---|
| MS1-300T | ROC-13R | 100 | 14.52 | 300 | 465 | 43 | 58 | 38 | M28×2 | 32 | 38 | M58×2 | 25 | M28×2 | 31 | 6 | 約41 | 47 | 436 | 7.5 |
| MS1-300-NC | カップラ無し | 100 | 14.52 | 300 | 465 | 43 | 58 | 38 | M28×2 | 32 | 38 | M58×2 | 25 | M28×2 | 31 | 6 | - | 47 | 436 | 7.5 |
| MS2-75VC | VC-70-R3 | 200 | 33.18 | 75 | 269 | 43 | 82 | 53 | M40×2 | 40 | 46 | M82×2 | 50 | M40×2 | 39 | 6 | 約46 | 61 | 216 | 8.2 |
| MS2-75S | S-1R | 200 | 33.18 | 75 | 269 | 43 | 82 | 53 | M40×2 | 40 | 46 | M82×2 | 50 | M40×2 | 39 | 6 | 約53 | 61 | 216 | 8.2 |
| MS2-75T | ROC-13R | 200 | 33.18 | 75 | 269 | 43 | 82 | 53 | M40×2 | 40 | 46 | M82×2 | 50 | M40×2 | 39 | 6 | 約49 | 61 | 216 | 8.2 |
| MS2-75-NC | カップラ無し | 200 | 33.18 | 75 | 269 | 43 | 82 | 53 | M40×2 | 40 | 46 | M82×2 | 50 | M40×2 | 39 | 6 | - | 61 | 216 | 8.2 |
| MS2-100VC | VC-70-R3 | 200 | 33.18 | 100 | 294 | 43 | 82 | 53 | M40×2 | 40 | 46 | M82×2 | 50 | M40×2 | 39 | 6 | 約46 | 61 | 288 | 9.0 |
| MS2-100S | S-1R | 200 | 33.18 | 100 | 294 | 43 | 82 | 53 | M40×2 | 40 | 46 | M82×2 | 50 | M40×2 | 39 | 6 | 約53 | 61 | 288 | 9.0 |
| MS2-100T | ROC-13R | 200 | 33.18 | 100 | 294 | 43 | 82 | 53 | M40×2 | 40 | 46 | M82×2 | 50 | M40×2 | 39 | 6 | 約49 | 61 | 288 | 9.0 |
| MS2-100-NC | カップラ無し | 200 | 33.18 | 100 | 294 | 43 | 82 | 53 | M40×2 | 40 | 46 | M82×2 | 50 | M40×2 | 39 | 6 | - | 61 | 288 | 9.0 |
| 型式 | 商品コード | 単位 |
価格 (円) |
基準納期 | |
|---|---|---|---|---|---|
| 日伝 | メーカー | ||||
| MS1-300T | MS1-300T | P | 97,960 | - | 在庫品 |
| MS1-300-NC | MS1-300-NC | P | 96,400 | - | 3日間 |
| MS2-75VC | MS2-75VC | P | 74,300 | - | - |
| MS2-75S | MS2-75S | P | 74,300 | - | 3日間 |
| MS2-75T | MS2-75T | P | 75,860 | - | 在庫品 |
| MS2-75-NC | MS2-75-NC | P | 74,300 | - | 在庫品 |
| MS2-100VC | MS2-100VC | P | 80,200 | - | - |
| MS2-100S | MS2-100S | P | 80,200 | - | 3日間 |
| MS2-100T | MS2-100T | P | 81,760 | - | 在庫品 |
| MS2-100-NC | MS2-100-NC | P | 80,200 | - | 在庫品 |
製品についてのご質問やお困りごとなどお気軽にご相談ください!