MD05-100T
-
MD05-100T
-
MD1-100T
-
MD2-100T
・ピストンメッキ付き
理研機器
72件の型式
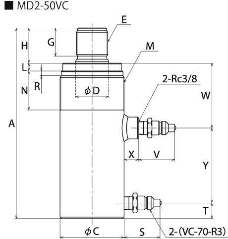
| 型式 |
付属 カップラ |
ストローク (mm) |
最小全長 A |
シリンダ外径 φC |
ピストン径 φD |
ピストンねじ径 E |
ピストンねじ長 G |
ピストン突出長 H |
ピストン受長 L |
カラーねじ径 M |
カラーねじ長 N |
ベースねじ径 P |
ベースねじ深さ Q |
ねじにがし長さ R |
カップラ突出長 S(押側)V(引側) |
押側カップラ位置 T |
押側ボス長 U |
引側カップラ位置 W |
引側ボス長 X |
ポート間位置Y |
必要油量 (cm3) |
概略質量 (kg) |
|---|---|---|---|---|---|---|---|---|---|---|---|---|---|---|---|---|---|---|---|---|---|---|
| MD05-50VC | VC-70-R3 | 50 | 159 | 46 | 22 | M20×1.5 | 25 | 34 | - | M45×1.5 | 23 | - | - | 3 | 約46 | 20 | 17 | 46 | 17 | 59 | 36 | 1.9 |
| MD05-50S | S-1R | 50 | 159 | 46 | 22 | M20×1.5 | 25 | 34 | - | M45×1.5 | 23 | - | - | 3 | 約53 | 20 | 17 | 46 | 17 | 59 | 36 | 1.9 |
| MD05-50T | ROC-13R | 50 | 159 | 46 | 22 | M20×1.5 | 25 | 34 | - | M45×1.5 | 23 | - | - | 3 | 約49 | 20 | 17 | 46 | 17 | 59 | 36 | 1.9 |
| MD05-50-NC | カップラ無し | 50 | 159 | 46 | 22 | M20×1.5 | 25 | 34 | - | M45×1.5 | 23 | - | - | 3 | - | 20 | 17 | 46 | 17 | 59 | 36 | 1.9 |
| MD05-75VC | VC-70-R3 | 75 | 254 | 46 | 22 | M20×1.5 | 25 | 34 | - | M45×1.5 | 23 | M20×1.5 | 24 | 3 | 約46 | 36 | - | 46 | 17 | 138 | 54 | 2.8 |
| MD05-75S | S-1R | 75 | 254 | 46 | 22 | M20×1.5 | 25 | 34 | - | M45×1.5 | 23 | M20×1.5 | 24 | 3 | 約53 | 36 | - | 46 | 17 | 138 | 54 | 2.8 |
| MD05-75T | ROC-13R | 75 | 254 | 46 | 22 | M20×1.5 | 25 | 34 | - | M45×1.5 | 23 | M20×1.5 | 24 | 3 | 約49 | 36 | - | 46 | 17 | 138 | 54 | 2.8 |
| MD05-75-NC | カップラ無し | 75 | 254 | 46 | 22 | M20×1.5 | 25 | 34 | - | M45×1.5 | 23 | M20×1.5 | 24 | 3 | - | 36 | - | 46 | 17 | 138 | 54 | 2.8 |
| MD05-100VC | VC-70-R3 | 100 | 279 | 46 | 22 | M20×1.5 | 25 | 34 | - | M45×1.5 | 23 | M20×1.5 | 24 | 3 | 約46 | 36 | - | 46 | 19 | 163 | 72 | 3.0 |
| MD05-100S | S-1R | 100 | 279 | 46 | 22 | M20×1.5 | 25 | 34 | - | M45×1.5 | 23 | M20×1.5 | 24 | 3 | 約53 | 36 | - | 46 | 19 | 163 | 72 | 3.0 |
| 型式 | 商品コード | 単位 |
価格 (円) |
基準納期 | |
|---|---|---|---|---|---|
| 日伝 | メーカー | ||||
| MD05-50VC | MD05-50VC | P | 57,700 | - | - |
| MD05-50S | MD05-50S | P | 57,700 | - | 3日間 |
| MD05-50T | MD05-50T | P | 60,820 | - | 在庫品 |
| MD05-50-NC | MD05-50-NC | P | 57,700 | - | 在庫品 |
| MD05-75VC | MD05-75VC | P | 63,300 | - | - |
| MD05-75S | MD05-75S | P | 63,300 | - | 3日間 |
| MD05-75T | MD05-75T | P | 66,420 | - | 在庫品 |
| MD05-75-NC | MD05-75-NC | P | 63,300 | - | 在庫品 |
| MD05-100VC | MD05-100VC | P | 64,100 | - | - |
| MD05-100S | MD05-100S | P | 64,100 | - | 3日間 |
製品についてのご質問やお困りごとなどお気軽にご相談ください!