MD05-100T
-
MD05-100T
-
MD1-100T
-
MD2-100T
・ピストンメッキ付き
理研機器
72件の型式
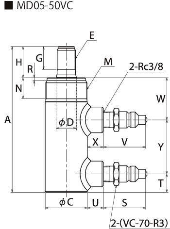
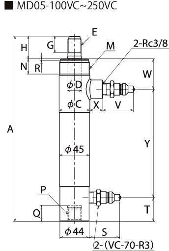
| 型式 |
付属 カップラ |
ストローク (mm) |
最小全長 A |
シリンダ外径 φC |
ピストン径 φD |
ピストンねじ径 E |
ピストンねじ長 G |
ピストン突出長 H |
ピストン受長 L |
カラーねじ径 M |
カラーねじ長 N |
ベースねじ径 P |
ベースねじ深さ Q |
ねじにがし長さ R |
カップラ突出長 S(押側)V(引側) |
押側カップラ位置 T |
押側ボス長 U |
引側カップラ位置 W |
引側ボス長 X |
ポート間位置Y |
必要油量 (cm3) |
概略質量 (kg) |
|---|---|---|---|---|---|---|---|---|---|---|---|---|---|---|---|---|---|---|---|---|---|---|
| MD05-250VC | VC-70-R3 | 250 | 429 | 46 | 22 | M20×1.5 | 25 | 34 | - | M45×1.5 | 23 | M20×1.5 | 24 | 3 | 約46 | 36 | - | 46 | 19 | 313 | 179 | 4.5 |
| MD05-250S | S-1R | 250 | 429 | 46 | 22 | M20×1.5 | 25 | 34 | - | M45×1.5 | 23 | M20×1.5 | 24 | 3 | 約53 | 36 | - | 46 | 19 | 313 | 179 | 4.5 |
| MD05-250T | ROC-13R | 250 | 429 | 46 | 22 | M20×1.5 | 25 | 34 | - | M45×1.5 | 23 | M20×1.5 | 24 | 3 | 約49 | 36 | - | 46 | 19 | 313 | 179 | 4.5 |
| MD05-250-NC | カップラ無し | 250 | 429 | 46 | 22 | M20×1.5 | 25 | 34 | - | M45×1.5 | 23 | M20×1.5 | 24 | 3 | - | 36 | - | 46 | 19 | 313 | 179 | 4.5 |
| MD1-50VC | VC-70-R3 | 50 | 244 | 59 | 30 | M28×2 | 32 | 42 | 9 | M58×2 | 25 | - | - | 3 | 約46 | 20 | - | 57 | 20 | 125 | 73 | 4.0 |
| MD1-50S | S-1R | 50 | 244 | 59 | 30 | M28×2 | 32 | 42 | 9 | M58×2 | 25 | - | - | 3 | 約53 | 20 | - | 57 | 20 | 125 | 73 | 4.0 |
| MD1-50T | ROC-13R | 50 | 244 | 59 | 30 | M28×2 | 32 | 42 | 9 | M58×2 | 25 | - | - | 3 | 約49 | 20 | - | 57 | 20 | 125 | 73 | 4.0 |
| MD1-50-NC | カップラ無し | 50 | 244 | 59 | 30 | M28×2 | 32 | 42 | 9 | M58×2 | 25 | - | - | 3 | - | 20 | - | 57 | 20 | 125 | 73 | 4.0 |
| MD1-100VC | VC-70-R3 | 100 | 320 | 59 | 30 | M28×2 | 32 | 42 | 9 | M58×2 | 25 | M28×2 | 31 | 3 | 約46 | 46 | - | 57 | 20 | 175 | 146 | 5.2 |
| MD1-100S | S-1R | 100 | 320 | 59 | 30 | M28×2 | 32 | 42 | 9 | M58×2 | 25 | M28×2 | 31 | 3 | 約53 | 46 | - | 57 | 20 | 175 | 146 | 5.2 |
| 型式 | 商品コード | 単位 |
価格 (円) |
基準納期 | |
|---|---|---|---|---|---|
| 日伝 | メーカー | ||||
| MD05-250VC | MD05-250VC | P | 77,900 | - | - |
| MD05-250S | MD05-250S | P | 77,900 | - | 3日間 |
| MD05-250T | MD05-250T | P | 81,020 | - | 在庫品 |
| MD05-250-NC | MD05-250-NC | P | 77,900 | - | 3日間 |
| MD1-50VC | MD1-50VC | P | 57,900 | - | - |
| MD1-50S | MD1-50S | P | 57,900 | - | 3日間 |
| MD1-50T | MD1-50T | P | 61,020 | - | 在庫品 |
| MD1-50-NC | MD1-50-NC | P | 57,900 | - | 在庫品 |
| MD1-100VC | MD1-100VC | P | 69,000 | - | - |
| MD1-100S | MD1-100S | P | 69,000 | - | 3日間 |
製品についてのご質問やお困りごとなどお気軽にご相談ください!