S1-100S
-
S1-100S
-
S2-70S
理研機器
144件の型式
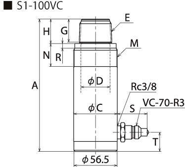
| 型式 |
付属 カップラ |
最大出力 (kN) |
受圧面積 (cm2) |
ストローク (mm) |
最小全長 A |
シリンダ内径 φ |
シリンダ外径 φC |
ピストン径 φD |
ピストンねじ径 E |
ピストンねじ長 G |
ピストン突出長 H |
カラーねじ径 M |
カラーねじ長 N |
ベースねじ径 P |
ベースねじ深さ Q |
ねじにがし長さ R |
カップラ突出長 S |
カップラ位置 T |
必要油量 (cm3) |
概略質量 (kg) |
|---|---|---|---|---|---|---|---|---|---|---|---|---|---|---|---|---|---|---|---|---|
| S1-50VC | VC-70-R3 | 100 | 14.52 | 50 | 201 | 43 | 57 | 38 | 1 1/4-11.5NPT | 30 | 32 | 2 1/4-14NS | 30 | 1 1/4-11.5NPT | 25 | 6 | 約39 | 40 | 73 | 3.1 |
| S1-50S | S-1R | 100 | 14.52 | 50 | 201 | 43 | 57 | 38 | 1 1/4-11.5NPT | 30 | 32 | 2 1/4-14NS | 30 | 1 1/4-11.5NPT | 25 | 6 | 約46 | 40 | 73 | 3.1 |
| S1-50T | ROC-13R | 100 | 14.52 | 50 | 201 | 43 | 57 | 38 | 1 1/4-11.5NPT | 30 | 32 | 2 1/4-14NS | 30 | 1 1/4-11.5NPT | 25 | 6 | 約42 | 40 | 73 | 3.1 |
| S1-50-NC | カップラ無し | 100 | 14.52 | 50 | 201 | 43 | 57 | 38 | 1 1/4-11.5NPT | 30 | 32 | 2 1/4-14NS | 30 | 1 1/4-11.5NPT | 25 | 6 | - | 40 | 73 | 3.1 |
| S1-120VC | VC-70-R3 | 100 | 14.52 | 120 | 280 | 43 | 57 | 38 | 1 1/4-11.5NPT | 30 | 32 | 2 1/4-14NS | 30 | 1 1/4-11.5NPT | 25 | 6 | 約39 | 50 | 175 | 4.4 |
| S1-120S | S-1R | 100 | 14.52 | 120 | 280 | 43 | 57 | 38 | 1 1/4-11.5NPT | 30 | 32 | 2 1/4-14NS | 30 | 1 1/4-11.5NPT | 25 | 6 | 約46 | 50 | 175 | 4.4 |
| S1-120T | ROC-13R | 100 | 14.52 | 120 | 280 | 43 | 57 | 38 | 1 1/4-11.5NPT | 30 | 32 | 2 1/4-14NS | 30 | 1 1/4-11.5NPT | 25 | 6 | 約42 | 50 | 175 | 4.4 |
| S1-120-NC | カップラ無し | 100 | 14.52 | 120 | 280 | 43 | 57 | 38 | 1 1/4-11.5NPT | 30 | 32 | 2 1/4-14NS | 30 | 1 1/4-11.5NPT | 25 | 6 | - | 50 | 175 | 4.4 |
| S1-150VC | VC-70-R3 | 100 | 14.52 | 150 | 300 | 43 | 57 | 38 | 1 1/4-11.5NPT | 30 | 32 | 2 1/4-14NS | 30 | 1 1/4-11.5NPT | 25 | 6 | 約39 | 40 | 218 | 4.7 |
| S1-150S | S-1R | 100 | 14.52 | 150 | 300 | 43 | 57 | 38 | 1 1/4-11.5NPT | 30 | 32 | 2 1/4-14NS | 30 | 1 1/4-11.5NPT | 25 | 6 | 約46 | 40 | 218 | 4.7 |
| 型式 | 商品コード | 単位 |
価格 (円) |
基準納期 | |
|---|---|---|---|---|---|
| 日伝 | メーカー | ||||
| S1-50VC | S1-50VC | P | 54,200 | - | - |
| S1-50S | S1-50S | P | 54,200 | - | 在庫品 |
| S1-50T | S1-50T | P | 55,760 | - | 3日間 |
| S1-50-NC | S1-50-NC | P | 54,200 | - | 3日間 |
| S1-120VC | S1-120VC | P | 64,300 | - | - |
| S1-120S | S1-120S | P | 64,300 | - | 在庫品 |
| S1-120T | S1-120T | P | 65,860 | - | 3日間 |
| S1-120-NC | S1-120-NC | P | 64,300 | - | 3日間 |
| S1-150VC | S1-150VC | P | 66,000 | - | - |
| S1-150S | S1-150S | P | 66,000 | - | 在庫品 |
製品についてのご質問やお困りごとなどお気軽にご相談ください!