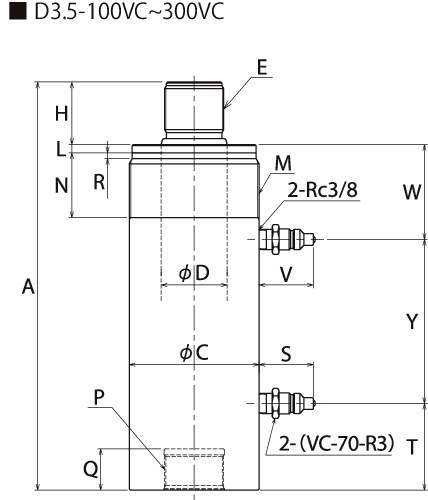
D3.5-100S
-
D3.5-100S
-
D5-50S
-
D10-50S
-
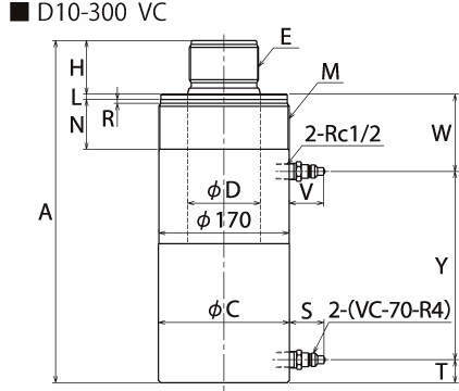
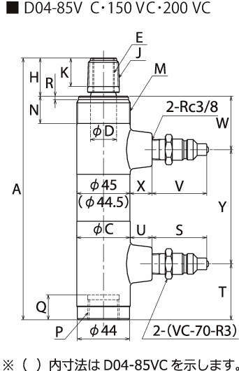
D5-50VC・100VC・150VC
-
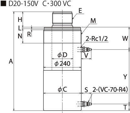
D5-300VC・500VC
・ピストンメッキ付き
理研機器
D3.5-100S
D3.5-100S
D5-50S
D10-50S
D5-50VC・100VC・150VC
D5-300VC・500VC
・ピストンメッキ付き
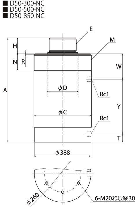
119件の型式
| 型式 |
付属 カップラ |
ストローク (mm) |
最小全長 A |
シリンダ外径 φC |
ピストン径 φD |
ピストンねじ径 E |
ピストン突出長 H |
キャップねじ径 J |
キャップねじ長 K |
ピストン受長 L |
カラーねじ径 M |
カラーねじ長 N |
ベースねじ径 P |
ベースねじ深さ Q |
ねじにがし長さ R |
カップラ突出長 S(押側)V(引側) |
押側カップラ突出長 S |
押側カップラ位置 T |
押側ボス長 U |
引側カップラ突出長V |
引側カップラ位置 W |
引側ボス長 X |
ポート間位置 Y |
カップラ接続口径 |
必要油量 (cm3) |
概略質量 (kg) |
|---|---|---|---|---|---|---|---|---|---|---|---|---|---|---|---|---|---|---|---|---|---|---|---|---|---|---|
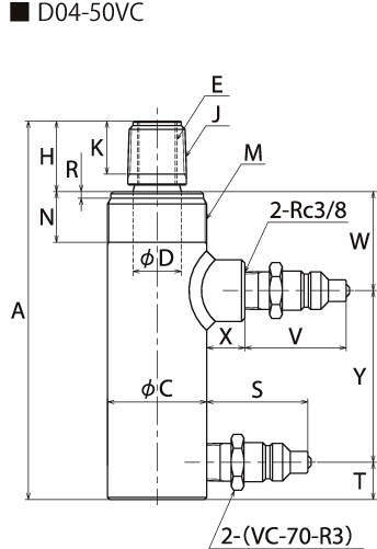
| D04-50VC | VC-70-R3 | 50 | 172 | 45 | 22 | M18×1.5 | 32 | 3/4-14NPT | 24 | - | M45×1.5 | 23 | - | - | 3 | 約46 | - | 17 | - | - | 45 | 17 | 78 | RC3/8 | 33 | 2.0 |
| D04-50S | S-1R | 50 | 172 | 45 | 22 | M18×1.5 | 32 | 3/4-14NPT | 24 | - | M45×1.5 | 23 | - | - | 3 | 約53 | - | 17 | - | - | 45 | 17 | 78 | RC3/8 | 33 | 2.0 |
| D04-50T | ROC-13R | 50 | 172 | 45 | 22 | M18×1.5 | 32 | 3/4-14NPT | 24 | - | M45×1.5 | 23 | - | - | 3 | 約49 | - | 17 | - | - | 45 | 17 | 78 | RC3/8 | 33 | 2.0 |
| D04-50-NC | カップラ無し | 50 | 172 | 45 | 22 | M18×1.5 | 32 | 3/4-14NPT | 24 | - | M45×1.5 | 23 | - | - | 3 | - | - | 17 | - | - | 45 | 17 | 78 | RC3/8 | 33 | 2.0 |
| D04-85VC | VC-70-R3 | 85 | 220 | 45 | 22 | M18×1.5 | 32 | 3/4-14NPT | 24 | - | M45×1.5 | 23 | 3/4-14NPT | 21 | 3 | 約46 | - | 47 | 18 | - | 45 | 18 | 96 | RC3/8 | 55 | 2.6 |
| D04-85S | S-1R | 85 | 220 | 45 | 22 | M18×1.5 | 32 | 3/4-14NPT | 24 | - | M45×1.5 | 23 | 3/4-14NPT | 21 | 3 | 約53 | - | 47 | 18 | - | 45 | 18 | 96 | RC3/8 | 55 | 2.6 |
| D04-85T | ROC-13R | 85 | 220 | 45 | 22 | M18×1.5 | 32 | 3/4-14NPT | 24 | - | M45×1.5 | 23 | 3/4-14NPT | 21 | 3 | 約49 | - | 47 | 18 | - | 45 | 18 | 96 | RC3/8 | 55 | 2.6 |
| D04-85-NC | カップラ無し | 85 | 220 | 45 | 22 | M18×1.5 | 32 | 3/4-14NPT | 24 | - | M45×1.5 | 23 | 3/4-14NPT | 21 | 3 | - | - | 47 | 18 | - | 45 | 18 | 96 | RC3/8 | 55 | 2.6 |
| D04-150VC | VC-70-R3 | 150 | 287 | 46 | 22 | M18×1.5 | 33 | 3/4-14NPT | 24 | - | M45×1.5 | 23 | 3/4-14NPT | 21 | 4 | 約46 | - | 47 | 19 | - | 45 | 19 | 162 | RC3/8 | 97 | 3.3 |
| D04-150S | S-1R | 150 | 287 | 46 | 22 | M18×1.5 | 33 | 3/4-14NPT | 24 | - | M45×1.5 | 23 | 3/4-14NPT | 21 | 4 | 約53 | - | 47 | 19 | - | 45 | 19 | 162 | RC3/8 | 97 | 3.3 |
| 型式 | 商品コード | 単位 |
価格 (円) |
基準納期 | |
|---|---|---|---|---|---|
| 日伝 | メーカー | ||||
| D04-50VC | D04-50VC | P | 50,800 | - | - |
| D04-50S | D04-50S | P | 50,800 | - | 在庫品 |
| D04-50T | D04-50T | P | 53,920 | - | 3日間 |
| D04-50-NC | D04-50-NC | P | 50,800 | - | 3日間 |
| D04-85VC | D04-85VC | P | 58,900 | - | - |
| D04-85S | D04-85S | P | 58,900 | - | 在庫品 |
| D04-85T | D04-85T | P | 62,020 | - | 3日間 |
| D04-85-NC | D04-85-NC | P | 58,900 | - | 3日間 |
| D04-150VC | D04-150VC | P | 62,700 | - | - |
| D04-150S | D04-150S | P | 62,700 | - | 在庫品 |
製品についてのご質問やお困りごとなどお気軽にご相談ください!