D3.5-100S
-
D3.5-100S
-
D5-50S
-
D10-50S
-
D5-50VC・100VC・150VC
-
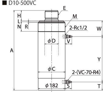
D5-300VC・500VC
・ピストンメッキ付き
理研機器
D3.5-100S
D3.5-100S
D5-50S
D10-50S
D5-50VC・100VC・150VC
D5-300VC・500VC
・ピストンメッキ付き
119件の型式
| 型式 |
付属 カップラ |
ストローク (mm) |
最小全長 A |
シリンダ外径 φC |
ピストン径 φD |
ピストンねじ径 E |
ピストン突出長 H |
キャップねじ径 J |
キャップねじ長 K |
ピストン受長 L |
カラーねじ径 M |
カラーねじ長 N |
ベースねじ径 P |
ベースねじ深さ Q |
ねじにがし長さ R |
カップラ突出長 S(押側)V(引側) |
押側カップラ突出長 S |
押側カップラ位置 T |
押側ボス長 U |
引側カップラ突出長V |
引側カップラ位置 W |
引側ボス長 X |
ポート間位置 Y |
カップラ接続口径 |
必要油量 (cm3) |
概略質量 (kg) |
|---|---|---|---|---|---|---|---|---|---|---|---|---|---|---|---|---|---|---|---|---|---|---|---|---|---|---|
| D20-300VC | VC-70-R4 | 300 | 623 | 241 | 136.42 | M120×4 | 78 | - | - | 7 | M240×4 | 73 | - | - | 5 | 約45 | - | 35 | - | - | 114 | - | 396 | Rc1/2 | 8558 | 169 |
| D20-300C | S-24R | 300 | 623 | 241 | 136.42 | M120×4 | 78 | - | - | 7 | M240×4 | 73 | - | - | 5 | 約56 | - | 35 | - | - | 114 | - | 396 | Rc1/2 | 8558 | 169 |
| D20-300-NC | カップラ無し | 300 | 623 | 241 | 136.42 | M120×4 | 78 | - | - | 7 | M240×4 | 73 | - | - | 5 | - | - | 35 | - | - | 114 | - | 396 | Rc1/2 | 8558 | 169 |
| D20-500VC | VC-70-R4 | 500 | 959 | 240 | 136.42 | M120×4 | 78 | - | - | 7 | M240×4 | 73 | - | - | 5 | 約45 | - | 40 | - | - | 114 | - | 727 | Rc1/2 | 14263 | 268 |
| D20-500C | S-24R | 500 | 959 | 240 | 136.42 | M120×4 | 78 | - | - | 7 | M240×4 | 73 | - | - | 5 | 約56 | - | 40 | - | - | 114 | - | 727 | Rc1/2 | 14263 | 268 |
| D20-500-NC | カップラ無し | 500 | 959 | 240 | 136.42 | M120×4 | 78 | - | - | 7 | M240×4 | 73 | - | - | 5 | - | - | 40 | - | - | 114 | - | 727 | Rc1/2 | 14263 | 268 |
| D20-1000VC | VC-70-R4 | 1000 | 1459 | 255 | 136.42 | M120×4 | 78 | - | - | 7 | M255×4 | 73 | - | - | 5 | 約45 | - | 40 | - | - | 114 | - | 1227 | Rc1/2 | 28526 | 450 |
| D20-1000C | S-24R | 1000 | 1459 | 255 | 136.42 | M120×4 | 78 | - | - | 7 | M255×4 | 73 | - | - | 5 | 約56 | - | 40 | - | - | 114 | - | 1227 | Rc1/2 | 28526 | 450 |
| D20-1000-NC | カップラ無し | 1000 | 1459 | 255 | 136.42 | M120×4 | 78 | - | - | 7 | M255×4 | 73 | - | - | 5 | - | - | 40 | - | - | 114 | - | 1227 | Rc1/2 | 28526 | 450 |
| 型式 | 商品コード | 単位 |
価格 (円) |
基準納期 | |
|---|---|---|---|---|---|
| 日伝 | メーカー | ||||
| D20-300VC | D20-300VC | P | 911,200 | - | - |
| D20-300C | D20-300C | P | 912,000 | - | 在庫品 |
| D20-300-NC | D20-300-NC | P | 914,000 | - | 3日間 |
| D20-500VC | D20-500VC | P | 1,639,200 | - | - |
| D20-500C | D20-500C | P | 1,640,000 | - | - |
| D20-500-NC | D20-500-NC | P | 1,642,000 | - | - |
| D20-1000VC | D20-1000VC | P | 2,339,200 | - | - |
| D20-1000C | D20-1000C | P | 2,340,000 | - | - |
| D20-1000-NC | D20-1000-NC | P | 2,342,000 | - | - |
製品についてのご質問やお困りごとなどお気軽にご相談ください!