SRP-1-90S
-
SRP-1-90S
共通仕様
| 最高使用圧力 | 30MPa |
|---|---|
| 作動方式 | 複動式 |
| カップラ接続口径 | Rc3/8 |
理研機器
SRP-1-90S
SRP-1-90S
| 最高使用圧力 | 30MPa |
|---|---|
| 作動方式 | 複動式 |
| カップラ接続口径 | Rc3/8 |
60件の型式
| 型式 |
最大出力 トルク (kN・m) |
回転角度 | 付属カップラ |
理論圧力 (MPa) |
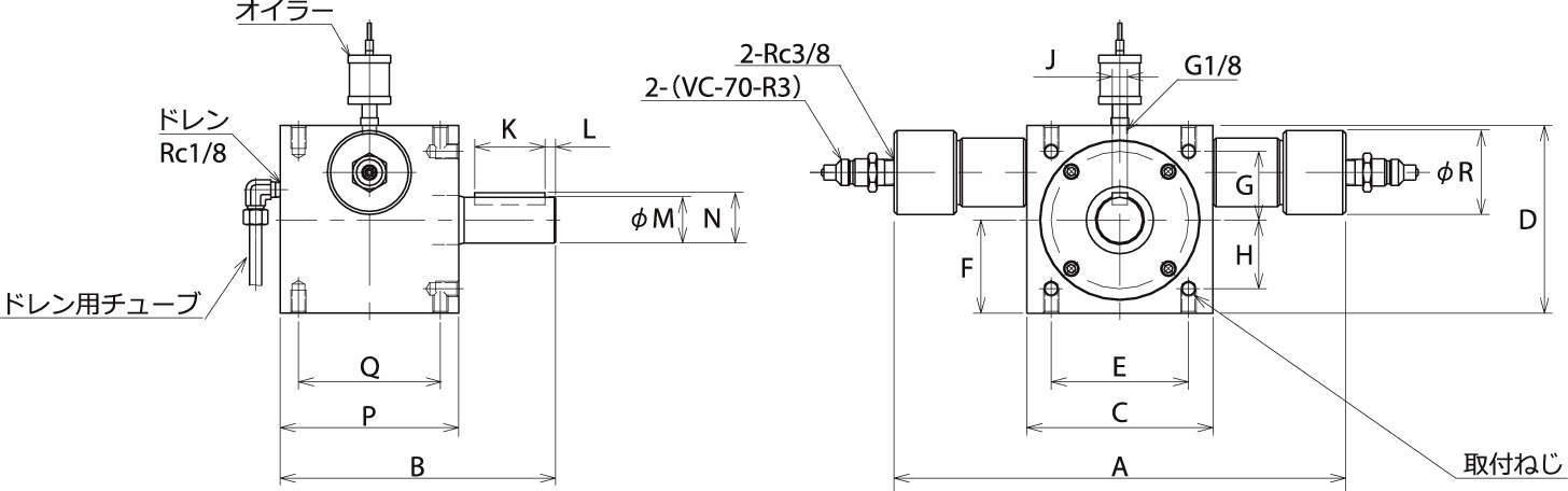
A | B | C | D | E | F | G | H | J | K | L | φM | N | P | Q | φR |
軸中央部での 許容最大ラジアル荷重 (kN) |
取付ねじ | カップラ突出長 |
必要油量 (cm3) |
概略質量 (kg) |
|---|---|---|---|---|---|---|---|---|---|---|---|---|---|---|---|---|---|---|---|---|---|---|---|---|---|
| SRP-20-90T | 20 | 90° | ROC-13R | 28.6 | 688 | 526.5 | 304 | 349 | 244 | 156 | 126 | 126 | 28 | 220 | 10 | 110 | 116 | 282 | 222 | 155 | 20 | 3-(4-M24深40) | ≒49 | 1082 | 213 |
| SRP-20-90-NC | 20 | 90° | カップラ無し | 28.6 | 688 | 526.5 | 34 | 349 | 244 | 156 | 126 | 126 | 28 | 220 | 10 | 110 | 116 | 282 | 222 | 155 | 20 | 3-(4-M24深40) | - | 1082 | 213 |
| SRP-20-180VC | 20 | 180° | VC-70-R3 | 28.6 | 990 | 526.5 | 304 | 349 | 244 | 156 | 126 | 126 | 28 | 220 | 10 | 110 | 116 | 282 | 222 | 155 | 20 | 3-(4-M24深40) | ≒46 | 2164 | 225 |
| SRP-20-180S | 20 | 180° | S-1R | 28.6 | 990 | 526.5 | 304 | 349 | 244 | 156 | 126 | 126 | 28 | 220 | 10 | 110 | 116 | 282 | 222 | 155 | 20 | 3-(4-M24深40) | ≒53 | 2164 | 225 |
| SRP-20-180T | 20 | 180° | ROC-13R | 28.6 | 990 | 526.5 | 304 | 349 | 244 | 156 | 126 | 126 | 28 | 220 | 10 | 110 | 116 | 282 | 222 | 155 | 20 | 3-(4-M24深40) | ≒49 | 2164 | 225 |
| SRP-20-180-NC | 20 | 180° | カップラ無し | 28.6 | 990 | 526.5 | 304 | 349 | 244 | 156 | 126 | 126 | 28 | 220 | 10 | 110 | 116 | 282 | 222 | 155 | 20 | 3-(4-M24深40) | - | 2164 | 225 |
| SRP-20-360VC | 20 | 360° | VC-70-R3 | 28.6 | 1593 | 526.5 | 304 | 349 | 244 | 156 | 126 | 126 | 28 | 220 | 10 | 110 | 116 | 282 | 222 | 155 | 20 | 3-(4-m24深40) | ≒46 | 4320 | 249 |
| SRP-20-360S | 20 | 360° | S-1R | 28.6 | 1593 | 526.5 | 304 | 349 | 244 | 156 | 126 | 126 | 28 | 220 | 10 | 110 | 116 | 282 | 222 | 155 | 20 | 3-(4-M24深40) | ≒53 | 4320 | 249 |
| SRP-20-360T | 20 | 360° | ROC-13R | 28.6 | 1593 | 526.5 | 304 | 349 | 244 | 156 | 126 | 126 | 28 | 220 | 10 | 110 | 116 | 282 | 222 | 155 | 20 | 3-(4-M24深40) | ≒49 | 4320 | 249 |
| SRP-20-360-NC | 20 | 360° | カップラ無し | 28.6 | 1593 | 526.5 | 304 | 349 | 244 | 156 | 126 | 126 | 28 | 220 | 10 | 110 | 116 | 282 | 222 | 155 | 20 | 3-(4-M24深40) | - | 4320 | 249 |
| 型式 | 商品コード | 単位 |
価格 (円) |
基準納期 | |
|---|---|---|---|---|---|
| 日伝 | メーカー | ||||
| SRP-20-90T | SRP-20-90T | P | 2,133,120 | - | - |
| SRP-20-90-NC | SRP-20-90-NC | P | 2,130,000 | - | - |
| SRP-20-180VC | SRP-20-180VC | P | 2,160,000 | - | - |
| SRP-20-180S | SRP-20-180S | P | 2,160,000 | - | - |
| SRP-20-180T | SRP-20-180T | P | 2,163,120 | - | - |
| SRP-20-180-NC | SRP-20-180-NC | P | 2,160,000 | - | - |
| SRP-20-360VC | SRP-20-360VC | P | 2,240,000 | - | - |
| SRP-20-360S | SRP-20-360S | P | 2,240,000 | - | - |
| SRP-20-360T | SRP-20-360T | P | 2,243,120 | - | - |
| SRP-20-360-NC | SRP-20-360-NC | P | 2,240,000 | - | - |
製品についてのご質問やお困りごとなどお気軽にご相談ください!