・短い機長(通常10m以下)の搬送で、小部品を小ピッチで搬送するのに多用されます。
・低騒音などの環境に配慮する用途にも適します。
・標準的な耐環境チェーンです。
・水中・酸・アルカリ性や低・高温(-20℃~+400℃)の特殊雰囲気用です。
・部品の冷間加工によって、弱い磁性があります。
共通仕様
| 材質 | SUS304 |
|---|---|
| 使用温度 | -20℃~400℃ |
椿本チエイン
・短い機長(通常10m以下)の搬送で、小部品を小ピッチで搬送するのに多用されます。
・低騒音などの環境に配慮する用途にも適します。
・標準的な耐環境チェーンです。
・水中・酸・アルカリ性や低・高温(-20℃~+400℃)の特殊雰囲気用です。
・部品の冷間加工によって、弱い磁性があります。
| 材質 | SUS304 |
|---|---|
| 使用温度 | -20℃~400℃ |
310件の型式
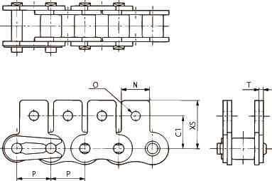
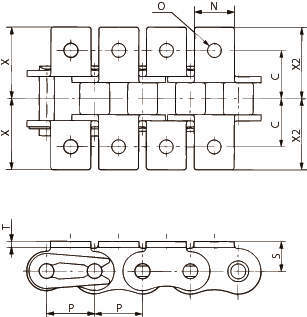
| 型式 | タイプ | チェーン番号 | アタッチメント |
ピッチ P (mm) |
ローラ径 R (mm) |
内リンク内幅 W (mm) |
プレート(mm) | ピン(mm) | アタッチメント(mm) | アタッチメント(mm) |
平均引張強さ (kN) |
質量(kg/m) | リンク数 | |||||||||||
|---|---|---|---|---|---|---|---|---|---|---|---|---|---|---|---|---|---|---|---|---|---|---|---|---|
| 形式 | 間隔 | 厚さ T | 幅 H | ピン径 D | L1 | L2 | C | C1 | N | O | S | X | X2 | XS | 概略 (チェーン本体) | アタッチメント 1個当たりの付加 | ||||||||
| RS40-SS-9LA1 | リンク | RS40 | A1 | 9L | 12.70 | 7.92 | 7.95 | 1.5 | 12.0 | 3.97 | 8.25 | 9.95 | 12.7 | - | 9.5 | 3.6 | 8.0 | 17.8 | 17.8 | - | 0.44 | 0.64 | 0.002 | - |
| RS40-SS-10LA1 | リンク | RS40 | A1 | 10L | 12.70 | 7.92 | 7.95 | 1.5 | 12.0 | 3.97 | 8.25 | 9.95 | 12.7 | - | 9.5 | 3.6 | 8.0 | 17.8 | 17.8 | - | 0.44 | 0.64 | 0.002 | - |
| RS50-SS-1LA1 | リンク | RS50 | A1 | 1L | 15.875 | 10.16 | 9.53 | 2.0 | 15.0 | 5.09 | 10.3 | 12.0 | 15.9 | - | 12.7 | 5.2 | 10.3 | 23.4 | 23.4 | - | 0.69 | 1.04 | 0.003 | - |
| RS50-SS-2LA1 | リンク | RS50 | A1 | 2L | 15.875 | 10.16 | 9.53 | 2.0 | 15.0 | 5.09 | 10.3 | 12.0 | 15.9 | - | 12.7 | 5.2 | 10.3 | 23.4 | 23.4 | - | 0.69 | 1.04 | 0.003 | - |
| RS50-SS-3LA1 | リンク | RS50 | A1 | 3L | 15.875 | 10.16 | 9.53 | 2.0 | 15.0 | 5.09 | 10.3 | 12.0 | 15.9 | - | 12.7 | 5.2 | 10.3 | 23.4 | 23.4 | - | 0.69 | 1.04 | 0.003 | - |
| RS50-SS-4LA1 | リンク | RS50 | A1 | 4L | 15.875 | 10.16 | 9.53 | 2.0 | 15.0 | 5.09 | 10.3 | 12.0 | 15.9 | - | 12.7 | 5.2 | 10.3 | 23.4 | 23.4 | - | 0.69 | 1.04 | 0.003 | - |
| RS50-SS-5LA1 | リンク | RS50 | A1 | 5L | 15.875 | 10.16 | 9.53 | 2.0 | 15.0 | 5.09 | 10.3 | 12.0 | 15.9 | - | 12.7 | 5.2 | 10.3 | 23.4 | 23.4 | - | 0.69 | 1.04 | 0.003 | - |
| RS50-SS-6LA1 | リンク | RS50 | A1 | 6L | 15.875 | 10.16 | 9.53 | 2.0 | 15.0 | 5.09 | 10.3 | 12.0 | 15.9 | - | 12.7 | 5.2 | 10.3 | 23.4 | 23.4 | - | 0.69 | 1.04 | 0.003 | - |
| RS50-SS-7LA1 | リンク | RS50 | A1 | 7L | 15.875 | 10.16 | 9.53 | 2.0 | 15.0 | 5.09 | 10.3 | 12.0 | 15.9 | - | 12.7 | 5.2 | 10.3 | 23.4 | 23.4 | - | 0.69 | 1.04 | 0.003 | - |
| RS50-SS-8LA1 | リンク | RS50 | A1 | 8L | 15.875 | 10.16 | 9.53 | 2.0 | 15.0 | 5.09 | 10.3 | 12.0 | 15.9 | - | 12.7 | 5.2 | 10.3 | 23.4 | 23.4 | - | 0.69 | 1.04 | 0.003 | - |
| 型式 | 商品コード | 単位 |
価格 (円) |
基準納期 | |
|---|---|---|---|---|---|
| 日伝 | メーカー | ||||
| RS40-SS-9LA1 | RS40-SS-9LA1-L | L | 161 | - | 25日間 |
| RS40-SS-10LA1 | RS40-SS-10LA1-L | L | 161 | - | 25日間 |
| RS50-SS-1LA1 | RS50-SS-1LA1-L | L | 313 | - | 15日間 |
| RS50-SS-2LA1 | RS50-SS-2LA1-L | L | 280 | - | 15日間 |
| RS50-SS-3LA1 | RS50-SS-3LA1-L | L | 269 | - | 25日間 |
| RS50-SS-4LA1 | RS50-SS-4LA1-L | L | 262 | - | 25日間 |
| RS50-SS-5LA1 | RS50-SS-5LA1-L | L | 253 | - | 25日間 |
| RS50-SS-6LA1 | RS50-SS-6LA1-L | L | 253 | - | 25日間 |
| RS50-SS-7LA1 | RS50-SS-7LA1-L | L | 253 | - | 25日間 |
| RS50-SS-8LA1 | RS50-SS-8LA1-L | L | 253 | - | 25日間 |
製品についてのご質問やお困りごとなどお気軽にご相談ください!