・エンプラ製内リンク(ポリアセタール)を使用し、外リンクはSUS304を使用しています。
・無給油で耐食性があります。
・低騒音:対スチール比 約-5dB
・軽量:対スチール比 約-50%
共通仕様
| 使用温度範囲 | -20℃~+80℃ |
|---|
椿本チエイン
・エンプラ製内リンク(ポリアセタール)を使用し、外リンクはSUS304を使用しています。
・無給油で耐食性があります。
・低騒音:対スチール比 約-5dB
・軽量:対スチール比 約-50%
| 使用温度範囲 | -20℃~+80℃ |
|---|
30件の型式
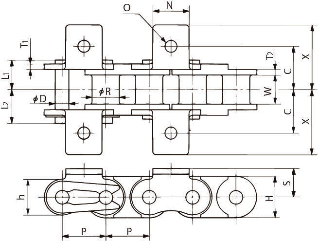
| 型式 | タイプ | チェーン番号 | アタッチメント |
ピッチ P (mm) |
ブシュ径 R (mm) |
内リンク内幅 W (mm) |
プレート(mm) | ピン(mm) | アタッチメント(mm) |
最大許容張力 (kN) |
質量(kg/m) | リンク数 | |||||||||||
|---|---|---|---|---|---|---|---|---|---|---|---|---|---|---|---|---|---|---|---|---|---|---|---|
| 形式 | 間隔 | 厚さ T1 | 厚さ T2 | 幅 H | 幅 h | ピン径 D | L1 | L2 | C | N | O | S | X | 概略 (チェーン本体) | アタッチメント 1個当たりの付加 | ||||||||
| RS25-PC-A1-JL | ジョイントリンク | RS25 | A1 | - | 6.35 | 3.30 | 3.18 | 0.75 | 1.3 | 6.0 | 5.05 | 2.31 | 4.5 | 5.5 | 7.95 | 5.6 | 3.4 | 4.75 | 11.45 | 0.08 | 0.095 | 0.0003 | - |
| RS35-PC-A1-JL | ジョイントリンク | RS35 | A1 | - | 9.525 | 5.08 | 4.78 | 1.25 | 2.2 | 9.0 | 7.8 | 3.59 | 6.85 | 7.85 | 10.5 | 7.9 | 3.4 | 6.35 | 15.35 | 0.18 | 0.22 | 0.0008 | - |
| RS40-PC-A1-JL | ジョイントリンク | RS40 | A1 | - | 12.7 | 7.92 | 7.95 | 1.5 | 1.5 | 12.0 | 10.4 | 3.97 | 8.25 | 9.95 | 12.75 | 9.5 | 3.6 | 8.0 | 17.8 | 0.44 | 0.39 | 0.002 | - |
| RS50-PC-A1-JL | ジョイントリンク | RS50 | A1 | - | 15.875 | 10.16 | 9.53 | 2.0 | 2.0 | 15.0 | 13.0 | 5.09 | 10.3 | 12.0 | 16.0 | 12.7 | 5.2 | 10.3 | 23.55 | 0.69 | 0.58 | 0.003 | - |
| RS60-PC-A1-JL | ジョイントリンク | RS60 | A1 | - | 19.05 | 11.91 | 12.70 | 2.4 | 2.4 | 18.1 | 15.6 | 5.96 | 12.85 | 14.75 | 19.15 | 15.9 | 5.2 | 11.9 | 28.35 | 0.88 | 0.82 | 0.007 | - |
| RS25-PC-K1-JL | ジョイントリンク | RS25 | K1 | - | 6.35 | 3.30 | 3.18 | 0.75 | 1.3 | 6.0 | 5.05 | 2.31 | 4.5 | 5.5 | 7.95 | 5.6 | 3.4 | 4.75 | 11.45 | 0.08 | 0.095 | 0.0006 | - |
| RS35-PC-K1-JL | ジョイントリンク | RS35 | K1 | - | 9.525 | 5.08 | 4.78 | 1.25 | 2.2 | 9.0 | 7.8 | 3.59 | 6.85 | 7.85 | 10.5 | 7.9 | 3.4 | 6.35 | 15.35 | 0.18 | 0.22 | 0.0016 | - |
| RS40-PC-K1-JL | ジョイントリンク | RS40 | K1 | - | 12.7 | 7.92 | 7.95 | 1.5 | 1.5 | 12.0 | 10.4 | 3.97 | 8.25 | 9.95 | 12.75 | 9.5 | 3.6 | 8.0 | 17.8 | 0.44 | 0.39 | 0.004 | - |
| RS50-PC-K1-JL | ジョイントリンク | RS50 | K1 | - | 15.875 | 10.16 | 9.53 | 2.0 | 2.0 | 15.0 | 13.0 | 5.09 | 10.3 | 12.0 | 16.0 | 12.7 | 5.2 | 10.3 | 23.55 | 0.69 | 0.58 | 0.006 | - |
| RS60-PC-K1-JL | ジョイントリンク | RS60 | K1 | - | 19.05 | 11.91 | 12.70 | 2.4 | 2.4 | 18.1 | 15.6 | 5.96 | 12.85 | 14.75 | 19.15 | 15.9 | 5.2 | 11.9 | 28.35 | 0.88 | 0.82 | 0.014 | - |
| 型式 | 商品コード | 単位 |
価格 (円) |
基準納期 | |
|---|---|---|---|---|---|
| 日伝 | メーカー | ||||
| RS25-PC-A1-JL | RS25-PC-A1-JL | P | 438 | - | 15日間 |
| RS35-PC-A1-JL | RS35-PC-A1-JL | P | 520 | - | 10日間 |
| RS40-PC-A1-JL | RS40-PC-A1-JL | P | 562 | - | 10日間 |
| RS50-PC-A1-JL | RS50-PC-A1-JL | P | 649 | - | 10日間 |
| RS60-PC-A1-JL | RS60-PC-A1-JL | P | 898 | - | 10日間 |
| RS25-PC-K1-JL | RS25-PC-K1-JL | P | 556 | - | 15日間 |
| RS35-PC-K1-JL | RS35-PC-K1-JL | P | 640 | - | 10日間 |
| RS40-PC-K1-JL | RS40-PC-K1-JL | P | 609 | - | 10日間 |
| RS50-PC-K1-JL | RS50-PC-K1-JL | P | 713 | - | 10日間 |
| RS60-PC-K1-JL | RS60-PC-K1-JL | P | 987 | - | 10日間 |
製品についてのご質問やお困りごとなどお気軽にご相談ください!