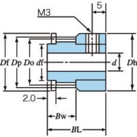
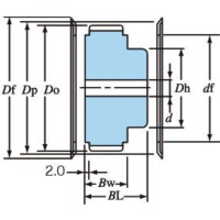
DF
- 
                DF 
共通仕様
| 材質 | 高力アルミニウム | 
|---|
椿本チエイン
20件の型式
| 型式 | 歯形 | プーリ 形状 | 材質 | 歯数 | 使用 ベルト幅 (mm) | ピッチ円直径 Dp (mm) | 歯先円直径 Do (mm) | ハブ直径 Dh (mm) | Bw (mm) | BL (mm) | 使用軸の直径d(mm) | 標準フランジ | フランジ(mm) | |||
|---|---|---|---|---|---|---|---|---|---|---|---|---|---|---|---|---|
| 最小 | 最大 | 厚さt | 外径Df | 内径df | ||||||||||||
| PT14P2M6DF-A | P2M | DF | 高力アルミニウム | 14 | 6 | 8.91 | 8.40 | 12 | 9.5 | 20 | 3 | 4 | PTAS1012055 | 1.0 | 12 | 5.5 | 
| PT15P2M6DF-A | P2M | DF | 高力アルミニウム | 15 | 6 | 9.55 | 9.04 | 13 | 9.5 | 20 | 3 | 5 | PTAS1013070 | 1.0 | 13 | 7 | 
| PT16P2M6DF-A | P2M | DF | 高力アルミニウム | 16 | 6 | 10.19 | 9.68 | 13 | 9.5 | 20 | 3 | 5 | PTAS1013070 | 1.0 | 13 | 7 | 
| PT18P2M6DF-A | P2M | DF | 高力アルミニウム | 18 | 6 | 11.46 | 10.95 | 15 | 9.5 | 20 | 3 | 6 | PTAS1015080 | 1.0 | 15 | 8 | 
| PT20P2M6DF-A | P2M | DF | 高力アルミニウム | 20 | 6 | 12.73 | 12.22 | 17 | 9.5 | 20 | 4 | 6.35 | PTAS10170100 | 1.0 | 17 | 10 | 
| PT22P2M6DF-A | P2M | DF | 高力アルミニウム | 22 | 6 | 14.01 | 13.50 | 17 | 9.5 | 20 | 4 | 6.35 | PTAS10170100 | 1.0 | 17 | 10 | 
| PT24P2M6DF-A | P2M | DF | 高力アルミニウム | 24 | 6 | 15.28 | 14.77 | 17 | 9.5 | 20 | 4 | 6.35 | PTAS10170100 | 1.0 | 17 | 10 | 
| PT25P2M6DF-A | P2M | DF | 高力アルミニウム | 25 | 6 | 15.92 | 15.41 | 21 | 9.5 | 20 | 4 | 6.35 | PTAS10210133 | 1.0 | 21 | 13.3 | 
| PT26P2M6DF-A | P2M | DF | 高力アルミニウム | 26 | 6 | 16.55 | 16.04 | 21 | 9.5 | 20 | 4 | 6.35 | PTAS10210133 | 1.0 | 21 | 13.3 | 
| PT28P2M6BF-A | P2M | BF | 高力アルミニウム | 28 | 6 | 17.83 | 17.32 | 12 | 11.5 | 20 | 5 | 6.35 | PTAS10250150 | 1.0 | 25 | 15 | 
| 型式 | 商品コード | 単位 | 価格 (円) | 基準納期 | |
|---|---|---|---|---|---|
| 日伝 | メーカー | ||||
| PT14P2M6DF-A | PT14P2M6DF-A | P | 2,890 | - | 在庫品 | 
| PT15P2M6DF-A | PT15P2M6DF-A | P | 2,980 | - | 在庫品 | 
| PT16P2M6DF-A | PT16P2M6DF-A | P | 3,040 | - | 在庫品 | 
| PT18P2M6DF-A | PT18P2M6DF-A | P | 3,290 | - | 在庫品 | 
| PT20P2M6DF-A | PT20P2M6DF-A | P | 3,360 | - | 在庫品 | 
| PT22P2M6DF-A | PT22P2M6DF-A | P | 3,470 | - | 在庫品 | 
| PT24P2M6DF-A | PT24P2M6DF-A | P | 3,530 | - | 在庫品 | 
| PT25P2M6DF-A | PT25P2M6DF-A | P | 3,580 | - | 在庫品 | 
| PT26P2M6DF-A | PT26P2M6DF-A | P | 3,690 | - | 在庫品 | 
| PT28P2M6BF-A | PT28P2M6BF-A | P | 3,420 | - | 在庫品 | 
製品についてのご質問やお困りごとなどお気軽にご相談ください!