DF
-
DF
共通仕様
| 材質 | 高力アルミニウム |
|---|
椿本チエイン
20件の型式
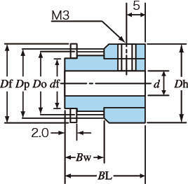
| 型式 | 歯形 |
プーリ 形状 |
材質 | 歯数 |
使用 ベルト幅 (mm) |
ピッチ円直径 Dp (mm) |
歯先円直径 Do (mm) |
ハブ直径 Dh (mm) |
Bw (mm) |
BL (mm) |
使用軸の直径d(mm) | 標準フランジ | フランジ(mm) | |||
|---|---|---|---|---|---|---|---|---|---|---|---|---|---|---|---|---|
| 最小 | 最大 | 厚さt | 外径Df | 内径df | ||||||||||||
| PT30P2M6BF-A | P2M | BF | 高力アルミニウム | 30 | 6 | 19.10 | 18.59 | 12 | 11.5 | 20 | 5 | 8 | PTAF10260150 | 1.0 | 26 | 15 |
| PT32P2M6BF-A | P2M | BF | 高力アルミニウム | 32 | 6 | 20.37 | 19.86 | 12 | 11.5 | 20 | 5 | 8 | PTAF10280160 | 1.0 | 28 | 16 |
| PT34P2M6BF-A | P2M | BF | 高力アルミニウム | 34 | 6 | 21.65 | 21.14 | 14 | 11.5 | 20 | 5 | 9 | PTAF10280160 | 1.0 | 28 | 16 |
| PT36P2M6BF-A | P2M | BF | 高力アルミニウム | 36 | 6 | 22.92 | 22.41 | 14 | 11.5 | 20 | 5 | 9 | PTAF10290180 | 1.0 | 29 | 18 |
| PT40P2M6BF-A | P2M | BF | 高力アルミニウム | 40 | 6 | 25.46 | 24.96 | 16 | 11.5 | 20 | 5 | 10 | PTAF10320212 | 1.0 | 32 | 21.2 |
| PT42P2M6BF-A | P2M | BF | 高力アルミニウム | 42 | 6 | 26.74 | 26.23 | 18 | 11.5 | 20 | 5 | 12 | PTAF10320212 | 1.0 | 32 | 21.2 |
| PT44P2M6BF-A | P2M | BF | 高力アルミニウム | 44 | 6 | 28.01 | 27.50 | 18 | 11.5 | 20 | 5 | 12 | PTAF10340230 | 1.0 | 34 | 23 |
| PT48P2M6BF-A | P2M | BF | 高力アルミニウム | 48 | 6 | 30.56 | 30.05 | 18 | 11.5 | 20 | 5 | 12 | PTAF10350224 | 1.0 | 35 | 22.4 |
| PT50P2M6BF-A | P2M | BF | 高力アルミニウム | 50 | 6 | 31.83 | 31.32 | 22 | 11.5 | 20 | 5 | 15 | PTAF10390265 | 1.0 | 39 | 26.5 |
| PT60P2M6BF-A | P2M | BF | 高力アルミニウム | 60 | 6 | 38.20 | 37.69 | 28 | 11.5 | 20 | 5 | 19 | PTAF10450335 | 1.0 | 45 | 33.5 |
| 型式 | 商品コード | 単位 |
価格 (円) |
基準納期 | |
|---|---|---|---|---|---|
| 日伝 | メーカー | ||||
| PT30P2M6BF-A | PT30P2M6BF-A | P | 3,510 | - | 在庫品 |
| PT32P2M6BF-A | PT32P2M6BF-A | P | 3,560 | - | 在庫品 |
| PT34P2M6BF-A | PT34P2M6BF-A | P | 3,730 | - | 在庫品 |
| PT36P2M6BF-A | PT36P2M6BF-A | P | 3,820 | - | 在庫品 |
| PT40P2M6BF-A | PT40P2M6BF-A | P | 3,910 | - | 在庫品 |
| PT42P2M6BF-A | PT42P2M6BF-A | P | 4,090 | - | 在庫品 |
| PT44P2M6BF-A | PT44P2M6BF-A | P | 4,160 | - | 在庫品 |
| PT48P2M6BF-A | PT48P2M6BF-A | P | 5,240 | - | 在庫品 |
| PT50P2M6BF-A | PT50P2M6BF-A | P | 5,290 | - | 在庫品 |
| PT60P2M6BF-A | PT60P2M6BF-A | P | 5,670 | - | 在庫品 |
製品についてのご質問やお困りごとなどお気軽にご相談ください!