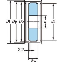
AF
-
AF
-
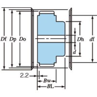
BF
-
AF(アルミ製)
-
BF(アルミ製)
共通仕様
| 材質 | スチール製:機械構造用炭素鋼 アルミ製:高強度アルミ合金 |
|---|
椿本チエイン
AF
AF
BF
AF(アルミ製)
BF(アルミ製)
| 材質 | スチール製:機械構造用炭素鋼 アルミ製:高強度アルミ合金 |
|---|
210件の型式
| 型式 | 歯形 |
プーリ 形状 |
材質 | 歯数 |
使用 ベルト幅 (mm) |
ピッチ円直径 Dp (mm) |
歯先円直径 Do (mm) |
ハブ直径 Dh (mm) |
Bw (mm) |
BL (mm) |
使用軸の直径d(mm) | 標準フランジ | フランジ(mm) | |||
|---|---|---|---|---|---|---|---|---|---|---|---|---|---|---|---|---|
| 最小 | 最大 | 厚さt | 外径Df | 内径df | ||||||||||||
| PT12P5M10AF | P5M | AF | 機械構造用炭素鋼 | 12 | 10 | 19.10 | 17.96 | - | 16 | - | 5 | 6 | PTSF10230130 | 1.0 | 23 | 13 |
| PT14P5M10AF | P5M | AF | 機械構造用炭素鋼 | 14 | 10 | 22.28 | 21.14 | - | 16 | - | 5 | 6 | PTSF10280160 | 1.0 | 28 | 16 |
| PT16P5M10AF | P5M | AF | 機械構造用炭素鋼 | 16 | 10 | 25.46 | 24.32 | - | 16 | - | 5 | 10 | PTSF10310190 | 1.0 | 31 | 19 |
| PT18P5M10AF | P5M | AF | 機械構造用炭素鋼 | 18 | 10 | 28.65 | 27.51 | - | 16 | - | 6 | 12 | PTSF10360224 | 1.0 | 36 | 22.4 |
| PT20P5M10AF | P5M | AF | 機械構造用炭素鋼 | 20 | 10 | 31.83 | 30.69 | - | 16 | - | 6 | 12 | PTSF10360224 | 1.0 | 36 | 22.4 |
| PT22P5M10AF | P5M | AF | 機械構造用炭素鋼 | 22 | 10 | 35.01 | 33.87 | - | 16 | - | 8 | 17 | PTSF10430300 | 1.0 | 43 | 30 |
| PT24P5M10AF | P5M | AF | 機械構造用炭素鋼 | 24 | 10 | 38.20 | 37.06 | - | 16 | - | 8 | 17 | PTSF10440310 | 1.0 | 44 | 31 |
| PT25P5M10AF | P5M | AF | 機械構造用炭素鋼 | 25 | 10 | 39.79 | 38.65 | - | 16 | - | 10 | 20 | PTSF10450335 | 1.0 | 45 | 33.5 |
| PT26P5M10AF | P5M | AF | 機械構造用炭素鋼 | 26 | 10 | 41.38 | 40.24 | - | 16 | - | 10 | 20 | PTSF10470335 | 1.0 | 47 | 33.5 |
| PT28P5M10AF | P5M | AF | 機械構造用炭素鋼 | 28 | 10 | 44.56 | 43.42 | - | 16 | - | 10 | 22 | PTSF10520375 | 1.0 | 52 | 37.5 |
| 型式 | 商品コード | 単位 |
価格 (円) |
基準納期 | |
|---|---|---|---|---|---|
| 日伝 | メーカー | ||||
| PT12P5M10AF | PT12P5M10AF | P | 2,210 | - | 在庫品 |
| PT14P5M10AF | PT14P5M10AF | P | 2,420 | - | 在庫品 |
| PT16P5M10AF | PT16P5M10AF | P | 2,580 | - | 在庫品 |
| PT18P5M10AF | PT18P5M10AF | P | 2,780 | 在庫品 | 在庫品 |
| PT20P5M10AF | PT20P5M10AF | P | 3,040 | 在庫品 | 在庫品 |
| PT22P5M10AF | PT22P5M10AF | P | 3,220 | 在庫品 | 在庫品 |
| PT24P5M10AF | PT24P5M10AF | P | 3,470 | 在庫品 | 在庫品 |
| PT25P5M10AF | PT25P5M10AF | P | 3,580 | 在庫品 | 在庫品 |
| PT26P5M10AF | PT26P5M10AF | P | 3,690 | 在庫品 | 在庫品 |
| PT28P5M10AF | PT28P5M10AF | P | 3,870 | 在庫品 | 在庫品 |
製品についてのご質問やお困りごとなどお気軽にご相談ください!