AF
-
AF
-
BF
-
AF(アルミ製)
-
BF(アルミ製)
共通仕様
| 材質 | スチール製:機械構造用炭素鋼 アルミ製:高強度アルミ合金 |
|---|
椿本チエイン
AF
AF
BF
AF(アルミ製)
BF(アルミ製)
| 材質 | スチール製:機械構造用炭素鋼 アルミ製:高強度アルミ合金 |
|---|
210件の型式
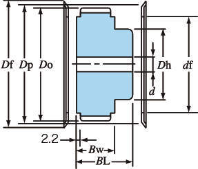
| 型式 | 歯形 |
プーリ 形状 |
材質 | 歯数 |
使用 ベルト幅 (mm) |
ピッチ円直径 Dp (mm) |
歯先円直径 Do (mm) |
ハブ直径 Dh (mm) |
Bw (mm) |
BL (mm) |
使用軸の直径d(mm) | 標準フランジ | フランジ(mm) | |||
|---|---|---|---|---|---|---|---|---|---|---|---|---|---|---|---|---|
| 最小 | 最大 | 厚さt | 外径Df | 内径df | ||||||||||||
| PT30P5M10AF | P5M | AF | 機械構造用炭素鋼 | 30 | 10 | 47.75 | 46.60 | - | 16 | - | 12 | 24 | PTSF10550425 | 1.0 | 55 | 42.5 |
| PT32P5M10AF | P5M | AF | 機械構造用炭素鋼 | 32 | 10 | 50.93 | 49.79 | - | 16 | - | 12 | 26 | PTSF10550425 | 1.0 | 55 | 42.5 |
| PT36P5M10AF | P5M | AF | 機械構造用炭素鋼 | 36 | 10 | 57.30 | 56.15 | - | 16 | - | 12 | 30 | PTSF10640500 | 1.0 | 64 | 50 |
| PT40P5M10AF | P5M | AF | 機械構造用炭素鋼 | 40 | 10 | 63.66 | 62.52 | - | 16 | - | 12 | 32 | PTSF10670560 | 1.0 | 67 | 56 |
| PT44P5M10AF | P5M | AF | 機械構造用炭素鋼 | 44 | 10 | 70.03 | 68.89 | - | 16 | - | 15 | 38 | PTSF10740630 | 1.0 | 74 | 63 |
| PT48P5M10AF | P5M | AF | 機械構造用炭素鋼 | 48 | 10 | 76.39 | 75.25 | - | 16 | - | 15 | 38 | PTSF10820670 | 1.0 | 82 | 67 |
| PT50P5M10AF | P5M | AF | 機械構造用炭素鋼 | 50 | 10 | 79.58 | 78.44 | - | 16 | - | 15 | 42 | PTSF10860710 | 1.0 | 86 | 71 |
| PT60P5M10AF | P5M | AF | 機械構造用炭素鋼 | 60 | 10 | 95.49 | 94.35 | - | 16 | - | 15 | 54 | PTSF101030850 | 1.0 | 103 | 85 |
| PT72P5M10AF | P5M | AF | 機械構造用炭素鋼 | 72 | 10 | 114.59 | 113.45 | - | 16 | - | 18 | 60 | PTSF1012001060 | 1.0 | 200 | 106 |
| PT12P5M15AF | P5M | AF | 機械構造用炭素鋼 | 12 | 15 | 19.10 | 17.96 | - | 21 | - | 5 | 6 | PTSF10230130 | 1.0 | 23 | 13 |
| 型式 | 商品コード | 単位 |
価格 (円) |
基準納期 | |
|---|---|---|---|---|---|
| 日伝 | メーカー | ||||
| PT30P5M10AF | PT30P5M10AF | P | 4,110 | 在庫品 | 在庫品 |
| PT32P5M10AF | PT32P5M10AF | P | 4,310 | 在庫品 | 在庫品 |
| PT36P5M10AF | PT36P5M10AF | P | 4,730 | 在庫品 | 在庫品 |
| PT40P5M10AF | PT40P5M10AF | P | 5,180 | 在庫品 | 在庫品 |
| PT44P5M10AF | PT44P5M10AF | P | 5,600 | 在庫品 | 在庫品 |
| PT48P5M10AF | PT48P5M10AF | P | 6,040 | - | 在庫品 |
| PT50P5M10AF | PT50P5M10AF | P | 6,270 | - | 在庫品 |
| PT60P5M10AF | PT60P5M10AF | P | 7,380 | 在庫品 | 在庫品 |
| PT72P5M10AF | PT72P5M10AF | P | 9,160 | - | 在庫品 |
| PT12P5M15AF | PT12P5M15AF | P | 2,440 | - | 在庫品 |
製品についてのご質問やお困りごとなどお気軽にご相談ください!