AF
-
AF
-
BF
-
AF(アルミ製)
-
BF(アルミ製)
共通仕様
| 材質 | スチール製:機械構造用炭素鋼 アルミ製:高強度アルミ合金 |
|---|
椿本チエイン
AF
AF
BF
AF(アルミ製)
BF(アルミ製)
| 材質 | スチール製:機械構造用炭素鋼 アルミ製:高強度アルミ合金 |
|---|
184件の型式
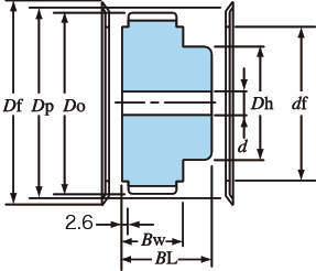
| 型式 | 歯形 |
プーリ 形状 |
材質 | 歯数 |
使用 ベルト幅 (mm) |
ピッチ円直径 Dp (mm) |
歯先円直径 Do (mm) |
ハブ直径 Dh (mm) |
Bw (mm) |
BL (mm) |
使用軸の直径d(mm) | 標準フランジ | フランジ(mm) | |||
|---|---|---|---|---|---|---|---|---|---|---|---|---|---|---|---|---|
| 最小 | 最大 | 厚さt | 外径Df | 内径df | ||||||||||||
| PT28P8M40AF-A | P8M | AF | 高強度アルミ合金 | 28 | 40 | 71.30 | 69.93 | - | 49 | - | 16 | 34 | - | - | - | - |
| PT30P8M40AF-A | P8M | AF | 高強度アルミ合金 | 30 | 40 | 76.39 | 75.02 | - | 49 | - | 16 | 36 | - | - | - | - |
| PT32P8M40AF-A | P8M | AF | 高強度アルミ合金 | 32 | 40 | 81.49 | 80.12 | - | 49 | - | 16 | 38 | - | - | - | - |
| PT34P8M40AF-A | P8M | AF | 高強度アルミ合金 | 34 | 40 | 86.58 | 85.21 | - | 49 | - | 16 | 42 | - | - | - | - |
| PT36P8M40AF-A | P8M | AF | 高強度アルミ合金 | 36 | 40 | 91.67 | 90.30 | - | 49 | - | 16 | 45 | - | - | - | - |
| PT40P8M40AF-A | P8M | AF | 高強度アルミ合金 | 40 | 40 | 101.86 | 100.49 | - | 49 | - | 20 | 50 | - | - | - | - |
| PT44P8M40AF-A | P8M | AF | 高強度アルミ合金 | 44 | 40 | 112.05 | 110.67 | - | 49 | - | 20 | 56 | - | - | - | - |
| PT48P8M40AF-A | P8M | AF | 高強度アルミ合金 | 48 | 40 | 122.23 | 120.86 | - | 49 | - | 20 | 62 | - | - | - | - |
| PT50P8M40AF-A | P8M | AF | 高強度アルミ合金 | 50 | 40 | 127.32 | 125.95 | - | 49 | - | 20 | 62 | - | - | - | - |
| PT60P8M40AF-A | P8M | AF | 高強度アルミ合金 | 60 | 40 | 152.79 | 151.42 | - | 49 | - | 20 | 62 | - | - | - | - |
| 型式 | 商品コード | 単位 |
価格 (円) |
基準納期 | |
|---|---|---|---|---|---|
| 日伝 | メーカー | ||||
| PT28P8M40AF-A | PT28P8M40AF-A | P | 12,200 | - | 在庫品 |
| PT30P8M40AF-A | PT30P8M40AF-A | P | 12,600 | - | 在庫品 |
| PT32P8M40AF-A | PT32P8M40AF-A | P | 13,900 | - | 在庫品 |
| PT34P8M40AF-A | PT34P8M40AF-A | P | 15,100 | - | 在庫品 |
| PT36P8M40AF-A | PT36P8M40AF-A | P | 15,900 | - | 在庫品 |
| PT40P8M40AF-A | PT40P8M40AF-A | P | 19,200 | - | 在庫品 |
| PT44P8M40AF-A | PT44P8M40AF-A | P | 22,000 | - | 在庫品 |
| PT48P8M40AF-A | PT48P8M40AF-A | P | 26,000 | - | 在庫品 |
| PT50P8M40AF-A | PT50P8M40AF-A | P | 28,400 | - | 在庫品 |
| PT60P8M40AF-A | PT60P8M40AF-A | P | 37,800 | - | 在庫品 |
製品についてのご質問やお困りごとなどお気軽にご相談ください!