AF
-
AF
-
BF
-
AF(アルミ製)
-
BF(アルミ製)
共通仕様
| 材質 | スチール製:機械構造用炭素鋼 アルミ製:高強度アルミ合金 |
|---|
椿本チエイン
AF
AF
BF
AF(アルミ製)
BF(アルミ製)
| 材質 | スチール製:機械構造用炭素鋼 アルミ製:高強度アルミ合金 |
|---|
184件の型式
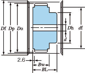
| 型式 | 歯形 |
プーリ 形状 |
材質 | 歯数 |
使用 ベルト幅 (mm) |
ピッチ円直径 Dp (mm) |
歯先円直径 Do (mm) |
ハブ直径 Dh (mm) |
Bw (mm) |
BL (mm) |
使用軸の直径d(mm) | 標準フランジ | フランジ(mm) | |||
|---|---|---|---|---|---|---|---|---|---|---|---|---|---|---|---|---|
| 最小 | 最大 | 厚さt | 外径Df | 内径df | ||||||||||||
| PT50P8M60AF | P8M | AF | 機械構造用炭素鋼 | 50 | 60 | 127.32 | 125.95 | - | 70 | - | 20 | 62 | PTSF1613501200 | 1.6 | 135 | 120 |
| PT60P8M60AF | P8M | AF | 機械構造用炭素鋼 | 60 | 60 | 152.79 | 151.42 | - | 70 | - | 20 | 62 | PTSF1615801400 | 1.6 | 158 | 140 |
| PT64P8M60AF | P8M | AF | 機械構造用炭素鋼 | 64 | 60 | 162.97 | 161.60 | - | 70 | - | 20 | 62 | PTSF1616701520 | 1.6 | 167 | 152 |
| PT72P8M60AF | P8M | AF | 機械構造用炭素鋼 | 72 | 60 | 183.35 | 181.97 | - | 70 | - | 30 | 62 | PTSF1619001700 | 1.6 | 190 | 170 |
| PT20P8M15BF | P8M | BF | 機械構造用炭素鋼 | 20 | 15 | 50.93 | 49.56 | 36 | 22 | 39 | 12 | 22 | PTSF16550425 | 1.6 | 55 | 42.5 |
| PT22P8M15BF | P8M | BF | 機械構造用炭素鋼 | 22 | 15 | 56.02 | 54.65 | 41 | 22 | 39 | 12 | 25 | PTSF16620450 | 1.6 | 62 | 45 |
| PT24P8M15BF | P8M | BF | 機械構造用炭素鋼 | 24 | 15 | 61.12 | 59.74 | 46 | 22 | 39 | 12 | 28 | PTSF16660500 | 1.6 | 66 | 50 |
| PT26P8M15BF | P8M | BF | 機械構造用炭素鋼 | 26 | 15 | 66.21 | 64.84 | 51 | 22 | 39 | 16 | 30 | PTSF16730560 | 1.6 | 73 | 56 |
| PT28P8M15BF | P8M | BF | 機械構造用炭素鋼 | 28 | 15 | 71.30 | 69.93 | 55 | 22 | 39 | 16 | 34 | PTSF16790630 | 1.6 | 79 | 63 |
| PT30P8M15BF | P8M | BF | 機械構造用炭素鋼 | 30 | 15 | 76.39 | 75.02 | 60 | 22 | 39 | 16 | 36 | PTSF16820670 | 1.6 | 82 | 67 |
| 型式 | 商品コード | 単位 |
価格 (円) |
基準納期 | |
|---|---|---|---|---|---|
| 日伝 | メーカー | ||||
| PT50P8M60AF | PT50P8M60AF | P | 29,100 | - | 在庫品 |
| PT60P8M60AF | PT60P8M60AF | P | 41,600 | - | 在庫品 |
| PT64P8M60AF | PT64P8M60AF | P | 47,800 | - | 在庫品 |
| PT72P8M60AF | PT72P8M60AF | P | 51,300 | - | 在庫品 |
| PT20P8M15BF | PT20P8M15BF | P | 6,690 | 在庫品 | 在庫品 |
| PT22P8M15BF | PT22P8M15BF | P | 6,840 | - | 在庫品 |
| PT24P8M15BF | PT24P8M15BF | P | 7,040 | 在庫品 | 在庫品 |
| PT26P8M15BF | PT26P8M15BF | P | 7,400 | 在庫品 | 在庫品 |
| PT28P8M15BF | PT28P8M15BF | P | 7,710 | 在庫品 | 在庫品 |
| PT30P8M15BF | PT30P8M15BF | P | 7,980 | 在庫品 | 在庫品 |
製品についてのご質問やお困りごとなどお気軽にご相談ください!