■簡単なトルク調整
・スリップトルクの設定および調節は、調節ナットまたは調節ボルトの締め加減により簡単にできます。
・トルクの伝達は、摩擦板とセンタメンバとの摩擦により行いますので過負荷に対して確実にスリップし、機械を保護します。
■自動復帰
・過負荷がかかればストップし、過負荷が取除かれれば自動的に復帰して回転します。
・シャーピンなどの取替えの部品がありませんので、手間は全くかかりません。
■各種ドライブとの組合わせが可能
・センタメンバにスプロケット、ギヤ、プーリなどを取付けられます。
■ワイドバリエーション
・小容量のものから大容量のものまで、標準品が揃っておりますから、どんな伝達条件のところにも、そのままご使用いただけます。
椿本チエイン
過負荷保護機器(機械式)|トルクリミターカップリング TL-C
詳細仕様
21件の型式
| 型式 |
摩擦板 型式 |
皿ばね |
設定 トルク範囲 (N・m) |
最高 回転速度 (r/min) |
軸穴径(mm) |
使用 スプロケット |
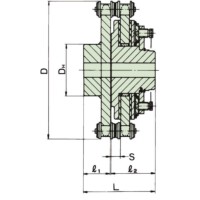
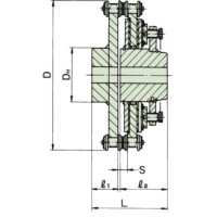
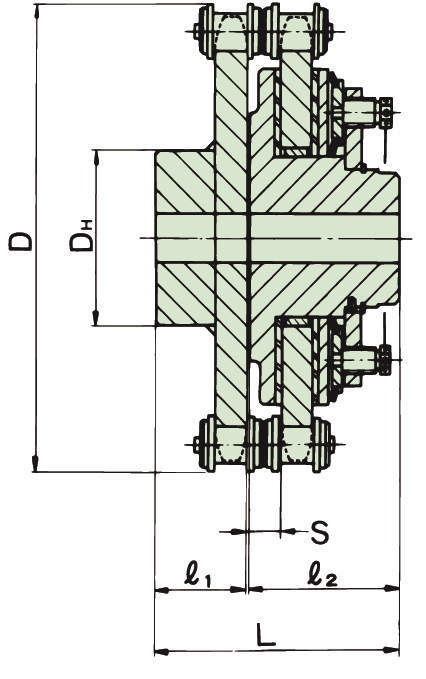
D (mm) |
DH (mm) |
L (mm) |
l1 (mm) |
l2 (mm) |
S (mm) |
質量 (kg) |
||||
|---|---|---|---|---|---|---|---|---|---|---|---|---|---|---|---|---|---|
| 型式 | 枚数 | トルクリミター側 | カップリング側 | ||||||||||||||
| 下穴 | 最大 | 下穴 | 最大 | ||||||||||||||
| TL200-1C | TL200A | TL200S | 1 | 2.9~9.8 | 1200 | 7 | 14 | 8 | 31 | RS40-16T | 76 | 50 | 55 | 24 | 29 | 7.5 | 1.0 |
| TL200-2C | TL200A | TL200S | 2 | 6.9~20 | 1200 | 7 | 14 | 8 | 31 | RS40-16T | 76 | 50 | 55 | 24 | 29 | 7.5 | 1.0 |
| TL250-1C | TL250A | TL250S | 1 | 6.9~27 | 1000 | 10 | 22 | 13 | 38 | RS40-22T | 102 | 56 | 76 | 25 | 48 | 7.4 | 1.9 |
| TL250-2C | TL250A | TL250S | 2 | 14~54 | 1000 | 10 | 22 | 13 | 38 | RS40-22T | 102 | 56 | 76 | 25 | 48 | 7.4 | 1.9 |
| TL350-1C | TL350A | TL350S | 1 | 20~74 | 800 | 17 | 25 | 13 | 45 | RS50-24T | 137 | 72 | 103 | 37 | 62 | 9.7 | 4.2 |
| TL350-2C | TL350A | TL350S | 2 | 34~149 | 800 | 17 | 25 | 13 | 45 | RS50-24T | 137 | 72 | 103 | 37 | 62 | 9.7 | 4.2 |
| TL500-1C | TL500A | TL500S | 1 | 47~210 | 500 | 20 | 42 | 18 | 65 | RS60-28T | 188 | 105 | 120 | 40 | 76 | 11.6 | 10 |
| TL500-2C | TL500A | TL500S | 2 | 88~420 | 500 | 20 | 42 | 18 | 65 | RS60-28T | 188 | 105 | 120 | 40 | 76 | 11.6 | 10 |
| TL700-1C | TL700A | TL700S | 1 | 116~569 | 400 | 30 | 64 | 23 | 90 | RS80-28T | 251 | 150 | 168 | 66 | 98 | 15.3 | 26 |
| TL700-2C | TL700A | TL700S | 2 | 223~1088 | 400 | 30 | 64 | 23 | 90 | RS80-28T | 251 | 150 | 168 | 66 | 98 | 15.3 | 26 |
| 型式 | 商品コード | 単位 |
価格 (円) |
基準納期 | |
|---|---|---|---|---|---|
| 日伝 | メーカー | ||||
| TL200-1C | TL200-1C | P | 21,600 | 在庫品 | 在庫品 |
| TL200-2C | TL200-2C | P | 23,180 | 在庫品 | 4日間 |
| TL250-1C | TL250-1C | P | 28,800 | 在庫品 | 在庫品 |
| TL250-2C | TL250-2C | P | 31,280 | 在庫品 | 4日間 |
| TL350-1C | TL350-1C | P | 40,400 | 在庫品 | 在庫品 |
| TL350-2C | TL350-2C | P | 45,500 | 在庫品 | 4日間 |
| TL500-1C | TL500-1C | P | 69,000 | 在庫品 | 在庫品 |
| TL500-2C | TL500-2C | P | 75,440 | 在庫品 | 4日間 |
| TL700-1C | TL700-1C | P | 120,800 | 在庫品 | 在庫品 |
| TL700-2C | TL700-2C | P | 132,560 | 在庫品 | 4日間 |
この製品を見た人はこのような製品も見ています
製品についてのご質問やお困りごとなどお気軽にご相談ください!
Loading...

