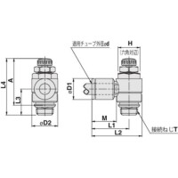
AS-F(エルボ)
-
AS-F(エルボ)
-
ガスケット(M・UNF)
-
ガスケット(M)φ2タイプ
-
ガスケット(Uni)インチ
-
ガスケット(Uni)インチ
-
シール剤(R・NPT)
-
シール剤(R・NPT)
■コンパクト・軽量で優れた流量特性
・高さ方向を短縮、コンパクトな装置設計ができ、しかも有効断面積は従来品と同等以上。
■適用チューブサイズにφ2mmサイズを追加
■最高使用圧力1MPaまで使用可能
■適用チューブ
・ナイロン、ソフトナイロン、ポリウレタンの使用が可能です。
■ニードル弁抜け止め機構
■Uniねじタイプをラインナップ
・ねじ込み作業時間を1/3にする新しい管用ねじ。
・各種規格用めねじ(Rc・G・NPT・NPFT)に適用する独自ねじの採用。
・ガスケットシール方式により、ねじ込み時間を大幅に削減。
■オプション
・ニッケルめっきタイプ

