AS2200・A32200・A42200
-
AS2200・A32200・A42200
-
AS1200-M3
-
AS1200-M5
-
AS1400-M3
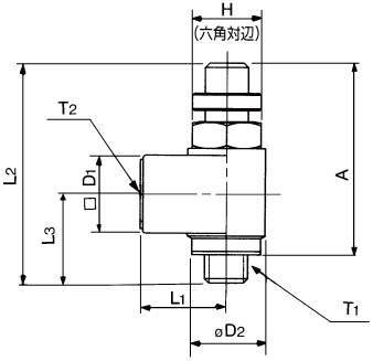
■削減される配管工数とコスト
・アクチュエータヘ直接ねじ込み装着ですから、継手、チューブが省略でき、配管の工数とコストが削減できます。
■自由に設定できる配管方向
・スイベルタイプですから取付後配管方向を自由に設定できます。
■低流量域での速度制御が容易
■等質の速度制御が可能
■ニードル弁抜け止め機構

