AS1000
-
AS1000
-
AS2000・AS3000・AS4000
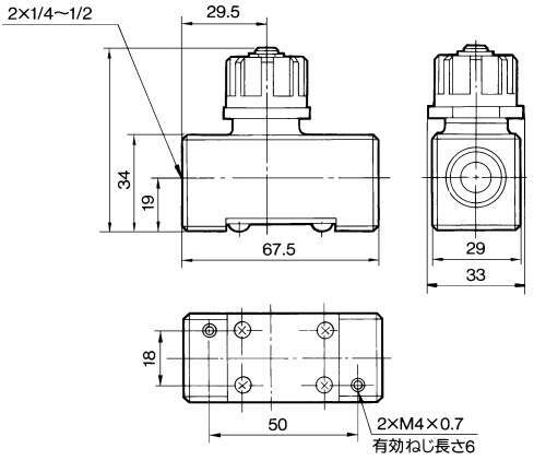
■スペースを取らないコンパクトサイズ。
■低流量域での速度制御が容易。
■等質の速度制御が可能。
■ニードル弁抜け止め機構。
SMC
AS1000
AS1000
AS2000・AS3000・AS4000
■スペースを取らないコンパクトサイズ。
■低流量域での速度制御が容易。
■等質の速度制御が可能。
■ニードル弁抜け止め機構。
93件の型式
| 型式 | タイプ | 形状 |
ボディ サイズ |
管接続部 | 流量(L/min(ANR)) | C値:音速コンダクタンス(dm3/(s・bar)) | b値:臨界圧力比 |
最高 使用圧力 |
最低 使用圧力 |
保証 耐圧力 |
L1 (mm) |
L2 (mm) |
L3 (mm) |
L4 (mm) |
L5 (mm) |
L6 (mm) |
L7(mm) |
L8 (mm) |
D (mm) |
質量 (g) |
オプション | オーダーメイド仕様 | |||||
|---|---|---|---|---|---|---|---|---|---|---|---|---|---|---|---|---|---|---|---|---|---|---|---|---|---|---|---|
| ねじタイプ | 接続口径 | 自由流れ | 制御流れ | 自由流れ | 制御流れ | 自由流れ | 制御流れ | MAX. | MIN. | ||||||||||||||||||
| AS4000-03-H | AS | インライン | 4 | Rc | Rc3/8 | 1670 | 1670 | 4.6 | 4.6 | 0.35 | 0.2 | 1MPa | 0.05MPa | 1.5MPa | - | - | - | - | - | - | - | - | - | - | 214 | 高温仕様(-5~80℃) | - |
| AS4000-03-L | AS | インライン | 4 | Rc | Rc3/8 | 1670 | 1670 | 4.6 | 4.6 | 0.35 | 0.2 | 1MPa | 0.05MPa | 1.5MPa | - | - | - | - | - | - | - | - | - | - | 214 | 低温仕様(-30~60℃) | - |
| AS4000-04 | AS | インライン | 4 | Rc | Rc1/2 | 1670 | 1670 | 4.6 | 4.6 | 0.35 | 0.2 | 1MPa | 0.05MPa | 1.5MPa | - | - | - | - | - | - | - | - | - | - | 205 | - | - |
| AS4000-04-H | AS | インライン | 4 | Rc | Rc1/2 | 1670 | 1670 | 4.6 | 4.6 | 0.35 | 0.2 | 1MPa | 0.05MPa | 1.5MPa | - | - | - | - | - | - | - | - | - | - | 205 | 高温仕様(-5~80℃) | - |
| AS4000-04-L | AS | インライン | 4 | Rc | Rc1/2 | 1670 | 1670 | 4.6 | 4.6 | 0.35 | 0.2 | 1MPa | 0.05MPa | 1.5MPa | - | - | - | - | - | - | - | - | - | - | 205 | 低温仕様(-30~60℃) | - |
| AS4000-F02 | AS | インライン | 4 | G | G1/4 | 1670 | 1670 | 4.6 | 4.6 | 0.35 | 0.2 | 1MPa | 0.05MPa | 1.5MPa | - | - | - | - | - | - | - | - | - | - | 221 | - | - |
| AS4000-F02-H | AS | インライン | 4 | G | G1/4 | 1670 | 1670 | 4.6 | 4.6 | 0.35 | 0.2 | 1MPa | 0.05MPa | 1.5MPa | - | - | - | - | - | - | - | - | - | - | 221 | 高温仕様(-5~80℃) | - |
| AS4000-F02-L | AS | インライン | 4 | G | G1/4 | 1670 | 1670 | 4.6 | 4.6 | 0.35 | 0.2 | 1MPa | 0.05MPa | 1.5MPa | - | - | - | - | - | - | - | - | - | - | 221 | 低温仕様(-30~60℃) | - |
| AS4000-F03 | AS | インライン | 4 | G | G3/8 | 1670 | 1670 | 4.6 | 4.6 | 0.35 | 0.2 | 1MPa | 0.05MPa | 1.5MPa | - | - | - | - | - | - | - | - | - | - | 214 | - | - |
| AS4000-F03-H | AS | インライン | 4 | G | G3/8 | 1670 | 1670 | 4.6 | 4.6 | 0.35 | 0.2 | 1MPa | 0.05MPa | 1.5MPa | - | - | - | - | - | - | - | - | - | - | 214 | 高温仕様(-5~80℃) | - |
| 型式 | 商品コード | 単位 |
価格 (円) |
基準納期 | |
|---|---|---|---|---|---|
| 日伝 | メーカー | ||||
| AS4000-03-H | AS4000-03-H | P | 4,825 | - | - |
| AS4000-03-L | AS4000-03-L | P | 4,150 | - | - |
| AS4000-04 | AS4000-04 | P | 3,175 | 在庫品 | - |
| AS4000-04-H | AS4000-04-H | P | 4,825 | - | - |
| AS4000-04-L | AS4000-04-L | P | 4,150 | - | - |
| AS4000-F02 | AS4000-F02 | P | 3,175 | - | - |
| AS4000-F02-H | AS4000-F02-H | P | 4,825 | - | - |
| AS4000-F02-L | AS4000-F02-L | P | 4,150 | - | - |
| AS4000-F03 | AS4000-F03 | P | 3,175 | - | - |
| AS4000-F03-H | AS4000-F03-H | P | 4,825 | - | - |
製品についてのご質問やお困りごとなどお気軽にご相談ください!