モノづくりの困ったを解決する総合サイト

Produced by

飛び出し防止システム SSCバルブ ASS

ASS

  • ASS

■シリンダロッド飛び出しによる事故防止
・シリンダの片側だけに圧力が供給されると、ロッドが暴走して製品・治具破損のトラブルをまねきます。
・メータアウトタイプのSSCバルブはシリンダ内に圧力のない場合には、メータイン制御で“飛び出し”を防ぎ、加圧後は通常のメータアウト制御を行います。
・メータインタイプの場合シリンダの速度は常時メータインで制御するため“飛び出し”はありません。

■メータアウト制御タイプ
・シリンダの速度制御機能と固定絞りおよび急速給気機能を持つ制御弁。

■メータイン制御タイプ
・シリンダの速度制御機能と急速給気機能を持つ制御弁。

CADメーカーTOP

詳細仕様

  • 58件中 11-20件

  • 表示件数

58件の型式

型式 タイプ ボディ
サイズ
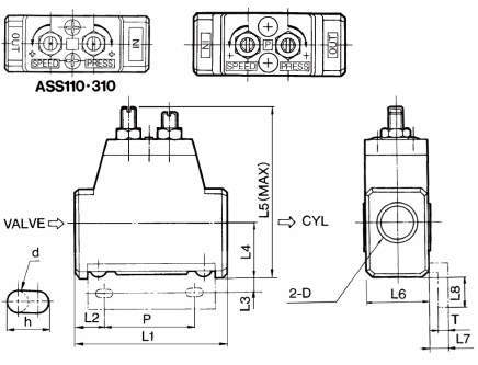
制御方式 管接続部 音速コンダクタンス(dm3/(s・bar)) 臨界圧力比 最高
使用圧力
設定圧力 L1
(mm)
L2
(mm)
L3
(mm)
L4
(mm)
L5
(mm)
L6
(mm)
L7
(mm)
L8
(mm)
P
(mm)
d
(mm)
h
(mm)
T
(mm)
質量
(g)
付属品
ねじタイプ 接続口径 D 自由流れ 制御流れ 自由流れ 制御流れ
ASS300-N02 ASS300 3 メータアウト NPT NPT1/4 4 2.6 0.5 0.45 0.7MPa 0.1~0.5MPa 63 16.5 5 23 73 26 6 12 30 6 12 3.2 220 -
ASS300-N02B ASS300 3 メータアウト NPT NPT1/4 4 2.6 0.5 0.45 0.7MPa 0.1~0.5MPa 63 16.5 5 23 73 26 6 12 30 6 12 3.2 220 ブラケット付
ASS300-N03 ASS300 3 メータアウト NPT NPT3/8 4 2.6 0.5 0.45 0.7MPa 0.1~0.5MPa 63 16.5 5 23 73 26 6 12 30 6 12 3.2 220 -
ASS300-N03B ASS300 3 メータアウト NPT NPT3/8 4 2.6 0.5 0.45 0.7MPa 0.1~0.5MPa 63 16.5 5 23 73 26 6 12 30 6 12 3.2 220 ブラケット付
ASS300-F02 ASS300 3 メータアウト G G1/4 4 2.6 0.5 0.45 0.7MPa 0.1~0.5MPa 63 16.5 5 23 73 26 6 12 30 6 12 3.2 220 -
ASS300-F02B ASS300 3 メータアウト G G1/4 4 2.6 0.5 0.45 0.7MPa 0.1~0.5MPa 63 16.5 5 23 73 26 6 12 30 6 12 3.2 220 ブラケット付
ASS300-F03 ASS300 3 メータアウト G G3/8 4 2.6 0.5 0.45 0.7MPa 0.1~0.5MPa 63 16.5 5 23 73 26 6 12 30 6 12 3.2 220 -
ASS300-F03B ASS300 3 メータアウト G G3/8 4 2.6 0.5 0.45 0.7MPa 0.1~0.5MPa 63 16.5 5 23 73 26 6 12 30 6 12 3.2 220 ブラケット付
ASS500-04 ASS500 5 メータアウト Rc Rc1/2 10 9.5 0.5 0.45 0.7MPa 0.1~0.5MPa 90 30.5 6 27 99 38 6 13 35 7 14 2.3 580 -
ASS500-04B ASS500 5 メータアウト Rc Rc1/2 10 9.5 0.5 0.45 0.7MPa 0.1~0.5MPa 90 30.5 6 27 99 38 6 13 35 7 14 2.3 580 ブラケット付

型式 商品コード 単位 価格
(円)
基準納期
日伝 メーカー
ASS300-N02 ASS300-N02 P 7,300 - -
ASS300-N02B ASS300-N02B P 8,275 - -
ASS300-N03 ASS300-N03 P 7,300 - -
ASS300-N03B ASS300-N03B P 8,275 - -
ASS300-F02 ASS300-F02 P 7,300 - -
ASS300-F02B ASS300-F02B P 8,275 - -
ASS300-F03 ASS300-F03 P 7,300 - -
ASS300-F03B ASS300-F03B P 8,275 - -
ASS500-04 ASS500-04 P 13,625 - -
ASS500-04B ASS500-04B P 14,600 - -

1952年設立で、動力伝導機器・産業機器・制御機器等の機械設備及び機械器具関連製品の販売をしている専門総合商社です。
日本国内で40以上の拠点を持ち、信頼性の高い製品と技術力で、全国のものづくりに携わる方々のあらゆるお困りごとを解決しています。

Loading...