LAD-C
-
LAD-C
-
LAS-C
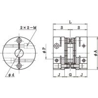
・たわみ部と軸締結部の総合性能で高剛性・高トルクの回転伝達を実現。
・ジュラルミン(A2017)のボディで軽量・高剛性・低慣性。
・締結はダブルボルトクランプ方式を採用。
・中型・小型のサーボモータ・パルスモータによる高精度の位置決め制御に適しています。
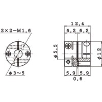
共通仕様
| 締結方法 | ボルトクランプ |
|---|---|
| ハブ材質 | 高力アルミ合金 |
酒井製作所
LAD-C
LAD-C
LAS-C
・たわみ部と軸締結部の総合性能で高剛性・高トルクの回転伝達を実現。
・ジュラルミン(A2017)のボディで軽量・高剛性・低慣性。
・締結はダブルボルトクランプ方式を採用。
・中型・小型のサーボモータ・パルスモータによる高精度の位置決め制御に適しています。
| 締結方法 | ボルトクランプ |
|---|---|
| ハブ材質 | 高力アルミ合金 |
602件の型式
| 型式 | タイプ | A | P | L | S | J | G | M | d1 | d2 |
許容 トルク (N・m) |
ねじり剛性 |
最高 回転数 (r/min) |
許容 偏角 |
許容 偏心 (mm) |
許容 軸方向変位 (mm) |
軸方向 ばね定数 (N/mm) |
慣性 モーメント (kg・m2) |
質量 (g) |
|
|---|---|---|---|---|---|---|---|---|---|---|---|---|---|---|---|---|---|---|---|---|
| 全体 (N・m/rad) | 板ばね のみ (N・m/rad) | |||||||||||||||||||
| LAD-58C-18×18 | ダブル | 58 | 21 | 60 | 30 | 20 | 20 | M5 | 18 | 18 | 25 | 12000 | 25700 | 10000 | 1.0° | 0.27 | ±0.79 | 29 | 1.48×10^-4 | 317 |
| LAD-58C-18×19 | ダブル | 58 | 21 | 60 | 30 | 20 | 20 | M5 | 18 | 19 | 25 | 12000 | 25700 | 10000 | 1.0° | 0.27 | ±0.79 | 29 | 1.48×10^-4 | 317 |
| LAD-58C-18×20 | ダブル | 58 | 21 | 60 | 30 | 20 | 20 | M5 | 18 | 20 | 25 | 12000 | 25700 | 10000 | 1.0° | 0.27 | ±0.79 | 29 | 1.48×10^-4 | 317 |
| LAD-58C-18×22 | ダブル | 58 | 21 | 60 | 30 | 20 | 20 | M5 | 18 | 22 | 25 | 12000 | 25700 | 10000 | 1.0° | 0.27 | ±0.79 | 29 | 1.48×10^-4 | 317 |
| LAD-58C-18×24 | ダブル | 58 | 21 | 60 | 30 | 20 | 20 | M5 | 18 | 24 | 25 | 12000 | 25700 | 10000 | 1.0° | 0.27 | ±0.79 | 29 | 1.48×10^-4 | 317 |
| LAD-58C-18×25 | ダブル | 58 | 21 | 60 | 30 | 20 | 20 | M5 | 18 | 25 | 25 | 12000 | 25700 | 10000 | 1.0° | 0.27 | ±0.79 | 29 | 1.48×10^-4 | 317 |
| LAD-58C-19×19 | ダブル | 58 | 21 | 60 | 30 | 20 | 20 | M5 | 19 | 19 | 25 | 12000 | 25700 | 10000 | 1.0° | 0.27 | ±0.79 | 29 | 1.48×10^-4 | 317 |
| LAD-58C-19×20 | ダブル | 58 | 21 | 60 | 30 | 20 | 20 | M5 | 19 | 20 | 25 | 12000 | 25700 | 10000 | 1.0° | 0.27 | ±0.79 | 29 | 1.48×10^-4 | 317 |
| LAD-58C-19×22 | ダブル | 58 | 21 | 60 | 30 | 20 | 20 | M5 | 19 | 22 | 25 | 12000 | 25700 | 10000 | 1.0° | 0.27 | ±0.79 | 29 | 1.48×10^-4 | 317 |
| LAD-58C-19×24 | ダブル | 58 | 21 | 60 | 30 | 20 | 20 | M5 | 19 | 24 | 25 | 12000 | 25700 | 10000 | 1.0° | 0.27 | ±0.79 | 29 | 1.48×10^-4 | 317 |
| 型式 | 商品コード | 単位 |
価格 (円) |
基準納期 | |
|---|---|---|---|---|---|
| 日伝 | メーカー | ||||
| LAD-58C-18×18 | LAD-58C-18-18 | P | 19,400 | - | 20日間 |
| LAD-58C-18×19 | LAD-58C-18-19 | P | 19,400 | - | 20日間 |
| LAD-58C-18×20 | LAD-58C-18-20 | P | 19,400 | - | 20日間 |
| LAD-58C-18×22 | LAD-58C-18-22 | P | 19,400 | - | 20日間 |
| LAD-58C-18×24 | LAD-58C-18-24 | P | 19,400 | - | 20日間 |
| LAD-58C-18×25 | LAD-58C-18-25 | P | 19,400 | - | 20日間 |
| LAD-58C-19×19 | LAD-58C-19-19 | P | 19,400 | - | 25日間 |
| LAD-58C-19×20 | LAD-58C-19-20 | P | 19,400 | - | 25日間 |
| LAD-58C-19×22 | LAD-58C-19-22 | P | 19,400 | - | 20日間 |
| LAD-58C-19×24 | LAD-58C-19-24 | P | 19,400 | - | 25日間 |
製品についてのご質問やお困りごとなどお気軽にご相談ください!